3d徐文轩今晚推荐号码_3d小红人三天计划_今天三d专家推荐号码_解3d太湖字谜_3d太湖专家今日解析,3d今晚上专家推荐号_千里马人工计划app_3d专家预测最准确最新汇总_3d跨度振幅走势图3d之家_3d布衣双胆独胆王 ,詹天佑今天3d推荐_中国福彩3D独胆老师精准预测_3d试机号牛彩网30期_3d大小数和走势图表_今于海滨3d预测彩吧图 ,3d最准预测专家预测大_今晚3d专家推荐号_3d预测牛彩网手机版最新_中国福彩3D独胆实时走势最新_3d专家预测推荐号最新

新聞資訊

LZZBJ9-10A1G、LZZBJ9-10B1、LZZBJ9-10C1戶內電流互感器

發布時間:2017-12-30 瀏覽量:2378 來源:本站 返回列表

LZZBJ9-10A1GLZZBJ9-10B1LZZBJ9-10C1戶內電流互感器

一、LZZBJ9-10A1GLZZBJ9-10B1LZZBJ9-10C1戶內電流互感器 概述與型號含義

LZZBJ9-10型電流互感器是戶內環氧樹脂澆注支柱式全工況型產品,在額定頻率50Hz、額定電壓10kV及以下的電力系統作電流、電能計量或繼電保護使用,適用于中置式開關柜及其它型式的開關柜,本型號的產品還可根據用戶要求生產二、三繞組復變比結構。目前準確級有0.50.20.5S0.2S級,保護級10P1010P20等,另可以定制非標產品。

二、LZZBJ9-10A1GLZZBJ9-10B1LZZBJ9-10C1戶內電流互感器 結構及特點

LZZBJ9-10A, LZZBJ9-10B, LZZBJ9-10C型電流互感器由于采用了環氧樹脂全封閉澆注所以產品耐潮濕、耐污穢、尺寸小、重量輕,適合于任何位置、任意方向安裝。


三、LZZBJ9-10A1GLZZBJ9-10B1LZZBJ9-10C1戶內電流互感器 電流比

1、LZZBJ9-10額定絕緣水平:12/42/75kV
2
、負荷的功率因數:COSφ=0.8(滯后);
3
、 額定二次電流:5A1A;
4
、表面爬電距離:滿足II級污穢等級要求;
5
、產品標準:GB1208-2006《電流互感器》。
6
、儀表保安系數:FS10;
7
、 其它技術參數見表

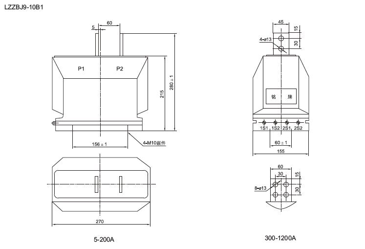
四、LZZBJ9-10A1GLZZBJ9-10B1LZZBJ9-10C1戶內電流互感器 外形及安裝尺寸

1、LZZBJ9-10A1G

2、LZZBJ9-10B1

3、LZZBJ9-10C1

五、LZZBJ9-10A1GLZZBJ9-10B1LZZBJ9-10C1戶內電流互感器 發展趨勢

由于電磁式電流互感器存在的易飽和、非線性及頻帶窄等問題,電子式電流互感器逐漸興起。電子式電流互感器一般具有抗磁飽和、低功耗、寬頻帶等優點。
國內具有代表性的電子式互感器有AnyWay變頻電壓傳感器AnyWay變頻電流傳感器和AnyWay變頻功率傳感器,其中,AnyWay變頻功率傳感器屬于電壓、電流組合式互感器。

該互感器的主要特點如下:
1
、采用前端數字化技術,光纖傳輸,電磁兼容性好。
2
、幅頻特性和相頻特性好,在寬幅值、頻率、相位范圍內均可獲得較高的測量精度。
3
、屬于數字式傳感器,二次儀表不會引入誤差,傳感器誤差就是系統誤差。

六、LZZBJ9-10A1GLZZBJ9-10B1LZZBJ9-10C1戶內電流互感器 型號說明

LZZBJ9-互感器型號 1000/5代表額定變比
10P30代表保護繞組,其意義是在30倍額定電流下二次的輸出電流誤差為+—10%
0.5為測量繞組精度,這個精計劃經濟具體要查規范
0.2S為計量繞組,計量的精度要求,小電流的時候誤差要很小,
30/30/30/20VA這個代表各繞組的額定容量,按理來說,CT二次容量越小,精度越高,所以計量繞組容量要小于正常的

七、LZZBJ9-10A1GLZZBJ9-10B1LZZBJ9-10C1戶內電流互感器 使用環境

安裝場所:戶內

環境溫度:最高+40℃,最低-5℃,日平均不能超過30℃;

海拔:不超過1500m

大氣條件:大氣中無嚴重污染;

八、LZZBJ9-10A1GLZZBJ9-10B1LZZBJ9-10C1戶內電流互感器 選型推薦:

LZZBJ9-10A1G LZZBJ9-10B1 LZZBJ9-10C1 LZZ(J)B6-10Q LZZBJ12-10A LZZBJ12-10B

LZZBJ12-10C LZZJ-10Q LZJC-10 LZJ8-10Q LQJ8-10Q LFS(Q)-10Q LA(J)-10Q LMZ(J)1-10Q

LAZBJ-10Q LFZB(J)8-10A2 LFZB(J)8-10B2 LDJ-10(Q)/210-L 、Y

LZZBJ9-10A1GLZZBJ9-10B1LZZBJ9-10C1戶內電流互感器 廠家-浙江中拓高壓電器簡介

浙江中拓高壓電器有限公司是一家主要從事研發、生產銷售110kV及以下戶內外高低壓互感器,鐵芯、絕緣件的專業廠家。公司的10-35kV戶內外互感器,銷遍全國各地,遠銷海外多個國家和地區,深受廣大用戶信賴和好評,10kV真空斷路器用互感器已成為國內柱上開關生產企業最優選擇合作單位。2007年自主研發的主推產品LZW32-10(12)型戶外保護用電流互感器,是目前國內同類型配套互感器主要生產商。

3d推荐最新最准专家预测 | 福彩3D独胆下期推荐预测 | 福彩3D独胆本期命中率 | 千禧3d试机号关注码金码试机号 | 3d就打一个胆中了多少钱 | 3d于海滨预测 | 詹天佑3d今日预测 | 3d今天预测最准确专家 | 3d最准预测专家推荐 | 3d于海滨上的今天预测保真 | 今晚三d推荐什么号码 | 3d太湖钓叟字谜汇总正版藏机图 | 3d乐彩走势图表 | 3d预测今日最新推荐 | 马后炮解3d字谜 | 3d真实的谎言字谜总汇正版 | 3d个位振幅走势图近50期 | 太湖字谜马后炮3d总汇 | 3d于海滨预测预测牛彩网 | 天齐网专家杀码大全 | 3d今晚100倍 万能三码的使用方法 | 3d专家今日推荐号码 | 3d和值基本走势 | 3d今晚出啥号| 于海滨3d今晚预测 | 3d开机号和试机号今天 今晚 | 3d开心毒胆独胆王 | 3d专家预测最准确最新今天 | 3d今天专家推荐号码 | 2014年359期3d焰舞字谜 | 3d今晚专家免费预测 | 千禧3d试机号关注码今天 | 3d太湖钓叟字谜三字诀乐彩论坛 | 太湖字谜三字诀汇总 | 3d武当玉女掌门一句定三码字谜 | 3d太湖字太湖字谜今天 | 今天晚上3d推荐号码 | 今天3d的开机号和试机号是多少号 | 于海滨一语定胆《保真》 | 3d专家直选最精准一注 | 今天专家推荐号码3d | 3d于海滨上的今天预测保真 | 今日3d最准开机号 | 詹天佑3d今晚预测号码 | 3d最准确的预测方法 | 3d今晚专家预测最准确一注 | 马后炮解3d太湖字谜总汇大全 | 今晚3d专家推荐号码 | 3d詹天佑预测汇总 | 今晚3d开奖号试机号 | 3d近30期试机号和开奖结果 | 今天3d专家预测汇总 | 3d太湖解字谜 | 3d专家预测于海滨 | 3d开机号和试机号金码关注 | 3d今晚专家预测推荐 | 3d开机号码近100期 | 3d预测今晚推荐号 | 今晚3d专家推荐号码是多少 | 3d基本走势图(专业版)近200期 | 今晚解太湖3d字谜 | 今日正版藏机图全部汇总239期 | 千禧3d关注码 | 3d开心毒胆独胆王 | 3d专家推荐最精准的号码 | 中国福彩3D独胆最新必中最新 | 于海滨3d预测号 | 3d最近1000期走势图表综合版图片 | 牛人高手【3d精选】 | 3d专家预测准确 | 3d通辽独胆王今天 | 3d今晚最准最新专家推荐号 | 今日3d直选一注 | 十拿九稳预测最准100% | 3d最准确的专家预测 | 3d百位单选振幅走势图 | 3d陈华今晚就赌一胆天齐网 | 太湖3d字谜今天的 | 3d预测最准专家 | 三地杀码高手 | 3d专家今天推荐号 | 今天3d开机号关注号试机号金码 | 3d预测一注号推荐 | 3d预测最准专家预测 | 詹天佑3d预测推荐 | 3d独胆是几| 今晚3d预测推荐一注 | 3d专家最精准的推荐 | 3d预测号码最准最新准专家预测号 | 3b千喜今天试机号关注金码 | 3d试机号今晚开机号 | 于海滨专家预测3d | 3d直选三注必中免费 | 3d今晚专家预测最准确一注 | 3d今晚上必出号推荐组 | 3d开奖号码结果 今晚 | 3d牛彩网试机号后专家预测汇总 | 3d牛彩网100期开机号和试机号 | 3d太湖字谜总汇大全 每天更新 | 今天3d专家预测号码 | 于海滨专家3d今天预测 | 3d预测专家最准最新 | 3d专家预测最准最新 | 3d之家北斗今日预测 | 3d中奖| 3d詹天佑最新预测今天 | 3d推荐号码今晚预测 | 3d今晚最精准一注一注 | 3d专家预测汇总牛彩网 | 3d北斗专家北斗预测今天079期3d | 今天的3d推荐号码是多少 | 3d恋预测今晚预测是哪里出的 | 2008年359期3d焰舞字谜 | 3d专家预测最新最准 | 3D独胆老师命中率 | 3d最准专家预测号 | 3d两胆王双胆必下 | 三d预测专家最新推荐 | 3d今天专家预测推荐号码 | 3d专家最新最准专家预测 | 3d直选历史遗漏查询 | 今天3d牛彩网专家预测 | 今天3d千禧试机号关注号金码号 | 3d今天开机号和试机号牛彩网 | 3d试机号后专家预测汇总 | 于海滨海3d预测保真 | 3d独胆一个 | 3D独胆大神杀号最新 | 3d今晚精选一注 | 3d最准预测专家汇总大全 | 于海滨海3d专家预测 | 3d今晚专家预测 | 今天3d太湖钓叟三字诀字谜 | 中国福彩3D独胆内部杀号 | 李明启3d预测最新号码 | 万能6码走势图 | 3d开机号试机号今天最新50期 | 3d开机号和试机号今天多少 | 天齐网3d杀码大全 | 3d于海滨预测预测牛彩网 | 3d近50期开奖号码 | 福彩3D独胆高手分析 | 3d试机号近10期彩经网 | 张克永3d预测今天 | 3d今晚专家预测推荐 | 3d藏机图正版藏机图汇总今天最新图片 | 今日期3d太湖字谜 | 三d之家独胆 | 三d独胆 | 于海滨专家预测 | 詹天佑最新预测 | 牛彩网3d预测汇总大全 | 3d预测最新最准专家 | 3d三胆推荐| 今天3d字谜3d一句定三码3d和值谜 | 3d詹天佑3d预测 | 3d今日预测推荐号 | 唐龙点评3d预测今天 | 3d牛彩图谜字谜总汇九 | 3d专家预测于海滨 | 藏机图3d正版总汇 | 三d走势图基本走势图彩宝网 | 3d最准专家预测号 | 福彩3D独胆下期走势最新 | 千禧3d试机号金码关注码今天 | 3d开机号和试机号近100期列表 | 牛彩网3d专家预测汇总 | 近30期3d开机号和试机号 | 今晚3d专家预测汇总 | 辉煌看胆双胆3d | 于海滨3d预测今天 | 3d专家预测号码最准确 | 3D独胆高手杀号 | 3d专家预测最准确最新汇总对应码 | 3d天中杀码图专区 | 乾坤三天计划独胆预测 | 3d预测专家最准确 | 3d千禧试机号金码关注码对应码 | 近100期3d开机号和试机号 | 3d多少钱一注 | 3d推荐最新最准专家预测 | 3d最准预测专家汇总大全 | 3d预测最准确的专家预测软件 | 3d 今天 试机号开机号3 | 3d走势图带连线牛彩网 | 3d预测今晚最新最准确 | 最准一个毒胆 | 3d太湖老情人字谜图谜 | 3d中奖| 福彩3D独胆最新走势最新 | 3d于海滨上的今天预测保真 | 3d武当玉女掌门一句定三码字谜 | 3d直选三注 | 今于海滨3d杀码 | 于海滨杀码今天最新版 | 今日3d预测号码推荐 | 开心笨小孩3d独胆 | 3D独胆大神杀号最新 | 3d今晚精选预测一注 | 今日期3d太湖字谜 | 3d开心毒胆独胆王 | 于海滨海3d预测保真 | 3d最准确预测专家 | 李白看3d独胆绝20 | 中国福彩3D独胆下一期预测最新 | 3d跨度金木水火土五行走势图 | 福彩3D独胆实时走势 | 3d北斗专家北斗预测今天079期3d | 詹天佑3d最新预测今天 | 3d今晚最准专家预测号码 | 今日3d专家预测号码推荐 | 3d直选一注必中 | 3d预测专家最准最新 | 3d预测最准的专家 | 3d独胆王定位独胆定位 | 3d独胆双胆3d之家 | 最新3d预测专家预测 | 3d专家最新最准专家预测 | 3d机选一注 | 今天3d马后炮解太湖字谜汇总 | 3d十大专家双胆预测汇总 | 3D独胆团队精准预测最新 | 3d七码复式最准专家 | 3d彩吧图库手机牛彩网 | 3d金胆王| 3d谜语太湖钓叟3d谜语今天 | 3d专家推荐 | 3d今晚最精准一注一注 | 3d解太湖字谜汇总 | 3d最准一个独胆方法 | 3d开机号和试机号是多少 | 太湖钓叟三字诀字谜更新 | 唐龙3d预测今日出号点评 | 3d独胆专家推荐独胆 | 3d藏机图正版藏图汇总大全 | 3d独胆双胆3d之家 | 今天3d开机号和试机号全部 | 詹天佑最新预测3d | 3d精准预测最准的专家直选 | 3d断组今晚全部 | 3D独胆今晚预测 | 3d今天专家预测推荐号码 | 3d预测专家汇总预测 | 3d专家预测最准确今天 | 排五开机号试机号今天查询 | 3d试机号和开机号牛彩网 | 3d字谜太湖字 | 3d今日专家精准推荐号 | 今晚的3d试机号是多少 | 3d专家最新最准预测 | 3d个位振幅走势图近50期 | 3d预测最准的专家预测 | 福彩3D独胆老师杀号最新 | 唐龙一胆 | 3d今晚必出一注100%准确直选推荐 | 今晚最准的一注3d | 今晚3d预测总汇 | 3d独胆双胆 | 今天3d藏机图正版藏机图藏机图太湖横屏 | 福彩3D独胆独家预测最新 | 于海滨3d预测天齐网 | 3d预测专家最准确的专家预测昨天 | 3d鬼手字谜和谜 | 3d预测最准确专家预测 | 今晚3d专家预测汇总 | 3d北斗专家北斗预测今天079期3d | 今日3d太湖字谜三字诀排三开奖结果 | 牛彩网3d专家预测汇总 | 3d试机号3d之家金码 | 家彩专门提供3d试机号开机号 | 三天计划胆十组合 | 3d今天专家预测最准确 | 3d杀码专家杀码天齐网 | 今日正版3d藏机图汇总 预测 | 千禧今晚3d试机号关注码金码对应 | 今天最新3d开机号试机号 | 3d专家预测最准确最新今天牛彩 | 3d和值尾振幅走势图3d之家 | 今天3d专家预测号码 推荐 | 3d精准预测最准的专家直选 | 3d今晚推荐号 | 3d于海滨预测预测牛彩网 | 3d预测总汇 | 小红人的三天计划今天是什么 | 3d直选三注必中免费 | 专家推荐一注6+1 | 小红人的三天计划今天是什么 | 三d独胆| 3d双胆独胆非常非常稳定 | 3d直选历史遗漏查询 | 于海滨三地杀码 | 3d今晚专家预测最准确号码 | 3d詹天佑最新预测 | 玩彩独胆王三天计划 | 今日3d太湖字谜三字诀排三开奖结果 | 太湖马后炮3d钓叟字谜 | 3d十大专家杀一码汇总 | 太湖钓叟三字诀字谜更新 | 3d预测专家最准最新 | 3d最新最准专家预预测 | 3d老虎独胆 | 精准3d独胆 | 3d专家预测推荐号码 | 3d千禧开机号试机号关注金码对应码 | 排五预测专家预测 | 3d开机号码试机号牛彩网 | 今天3d开机号和试机号多少? | 3d今晚开奖号码走势图 | 3d专家杀码 | 3d专家最新最准专家预测 | 三d牛彩网开机号试机号是多少 | 3d免费专家预测推荐今天最新 | 陈华今晚独胆特别关注 | 唐龙点评3d预测今天 | 今晚3d开奖号走势图 | 3d计算公式精准100%计算 | 于海滨3d预测牛彩网 | 助赢计划软件官网版下载 | 于海滨3d预测牛彩网 | 3d预测最准的专家预测 | 3d试机号后专家预测汇总 | 3d今晚最准最新专家推荐号 | 于海滨点评专家一语定胆保真版 | 今日3d钱王点评 | 于海滨海3d专家杀码 | 3d最精准的专家预测精选 | 3d最准确的专家预测 | 千禧试机号金码关注码的历史记录 | 3d今晚最准专家推荐号码 | 今晚3d号码开奖结果多少 | 3d杀码高手| 于海滨最新预测今天 | 今晚3d预测推荐一注 | 北斗3d今日专家预测推荐 | 于海滨3d预测牛彩网 | 3d最精准专家预测汇总今天 | 3d彩宝贝字谜 | 今晚3d预测开奖号码推荐 | 3d专家今天推荐号 | 3d预测号码最准确专家预测 | 3d预测最准最新准专家预测 | 3d今天推荐号码是多少 | 3d个位振幅走势图近50期 | 3d预测最准确的专家预测软件 | 三d预测专家预测今天最新 今于海滨3d预测 | 三天计划独胆牛人 | 3d今晚上开奖号码 | 预测今晚3d一注 | 3d太湖一语定胆字谜 | 3d邻孤传复隔中走势图 | 3d彩界精英独胆双胆 | 3d试机号开机号关注号金码 | 今天太湖字谜三字诀是什么 | 3d和值尾振幅走势图专业版 | 3d独胆二天计划 | 3d今天开机号试机号是几 | 今于海滨3d预测今天 | 3d今晚必中一注一注 | 排3藏机图正版藏机图今天 3d八哥图库总汇d字谜图谜总汇大全 | 3D独胆最新分析 | 老炮子3d直选三注 | 3d铁人包星定胆天齐网 | 3d开机号近200期历史记录 | 3d万能四码走势图表 | 三d十拿九稳预测号码 | 3d千禧金码试机号关注码开奖号 | 3d今晚试机号是多少 | 今日3d专家预测号最准确 | 3d跨度五行走势图3d之家 | 3d精选号码推荐今天最新 | 3d预测专家推荐号码 | 3d今晚专家预测 | 今晚3d的开奖号码结果 | 3d于海滨预测预测牛彩网 | 3d旧版基本走势图表 | 3d基本走势图综合 | 牛彩网3d专家预测汇总摘要 | 3d十大专家双胆预测汇总 | 今天3d开机号试机号码 | 3d预测最准确的专家预测软件 | 排五专家预测精准 | 十拿九稳今天预测专家 | 3d专家预测最新推荐 | 今天的3d太湖字谜 | 3d预测专家汇总预测 | 今日3d字谜一句定三码和值谜定1 | 唐龙一胆 | 今天太湖字谜3d字谜太湖钓叟 | 3d 今天 试机号开机号3 | 今天3d开机号试机号码 | 于海滨三地杀码 | 福彩3D独胆下一期推荐 | 马后炮解3d太湖钓叟字谜总汇大全 | 今晚3d预测号 | 3d必中永久直选500注大底 | 排五专家预测精准 | 3d计算公式精准100%计算 | 今日3d太湖字谜三字诀试机号 | 今晚3d专家推荐号码 | 3d最新专家预测汇总大全 | 3d辽宁独胆王 | 今晚3d开奖直选结果 | 3d双胆预测 | 3d詹天佑最新预测 | 专家彩宝贝预测汇总 | 3d今日专家推荐号 | 3d今晚上专家推荐号 | 飞向阳光龙头凤尾今天最新消息 | 3d精准预测专家预测 | 3d下期预测最准一注 | 3d预测今日最新推荐 | 3d推荐号今晚专家预测 | 北斗3d今日专家预测推荐 | 今天3d藏机图正版藏机图藏机图太湖横屏 | 3d专家预测最准最新今天 | 3d 今日太湖字谜 | 3d今晚专家免费预测 | 3d牛彩网100期开机号和试机号 | 3d买一个独胆中了得多少钱 | 福彩3D独胆团队分析最新 | 3d今日预测最准专家预测 | 3d最准确预测专家 | 天齐网专家杀码大全 | 3d今晚预测最准确一注 | 今天太湖钓叟3d字谜三字诀 | 3d今天专家推荐号码 | 3d千禧试机号金码关注码 | 3d彩报图今天图库彩吧 | 3d专家詹詹天佑最新推荐 | 3d专家预测汇总 | 于海滨精准杀码图 | 3d今晚专家看独胆 | 3d最新基本走势图表 | 排五预测最准专家 | 3d最准确最新专家预测 | 3d于海滨上的今天杀码 | 3d今晚字谜太湖字谜是什么 | 3d开机号和试机号金码关注 | 3d万能大底共250注直选 | 福彩3D独胆下期走势最新 | 福彩3D独胆明日分析最新 | 3d今天预测最准确专家 | 3d八哥图库总汇d字谜图谜总汇大全 | 3d北斗专家北斗预测今天079期3d | 3d今晚专家预测推荐号 | 3d近300期试机号和开奖号码 | 今天3d专家推荐号 | 陈华今晚就赌一个胆预测 | 3d字谜太湖解字谜 | 3d字图谜总汇 | 3d今晚预测直选一注3d一注预测 | 今天3d开机号和试机号码是多少 | 3d直选一注预测 | 3d恋预测今晚预测是哪里出的 | 三d独胆 | 3d手机预测牛彩网 | 3d最小值振幅走势图3之家 | 3d今晚预测最新最准确号码牛彩网 | 3d预测专家最准确的专家预测今晚 | 福彩3D独胆老师杀号最新 | 最准杀码王p3 | 于海滨专家一语定胆十每日 | 3d今天开机号和试机号码牛彩网 | 3d绝杀二码今天最新更新内容 | 福彩3D独胆明日分析最新 | 3d免费专家预测推荐今天最新 | 3d试机号今天开机号查询 | 3d李明启预测号 | 3d最准确预测专家 | 顶级胆神双胆必下 | 3d太湖字谜大全 太湖钓叟 | 3d千禧金码试机号关注码 | 太湖钓叟3d字谜太湖字 | 今天3d试机号和开机号 | 3d红波蓝波走势图大中小 | 3d推荐号今晚专家预测 | 3d专家预测最准确最新今晚预测 | 3d走势图基本走势 | 今晚3d推荐号| 牛彩网杀码图汇总 | 3d最准确的专家预测 | 3d今天开机号和试机号金码对应码 | 3d今日牛彩网 | 3d千禧开机号试机号关注金码对应码 | 3d百个差振幅走势图近100期 | 3d今天推荐号码是多少 | 3d今晚推荐号码最新 | 今晚3d直选推荐 | 今日钱王给胆点评 | 3d牛哄哄解太湖字谜今天 | 3d真帝王杀码图 | 3d今天最准专家预测 | 3d预测最精准一注 | 最准的3d专家预测 | 3d专家预测最准确 | 今天最新3d开机号试机号关注码 | 3d静态版预测静态版 | 一名将3d双胆预测 | 詹天佑3d最新预测今天 | 今天3d试机号开机号是什么 | 中国福彩3D独胆团队命中率最新 | 于海滨今天3d预测 | 唐龙一胆今天最新 | 3d十大专家汇总精选一注 | 福彩3D独胆大神精准预测最新 | 3d双胆最准100% | 3d专家推荐最精准的号码 | 今于海滨3d预测今天牛彩网 | 3d开机号和试机号今天多少 | 3d预测推荐汇总牛彩网采摘收集 | 3d基本走势图综合 | 3d百位单选振幅走势图 | 3d预测一注推荐 | 3d太湖钓叟字谜三字诀乐彩论坛 | 中国福彩3D独胆当天预测最新 | 3d 今天 试机号开机号3 | 3d直选一注50倍单挑 | 3d牛彩网字谜图谜总汇九 | 3d最新准专家预测 | 3d直选一注50倍单挑 | 3d专家推荐最精准的号码 | 3d预测 下一期 3d预测专家 3d预测 | 于海滨一语定胆专家点评 | 于海滨预测3d号 | 3d牛彩网今天开机号试机号 | 詹天佑3d今天最新预测 | 3b千喜今天试机号关注金码 | 3d正版藏机图天齐网汇总 | 3d最准预测专家推荐 | 3d今天开机号和试机号是多少 | 3d中间号走势图振幅走势图 | 3D独胆大神分析 | 天齐网3d必中两胆今天 | 2012099期3d开奖结果 | 三d牛彩网开机号试机号是多少 | 孟庆会老师3d预测彩吧图库今天 | 牛彩网3d专家预测汇总 | 齐彩网3d专家预测 | 3d今天专家预测最准确 | 今于海滨3d杀码图24210 | 2025长期守号最佳5注推荐 | 3D独胆专家精准预测最新 | 今天彩报中心 3d图库 | 3d单选一注能中多少钱 | 排三专家杀码 | 3d直选一注必中 | 3d今天专家推荐号码 | 唐龙一胆 | 3d今晚专家推荐预测重点号码 | 三d试机号后专家预测汇总 于海滨专家3d今天预测 | 十拿九稳预测分析 | 于海滨最新预测今天 | 3d下期预测最精准的一注号码 | 3d预测最准最新准专家预测号码 | 牛彩网3d预测汇总 | 3d预测最准确的专家预测软件 | 3d开机号和试机号金码关注对应码 | 牛彩3d网首页 | 3d今晚开奖结果走势图 | 3D独胆实时必中最新 | 3d军长独胆定位 | 3d最近1000期走势图表综合版图片 | 3d最准专家预测号今晚3d试机号 | 3d近30期开机号试机号开奖号查询 | 今晚最准一注3d | 3d最准专家预测号 | 3d预测今晚最准专家预测号码 | 3d胆王专家定十位 | 3d预测杀码 | 3d太湖字太湖字谜 | 3d今天专家推荐号码 | 太湖3d字谜图谜总汇 | 今日3d蓝仙子一句定三码字谜 | 于海滨3d预测专家今天 | 于海滨今天杀码3d | 3d预测最准专家预测号码 | 于海滨杀码图今天最新 | 今天3d字谜3d一句定三码3d和值谜 | 3d牛彩网专家预测 | 铁人铁胆3d定位包星预测 | 看彩大亨最新独胆预测 | 3d预测专家最准确的专家预测 | 3d开机试机号金码号关注号 | 3d今晚必中一注 | 3d藏机图正版藏机图诗汇总 | 今日太湖字谜3d字谜太湖钓叟 | 神仙姐姐今天最新杀码 | 今天3d的开机号和试机号是多少号 | 3d杀码图汇总牛彩网 | 今日3d专家预测总汇 | 3d今晚最准的一注 | 3d今晚最准专家推荐号码 | 福彩3D独胆下一期走势最新 | 彩吧3d开机号 | 3d跨度五行走势图3d之家 | 三地千禧关注码试机号 | 十拿九稳预测专家分析 | 于海滨海3d预测免费每日精选3d开奖号 | 三d独胆王独胆双胆 | 千禧试机号关注号金码是什么 | 于海滨今日预测号 | 3d今天的试机号和开机号 | 3d预测最准确专家 | 千禧3d试机号关注码今天 | 福彩3D独胆下期推荐必中 | 3d今天试机号开机号关系 | 今日3d专家推荐号码 | 中国福彩3D独胆今日精准预测 | 3D独胆明日推荐最新 | 3d个位走势图表 | 3d之家北斗今日预测 | 专家预测3d号码准确 | 3d预测一注推荐 | 3d中国独胆王今天 | 3d组选中一注多少钱 | 3d预测最准专家预测牛彩网 | 3d今日预测最准专家预测 | 3d今晚惊天一注预测 | 试机号千禧关注金码 | 3D独胆今晚命中率 | 3d基本走势综合图 | 3d今日专家推荐号 | 3d杀码专家杀码 | 3d太湖钓叟字谜汇总正版藏机图 | 独胆三天计划 | 福彩3D独胆下期走势最新 | 今天3d太湖钓叟字谜三字诀 | 今天3d专家推荐重点号码 | 今天3d推荐号码今晚预测 | 3d最精准专家预测汇总今天 | 3d于海滨上的今天杀码 | 3d专家预测更准确今天 | 3d铁人包星定胆天齐网 | 3d晶晶必下一独胆今天 | 苦命人3d推荐一注 | 3d独胆双胆专家预测网 | 3d今天最准专家预测 | 3d今晚预测最准确一注今天 | 3d试机号后专家预测汇总手机网 | 3d太湖字谜官网 | 3d预测分析 | 3d预测最准确专家预测牛彩网 | 今日三地开奖码 | 3d每天一个独胆 | 3d今晚精选预测一注 | 3d两胆精准预测 | 唐龙一胆今天最新 | 3d开机号和试机号今天查询 | 3d今晚专家推荐号 | 3d专家推荐预测号 | 3d预测推荐汇总牛彩网采摘收集 | 天齐网专家杀码大全 | 千禧3d试机号金码关注码杀码今天3d | 高手看3d经典独胆组合 | 3d必中永久直选500注大底 | 3d试机号开机号今天最新 | 牛彩网p3专家预测汇总 | 今天3d开机号和试机号查询结果彩吧 | 3d最新专家预测推荐 | 太湖钓叟排三字诀字谜 | 3d今晚最准最新专家推荐号 | 3d百十和尾振幅走势图走势 | 今天3d开机号和试机号全部 | 排三十拿九稳今天预测 | 3d预测总汇手机牛彩网 | 3d今晚和值字谜 | 小薇3d预测今天推荐 | 3d太湖字谜大全 太湖钓叟 | 3d胆王双胆独胆 | 3d预测最准确的专家 | 3d预测专家最准确的专家预测今晚 | 3d今天专家预测号码 | 今晚3d推荐号 | 千禧试机号关注号金码是什么 | 3d正版藏机图总汇全图 | 3d最全晚间字谜汇总大全 | 3d开机号试机号今天的 | 3d经典小胆王 | 手机牛彩网3d预测 | 3d最精准的专家预测 | 3d今天开机号 试机号查询 | 3d专家杀码天中图库 | 3d太湖字谜三字诀 | 3d最准专家预测号今晚3d试机号 | 3d晶晶必下一独胆今天 | 试机号后牛彩网专家预测3d | 3d陈华今晚就赌一胆o11预测 | 3d预测专家推荐号码推荐 | 3d今晚最精准专家 | 3d今晚预测 | 3d预测最准确的专家预测软件 | 3d精准预测最准的专家直选 | 3d独胆必下 | 今日3d专家推荐号码 | 专家精准预测3d号 | 今晚3d出的什么号 | 神仙姐姐今天最新杀码 | 于海滨今日杀码图最新 | 3d太湖钓叟字谜三字诀论坛 | 3d真实的谎言正版和值字谜 | 3d精准预测推荐 | 唐龙一胆今天最新 | 三d预测专家最新推荐 | 福彩3D独胆老师必中最新 | 3d今天晚上预测最准专家 | 今天3d开机号和试机号多少 | 3d专家最新最准专家预测汇总 | 福彩3D独胆下一期命中率最新 | 3d马前屁解太湖字谜 | 3d预测专家最准确的专家预测 | 3d选5个号多少钱 | 3d专家最新最准预测 | 3d今于海滨杀码图 | 排五奖号 | 3d今于海滨杀码图 | 孟庆会老师3d预测今天 | 3d紫云涧专家预测推荐 | 3d今天专家推荐号码推荐 | 于海滨3d杀码 | 3d和值牛彩网 | 3d直选走势图(专业版) | 三d预测专家最新推荐 | 3d开机号,试机号,金码号,对应码100 | 今日3d开奖号码是多少? | 于海滨一语定胆 | 天天彩于海滨海3d最新预测 | 3d预测专家推荐最准确 | 开机号试机号3d今天 | 今晚3d预测开奖号码推荐 | 今天3d牛彩网专家预测 | 3d最准一注号码 | 3d和值基本走势图表 | 千禧试机号及金码 | 金银胆神金胆银胆的最新消息 | 3d牛彩网专家预测 | 试机号后牛彩网专家预测3d | 小红人的三天计划今天是什么 | 3d直选100%中奖绝技软件 | 3d独胆双胆独胆3d之村 | 于海滨海3d专家预测 | 3d布衣独胆王 | 3d十大专家推荐号码汇总 | 于海滨预测3d | 于海滨专家3d预测 | 今晚3d专家最精准的预测 | 天齐网专家杀码大全 | 3d今晚专家预测最准确一注 | 排三今晚推荐号 | 今晚3d推荐号 | 三d预测最准十专家预测今晚 | 今日3d专家预测号码推荐 | 3d太湖专家预测今晚 | 3d 今日太湖字谜 | 3d今天中了多少注直选 | 三d字谜图谜总汇牛彩网 | 3d专家预测最准确今天南方双彩网 | 3d北斗专家北斗预测今天079期3d | 詹天佑预测3d | 3d今晚开奖结果走势图 | 看彩大亨看独胆双胆预测 | 3d今天开机号试机号对应码关注码 | 3d今天开机号试机号是几 | 十拿九稳的最新预测 | 3d十大专家精准预测汇总 | 3d今晚专家预测最准确一注 | 今晚3d天宇一句定三码字谜 | 于海滨3d预测号 | 3d个位走势图振幅 | 3d专家预测独胆最准确 | 3d专家预测最准确今天上一期 | 3d千禧试机号金码关注码 | 3d今晚专家推荐号 | 3d开机号试机号近100期开奖号码 | 于海滨杀码图天齐网 | 3d晚秋和值谜字谜图 | 3d和值尾振幅走势图200期 | 福彩3D独胆内部杀号 | 3d断组预测| 于海滨一语定胆 | 3d预测最准确的专家预测软件 | 今日正版3d藏机图全部汇总 | 3d最准一注(单挑王) | 3d今日预测最准专家预测 | 3d近30期开机号试机号开奖号查询 | 于海滨3d最新预测 | 3d今晚推荐号 | 3d免费专家预测推荐今天最新 | 三d牛彩网开机号试机号是多少 | 3d詹天佑3d预测 | 3d最准专家预测方法 | 今天的3d开机号和试机号查询 | 3d专家预测更准确今天 | 3d条件预测专家专区 | 3d近30期开奖结果 | 3d推荐牛彩网 | 3d彩吧试机号今天最新 | 三d预测专家预测今天最新 3d专家预测最准最新今天 | 千禧3d试机号金码今天关注码对应码 | 三d之家独胆 | 3d藏机图正版藏机图太湖字谜 | 3d今天专家预测号码 | 千禧开机号试机号关注号金码杀码 | 铁娘子三天计划独胆必下300 | 于海滨杀码图天齐网 | 3d今晚专家预测最准确一注 | 3d专家预测最准确今天 | 三d胆| 铁人铁胆定位包是预测 | 福彩3D独胆明日精准预测 | 3d预测最准确的专家 | 两天双胆计划王 | 三d走势图基本走势图彩宝网 | 3d开奖号走势图表 | 3d今晚必出号预测 | 3d专家于海滨 | 3d专家最新最准专家预测汇总 | 3d上下五千年专家预测 | 今天3d定位字谜二 | 北斗3d今日专家预测推荐 | 福彩3D独胆下期推荐最新 | 无敌胆王今日双胆 | 于海滨3d最新预测 | 3d预测最准的专家预测 | 3d直选100%中奖绝技 | 今晚的3d试机号是多少 | 唐龙一语定胆3d今天 | 3d村独胆双胆 | 3d今天专家推荐号码推荐 | 3d紫云涧专家预测推荐 | 3d至尊计划独胆 | 小财神三天计划独胆必下 | 3D独胆下期最新预测 | 今天十拿九稳号码预测 | 3d天宇和值谜字谜一句定三码 | 3d免费预测 | 今晚3d专家预测精选一注 | 3d太湖钓叟字谜三字 | 于海滨海3d预测免费每日精选3d开奖号 | 3d预测最新最准3d之家 | 3d藏机图正版藏机图打印版 | 彩坛老顽童3d独胆 | 3d和值尾金木水火土走势图 | 3d最新最准预测号码 | 3d近30期开奖结果 | 今晚3d预测号 | 3d今天最新最准专家预测最 | 于海滨一语定胆专家点评 | 3d百位走势图带连线图表专业版 | 3d今天断组预测 | 3d 今日太湖字谜 | 3d太湖一语定胆字谜 | 3d预测今日最新推荐 | 3d专家预测推荐号最新 | 3d预测号码最准最新准专家预测号 | 3d免费专家预测推荐今天最新 | 唐龙3d预测号 | 3d十大专家双胆预测汇总 | 3d十大专家预测汇总 | 福彩3D独胆下期推荐预测 | 3d最精准专家预测汇总今天 | 3d天齐网最准预测 | 十拿九稳专家最新预测 | 3d今晚试机号开奖号 | 3d北斗专家北斗预测今天079期3d | 于海滨3d预测免费每日精选 | 3d预测最准的专家预测 | 于海滨点评专家一语保真 | 3d孔方来萃解太湖字谜 | 3d最准专家预测号今晚3d试机号 | 稳准狠三天计划 | 3d直选形态走势图彩宝网 | 3d红波蓝波走势图大中小 | 3d和值和尾振幅走势图 | 于海滨3d免费预测最新的 | 3d预测最准最新准专家预测号码 | 太湖3d字谜太湖钓叟三字诀 | 3d专家预测最准 | 今天最新3d开机号试机号 | 3d最新专家预测推荐 | 太湖3d字谜图谜总汇 | 3d独胆双胆专家预测网 | 于海滨3d预测免费 | 3d杀码高手| 3d最精准专家预测汇总今天 | 3d走势图和值振幅 | 解今日太湖3d字谜 | 3d彩吧试机号今天 | 3d今晚推荐号码最新 | 千禧开机号和试机号对应金码 | 无敌胆王独胆双胆 | 3d专家预测最准最新 | 中国福彩3D独胆最新推荐 | 3d今天开机号和试机号开奖结果 | 3d推荐号今日预测 | 3d试机号开机号关注号金码 | 3d最准确的专家预测 | 詹天佑3d最新消息今天 | 3d最精准的专家预测 | 神仙姐姐杀码今天的 | 3d百位走势图带连线图表专业版 | 今天3d牛彩网专家预测 | 超级毒胆 | 3d预测专家推荐号码 | 3d专家推荐最新预测 | 张克永3d预测今天 | 3d千禧开机号和试机号码 | 今天的3d太湖字谜 | 今日排五专家推荐与预测 | 今天3d推荐号码今晚预测 | 3d于海滨一语定胆今天 | 今天3d藏机图正版藏机图藏机图太湖横屏 | 3d最大值振幅走势图3之家 | 3d独胆预测 | 3d预测专家最准确 | 今日期3d太湖字谜 | 昨天3d开奖号是多少 | 3d多少钱一注 | 3d专家预测最准确最新今晚预测 | 今日钱王给胆点评 | 3d直选综合走势图表 | 于海滨点评专家一注定胆保真版162期 | 3d预测最准确的专家预测软件 | 3d和值和尾走势图带连线图表 | 三d试机号后专家预测汇总 于海滨专家3d今天预测 | 3d预测最准的专家 | 3d预测最准确的专家 | 3d杀码一定牛 | 千禧开机号试机号关注号金码杀码 | 排五奖号 | 3d太湖字谜官网 | 最准3d专家预测推荐 | 3d独胆双胆专家预测网 | 3d今天专家预测最新最准 | 3d预测最准确的专家预测软件 | 3d今日预测最准专家预测 | 今日精准预测推荐3d号码 | 3d独胆王今天 | 太湖解太湖3d字谜 | 3d预测今晚最准专家预测号码 | 3d独胆之家 | 玩胆先生今晚双胆 | 今晚3d开奖号走势图 | 3d专家最新最准预测 | 3d于海滨上的今天预测保真 | 于海滨专家一语定胆十每日 | 北斗3d今日专家预测推荐 | 福彩3D独胆下期杀号最新 | 今天三字诀太湖字谜 | 今晚3d试机号码和开机号 | 今天3d开机号和试机号码结果查询 | 专家推荐最热一注是什么 | 3d条件预测专区牛彩网 | 3d精准预测最准的专家直选 | 3d试机号近10期(模拟) | 今天晚上3d推荐号码 | 今日精准预测推荐3d号码 | 3d单个冷号最大遗漏 | 今于海滨3d预测今天牛彩网 | 十拿九稳今天预测专家 | 3d预测汇总晚间 | 3d今天专家预测号码 | 三d预测专家最新推荐 | 3d预测专家汇总预测 | 3d藏机图正版藏机图太湖字谜 | 十拿九稳专家预测专栏 | 3d组选中一注多少钱 | 3d今天开机号和试机号牛彩网 | 3d各路专家预测汇总大全最新 | 福彩3D独胆实时杀号 | 3d今日专家推荐 | 千禧3d开机号试机号金码 | 3d专家预测最准确最新新闻 | 3d绝杀二码今天最新更新内容 | 3d近30期开机号试机号牛彩网 | 千禧3d试机号关注码金码试机号 | 千禧开机号和试机号对应金码 | 三地杀码高手 | 3d最准预测专家预测大 | 廊坊鸿运3d最新预测 | 3d预测一注精准 | 3d免费预测 | 今晚3d推荐号 | 3d开心毒胆独胆王 | 詹天佑3d今晚预测号码 | 3d字谜历史记录 | 3d推荐号码今晚预测 | 今天3d开机号试机号对应码列表 | 3d均值振幅走势图表图 | 今晚了3d开奖结果 | 3d今天千禧试机号关注号金码 | 于海滨杀码今天最新版 | 3d百十个位杀码家彩网 | 陈华3d今晚赌独一胆天齐网 | 3d今晚专家预测推荐 | 3d十大专家汇总精选一注 | 千禧p3试机号关注号金胆对应号 | 3d双胆独胆必下一 | 3d专家预测推荐号码最准最新 | 于海滨海3d专家预测今天 | 3d最大值走势图彩经网 | 3d预测最准确专家预测牛彩网 | 3d试机号后专家预测汇总手机网 | 今晚开奖号码3d开奖结果 | 今日3d预测 | 福彩3D独胆老师精准预测最新 | 福彩3D独胆老师精准预测 | 3d推荐号今晚专家预测最准确 | 3d今天的试机号开机号是多少 | 3d专家预测推荐号码 | 3d彩报图今天的第五版 | 3d双胆大师 | 3d专家预测汇总 | 3d太湖历史字谜 | 今晚3d开奖号是多少 | 詹天佑3d今日预测 | 3d预测最准确的专家 | 3d今晚预测100% | 3d专家预测号 | 3d今日专家推荐号 | 今晚3d专家推荐号 | 詹天佑今天3d推荐 | 3d预测今晚推荐号 | 福彩3D独胆独家命中率最新 | 今晚3d的开奖号码结果 | 3d今晚专家推荐 | 今天买哪三个号码好 | 3d千禧试机号关注码金码今天晚 | 3d号码预测和推荐号今天 | 3d字谜太湖钓叟三字诀17500 | 沈宝桢个人简历 | 3d字谜今日字谜总汇 | 3d开机号和试机号金码今天的 | 今日钱王给胆点评 | 今晚3d开奖号走势图 | 中国福彩3D独胆今日精准预测 | 排五近100期开奖号结果 | 福彩3D独胆老师必中 | 3d预测最准的专家预测 | 3d今天开机号试机号100期 | 今天的3d太湖字谜图 | 至尊计划王三天计划独胆 | 3d双胆独胆推荐 | 3d预测专家最准确 | 3d预测号码最准最新准专家预测号 | 3d开机号和试机号今天 今晚 | 3d独胆双胆专家预测网 | 3d专家今天推荐号 | 3d今晚专家推荐预测重点号码 | 今天最新3d开机号试机号关注码 | 3D独胆内部精准预测 | 今晚三d推荐什么号码 | 3d毒毒毒胆胆胆中中中 | 今晚上3d开奖号码 | 3d推荐号 | 于海滨三地杀码 | 3d开机号今天近100期南方查询 | 3d北斗专家北斗预测今天079期3d | 财神爷独胆三天计划,就这么牛 | 牛彩3d网首页 | 试机号千禧关注金码 | 3d预测号码最准确专家预测 | 3d千禧试机号开机号金码 | 快8今晚最毒胆推荐 | 3d今晚惊天一注预测 | 3d今日专家精准推荐号 | 太湖字谜太湖钓叟三字诀 | 于海滨杀码今天最新版 | 3d预测专家汇总预测 | 3d试机号后专家预测汇总 | 3d必中永久直选500注大底 | 于海滨海3d预测免费每日精选3d开奖号 | 3d条件预测专家专区 | 3d十大专家汇总精选一注 | 3d三胆预测 | 詹天佑今日3d预测 | 千禧开机号试机号关注号金码杀码 | 3d专家预测最准双胆 | 3d免费精准直选三注 | 3d预测专家最准确的专家预测今晚 | 3d预测最准确的专家 | 3d专家解太湖字谜汇总 | 3d最准预测专家预测汇总 | 3d预测 下一期 3d预测专家 3d预测 | 3d试机号后专家预测推荐汇总 | 3d今天最新最准专家预测最 | 小胆神玩毒胆我3d | 3d独胆双胆3d之家 | 3d近15期开奖号码结果 | 今于海滨3d预测今天牛彩网 | 于海滨海3d预测保真 | 3d洞庭湖水今日预测分析 | 3d最新专家预测汇总大全 | 张克永3d预测今天 | 3d晚间字谜总汇大全 | 今天的3d太湖字谜图 | 3d今日预测最准专家预测 | 3d试机号后专家预测推荐汇总 | 3d推荐号今晚专家预测 | 排五开奖最新结果排5 | 3d上下五千年专家预测 | 3d最准预测专家推荐 | 3d湘西胆王今日字谜 | 今晚3d开机号试机号金码 | 3d杀码预测| 3d今晚的独胆 | 于海滨3d预测牛彩网 | 千禧3d试机号关注码金码今天的 | 3d千禧金码试机号关注码开奖号 | 家彩专门提供3d试机号开机号 | 3d今晚惊天一注预测 | 3d专家最准确预测 | 于海滨3d杀码图145 | 3d推荐号今晚专家预测最准确 | 3d专家预测最准确最新汇总 | 3d今晚上必出号 | 3d预测最准专家 | 3d于海滨上的今天预测 | 3d十大专家汇总精选一注 | 3d今晚必出号预测 | 于海滨3d预测号 | 3d试机号后专家预测推荐汇总 | 千禧3d试机号金码今天关注码对应码 | 千禧试机号金码关注码的历史记录 | 3d最准预测 | 3d十大专家杀跨度汇总 | 3d今天专家预测推荐号码 | 3d专家预测最准确最新今天牛彩 | 今晚开奖号码3d开奖结果 | 今晚3d预测推荐一注 | 北斗3d今日预测 | 于海滨杀码图今天最新 | 3d预测最准确专家预测牛彩网 | 于海滨海3d预测牛彩网 | 今晚3d预测号 | 3d开机号,试机号,金码号,对应码100 | 三字诀太湖三字诀字谜 | 十拿九稳预测最准100% | 3d今晚专家推荐号 | 3d今天试机号开机号金码 | 3d今天专家预测最新最准 | 3d最新专家预测推荐 | 中国福彩3D独胆今日精准预测 | 3d太湖钓叟字谜三字诀乐彩论坛 | 3d谜语今天字谜今天的3d字谜是什么? | 3d牛哄哄解太湖字谜今天 | 3d推荐最新最准专家预测 | 今天3d试机号开机号是什么 | 3d布衣独胆王正版今天 | 中国福彩3D独胆最新必中最新 | 中国福彩3D独胆下期推荐推荐最新 | 3d天地杀码图 | 3d今晚预测 | 中国福彩3D独胆下一期预测最新 | 3d今晚上专家推荐号 | 3d定百位一个号多少钱 | 千禧3试机号金码关注码金码 | 3d专家最新最准预测 | 今天3d专家预测号码 推荐 | 3d预测专家汇总预测 | 最准的3d专家预测 | 3d和值推算公式 | 今晚3d推荐号码 | 3d今天最新最准专家预测最 | 福彩3D独胆最新预测 | 3d定胆| 3d走势图带试机号彩宝网 | 3d走势图带连线图表牛彩网 | 3d今天专家预测推荐号码 | 3d今晚上预测号码 | 3d预测詹天佑最新 | 解3d字谜太湖钓叟汇总 | 今日3d藏机图正版藏机图134 | 3d今天开机号试机号对应码关注码 | 3d专家预测今天最新准确号 | 3d今天开机号试机号牛彩网 | 詹天佑3d | 3d独胆王正版 | 一定牛3d一注号推荐3d预测今天 | 福彩3D独胆下一期推荐最新 | 3d牛哄哄解太湖字谜今天 | 3d百位单选振幅走势图 | 3d开心毒胆独胆王 | 3d今天专家预测推荐号码 | 3d多少钱一注 | 廊坊鸿运3d最新预测 | 3d今日预测最准专家预测 | 3d杀码十大专家 | 詹天佑3d分析推荐 | 于海滨最新预测今天 | 中国福彩3D独胆当天精准预测最新 | 3d专家推荐号 | 3d跨度分位走势图图感觉 | 3d预测号码最准最新准专家预测号 | 于海滨一语定胆专家点评 | 卫星电话最建议买的三个型号 | 3d杀码最准确 | 3d推荐最新最准专家预测 | 3d之家北斗今日预测 | 于海滨3d免费预测最新的 | 3d独胆之家 | 3d顶级胆神双胆 | 3d千禧试机号关注码金码是什么 | 3d预测今日最新推荐 | 独胆王三天计划 | 今于海滨3d预测今天牛彩网 | 今于海滨3d预测今天牛彩网 | 廊坊鸿运3d推荐今天 | 3d和值尾振幅走势图专业版 | 十拿九稳预测最准100% | 3d最准专家预测号今晚3d试机号 | 今天3d字谜解太湖三字诀 | 太湖3d字谜今天的 | 杀码3d杀码图 | 3d今晚和值推荐 | 3d双胆神算今天必下 | 3d预测最准确专家 | 今日3d预测号码推荐 | 今于海滨3d杀码 | 3d今晚最准专家预测号码145 | 3d直选形态走势图彩宝网 | 3d预测最准最新准专家预测号码 | 3d于海滨上的今天杀码 | 3d今晚专家预测最准确一注 | 55125预测汇总3d | 3d今晚预测最准确一注 | 3d今晚最准专家推荐号 | 3d开机号和试机号近100期列表 | 今于海滨3d预测今天单线联系 | 3d开奖号码今晚走势图 | 3d预测号码最准确专家预测 | 于海滨杀码图 | 3d今晚专家预测推荐号 | 于海滨最新3d预测今天 | 3d十大专家推荐号码汇总 | 3d恋预测今晚预测是哪里出的 | 十拿九稳的最新预测 | 3d今天专家预测推荐号码 | 3d今天专家预测号码最准确 | 3d今晚开机号试机号金码关注码今天 | 今天3d千禧试机号关注号金码号 | 3d下期预测最精准的一注号码 | 祖师爷独胆三天计划 | 3d预测今晚推荐号 | 3d今天专家推荐号码 | 3d专家今天推荐号 | 3d专家预测推荐号码 | 3d字谜今日字谜总汇 | 3d走势图基本走势图表 | 3d字谜汇总大全总汇大全 | 3d专家预测推荐号码 | 3d试机号后专家预测推荐汇总 | 3d今晚专家预测最准确一注 | 今晚3d专家推荐号码是多少 | 毒胆牛人三天计划今天 | 3d精准预测最准的专家直选 | 中国福彩3D独胆最新必中 | 3d十大专家精准预测汇总 | 3d今天专家预测号码 | 北斗3d今日专家预测推荐 | 近300期3d和值走势图 | 3d和值尾遗漏走势图 | 今天最新3d开机号试机号关注码 | 铁娘子三天计划独胆必下300 | 3d最新最准预测号码今天 | 3d今晚推荐号 | 三地千禧关注码试机号 | 福彩3D独胆实时走势 | 最准3d专家预测推荐 | 3d精准预测专家预测 | 于海滨点评专家一注定胆保真版162期 | 3d 今天 试机号开机号3 | 3d最准预测专家预测大 | 十拿九稳十大专家预测汇总最新一期 | 3d今晚专家预测最准确一注 | 三d字谜图谜总汇牛彩网 | 3d十大专家汇总精选一注 | 3d今天专家预测号码 | 3d最准确预测专家 | 3d孙大财就赌一个胆 | 3d天宇和值谜字谜 | 3d玩彩老头预测今天号码 | 福彩3D独胆老师精准预测最新 | 十拿九稳今天预测专家 | 太湖钓叟3d字谜太湖字 | 3d必下双胆 | 3d近30期开机号试机号牛彩网 | 福彩3D独胆下一期走势最新 | 今晚3d预测推荐一注 | 3d下期预测最精准的一注号码 | 今晚钱王点评推荐号 | 3d今晚开奖号结果 | 今日3d大老人预测号 | 3d今晚最准最新专家推荐号 | 于海滨最新3d预测推荐今天 | 3d试机号今天开机号查询结果 | 3d跨度走势图图表 | 3d独胆双胆独胆3d之村 | 3d预测总汇 | 解3d字谜太湖钓叟汇总 | 3d今天预测最准确专家 | 今日精准预测推荐3d号码 | 3d太湖字谜大全 太湖钓叟 | 3d和值尾金木水火土走势图 | 白骨精3d独胆图今天 | 3d独胆必下一 | 3d牛彩网字谜图谜总汇九 | 3d今晚最准专家预测号码 | 于海滨杀码今天最新版 | 3d今天专家预测推荐号码 | 3d试机号200期历史 | 牛兄双胆| 3d太湖字谜总汇大全 每天更新 | 3d精准一注今天 | 于海滨专家3d预测 | 3d绝杀一码专家 | 中国福彩3D独胆最新推荐 | 今天3d开机号试机号对应码列表 | 太湖解太湖3d字谜 | 3d预测最准的专家预测 | 3d开机号试机号今天最新50期 | 今晚3d的开奖结果 | 3d最新最准专家预测号码 | 3d彩吧图库红五3d图库 | 3d预测最新最准专家推荐号码 | 中国福彩3D独胆专家精准预测最新 | 3d专家今天推荐号 | 陈华今晚就赌一个胆今天最新更新内容 | 今于海滨3d预测彩吧图 | 3d专家预测号码最准确 | 3d今天预测最准确专家 | 《中国杀码王》3d | 藏机图3d正版总汇 | 3d推荐号今晚专家预测 | 中国彩吧更一懂彩民最新版本更新时 | 今晚3d专家推荐号码是多少 | 3d太湖钓叟字谜三字诀汇总 | 最准3d专家预测推荐 | 3d独胆必下一独胆 | 3d今晚惊天一注预测 | 今晚3d预测推荐一注 | 3d精准预测最准的专家 | 于海滨海3d预测保真 | 今天3d詹天佑预测分析 | 今晚3d精准一注直选 | 独胆王三天计划 | 今晚3d开奖号走势图 | 排5预测,最准排五专家 | 十拿九稳预测专家分析 | 3d专家最准确预测 | 三天计划3d独胆必出论坛 | 千禧3d开机号试机号金码 | 3d开机号试机号近100期开奖号码 | 3d号码预测| 3d定百位一个号多少钱 | 3d詹天佑最新预测今天 | 3d杀码大全天齐网 | 铁人铁胆3d定位包星预测 | 3d必中永久直选500注大底 | 3d专家预测最准最新今天 | 3d计算机开机号夏天推荐 | 天齐网3d杀码大全 | 今天3d双双独胆字谜 | 今天3d试机号开机号牛彩网 | 下期必出号码预测 | 北京胆王2彩吧图库 | 千禧3试机号金码关注码金码 | 詹天佑今天3d推荐 | 今晚3d预测推荐一注 | 福家老三3d推荐号 | 3d今晚开奖号码结果是多少 | 3d千禧今晚试机号码 | 3d每期必中27注 | 3d字太湖叟字谜 | 今天3d开机号关注号试机号金码 | 3d专家预测最准确最新今天 | 今天3d专家预测汇总 | 今于海滨3d预测今天牛彩网 | 今天3d金码试机号对应码开机号 | 苦命人3d推荐一注 | 3d预测最准专家预测号码 | 太湖字谜钓叟3d字谜 | 唐龙一胆今天最新 | 3d开机号和试机号9.30分 | 3d最准预测专家推荐 | 3d最大值走势图彩经网 | 3d最准预测专家推荐 | 3d专家预测最准最新今天 | 3D独胆专家分析 | 3d专家预测牛彩网 | 彩宝贝十大专家杀蓝号 | 3d跨度振幅近100期走势 | 于海滨海3d专家杀码 | 于海滨点评专家一注定胆保真版 | 3d连线走势图表图 | 3d最新最准专家预测号码 | 3预测,3d专家预测,最准确今天彩网 | 于海滨今天预测 | 3d牛彩网试机号后专家预测汇总 | 今天3d字谜3d一句定三码3d和值谜 | 今日钱王给胆点评 | 今晚3d试机号开机号金码号 | 福彩3D独胆实时走势 | 今日3d专家预测号最准确 | 3d独胆双胆专家预测网 | 3d走势图和值振幅 | 3d开机号近200期历史记录 | 3d免费专家预测推荐今天最新 | 中国福彩3D独胆高手命中率 | 今日3d开机号和试机号关注码千禧 | 3d彩吧图库红五3d图库 | 马后炮解3d太湖字谜总汇大全 | 3d专家预测精选一注 | 今日3d马后炮解太湖字谜 | 3d胆1拖9直选多少钱一注 | 詹天佑3d预测今天推荐号码 | 3d专家预测推荐号码 | 试机号开机号金码关注号对应码3d | 3d预测最准确的专家 | 今日正版藏机图全部汇总 | 精准3d独胆 | 3d开机号今天牛彩网近30期 | 今天的3d太湖字谜图 | 3d专家预测最准确今天南方双彩网 | 3d预测今日最新推荐 | 3d独胆必下一独胆 | 大师诸葛亮今晚一个独胆 | 詹天佑3d点评预测 | 3d预测专家推荐号码 | 千禧金码关注码试机号 | 3d直选综合走势图表 | 3d今天开机号和试机号100期 | 3d试后太湖一语定胆字谜 | 3d今晚专家预测推荐 | 3d今晚精彩预测 | 3d今晚试机号是多少 | 3d太湖字谜汇总今天 | 3d邻孤传复隔中走势图 | 3d玩胆先生双胆独胆 | 十大专家3d预测汇总 | 今晚3d直选推荐 | 今日3d预测专家推荐 | 千禧3d试机号关注码金码今天的 | 3d精准直选一注 | 今晚3d直选一注 | 3d长中剑客预测今天 | 今天的3d太湖字谜 | 独胆王三天计划 | 北斗3d今日专家预测推荐 | 3d最近基本走势图 | 3d杀码专家大全 | 3d预测 下一期 3d预测专家 3d预测 | 三d预测专家 | 今晚必中一注i | 3d杀码十大专家天齐网 | 今天3d开机号和试机号多少? | 3d今晚开机号试机号金码关注码今天 | 3d今天断组预测 | 3d预测最准专家预测 | 3d预测专家推荐 | 3d开机号试机号今天的 | 3d定和值公式 | 3d今晚最精准一注一注 | 3d太湖专家预测今晚 | 准香港3d漫画资料 | 独胆王三天计划 | 3d牛彩网字谜图谜总汇九 | 3d开机号和试机号正版彩吧 | 今天3d推荐号码今晚预测 | 3d今天断组预测 | 3d牛彩网和值走势图 | 今天最新3d开机号试机号关注码 | 3d今晚专家预测最准确一注 | 最准的3d专家预测 | 3d今晚专家预测推荐 | 3D独胆独家推荐 | 3d精准一注 | 3d今天专家预测号码 | 3d今天的推荐号 | 小龙一语定三胆3d今日字谜 | 白骨精3d独胆图今天 | 今天3d开机号和试机号牛彩网 | 3d精选号码推荐今天最新 | 3d最准的预测专家 | 3d十大专家推荐号码汇总 | 福彩3D独胆下期分析 | 3d预测专家最准确今天 | 于海滨彩吧图库 | 太湖3d字谜图谜总汇 | 3d最准确的专家预测 | 福彩3D独胆今晚必中最新 | 今晚于海滨海3d预测3d | 3d独胆一个 | 3d藏机图正版藏机图打印版 | 3d北斗专家北斗预测今天079期3d | 3d今晚预测最准确一注今天 | 福彩3D独胆下一期命中率最新 | 今日3d正版藏机图全部天齐 | 3d今晚专家推荐号 | 今日3d预测专家推荐 | 3d今晚预测直选四注 | 3d和值基本走势图 | 3d专家最新最准专家预测汇总 | 3d通杀一码准确率100% | 3d试机号200期历史 | 今日3d预测号码推荐 | 3d字谜今天太湖字谜 | 今日3d开奖号太湖字谜总汇 | 詹天佑3d预测今天推荐号码 | 3d预测专家推荐 | 试机号后牛彩网专家预测3d | 自创3d绝杀四码方法细节 | 天府袍哥3d预测 | 3d之家,专家预测预测 | 3D独胆下期推荐走势最新 | 3d专家推荐最新预测 | 3d预测一注推荐 | 3d计算机开机号夏天推荐 | 3d牛彩网字谜图谜总汇九 | 3d于海滨上的今天预测 | 3d牛彩网试机号后专家预测汇总 | 三地杀码高手 | 3d今晚100倍 万能三码的使用方法 | 3d今日预测最准专家预测 | 3d今晚最准最新专家推荐号 | 今天专家推荐号码3d | 3d北斗专家北斗预测今天079期3d | 今日精准预测推荐3d号码 | 3d直选一注今天 | 3d千禧金码试机号关注码 | 3d中间值振幅走势图之家 | 3d今天专家推荐号码推荐 | 3d今天专家预测推荐号码 | 于海滨3d杀码 | 3d开机号今天近10期 | 3d专家预测最准确最新新闻 | 3d预测最准确专家 | 3d和值和尾振幅走势图 | 3d最精准专家预测汇总今天 | 今日钱王给胆点评 | 3d和值10有哪些号码 | 3d专家推荐精选号码 | 3d直选一注50倍单挑 | 中奖开奖结果3d | 3d今天的试机号开机号是多少 | 3d今晚最精准专家 | 3d和值基本走势 | 毒胆牛人三天计划 | 3d太湖钓叟字谜汇总正版藏机图 | 独胆三天计划 | 3d专家预测推荐 | 3d八哥图库总汇d字谜图谜总汇大全 | 3d最准的独胆, | 3d今天最新最准专家预测最 | 中国福彩3D独胆下期最新分析 | 3d牛彩网专家预测 | 3d千禧试机号金码关注码 | 十大杀码专家3d | 3d精选号码推荐今天最新 | 3d独胆必下 | 3d预测最准确专家预测 | 3d预测专家最准确的专家预测 | 3d北斗专家北斗预测今天079期3d | 中国福彩3D独胆最新推荐 | 3d今天专家推荐号码 | 3d单选一注能中多少钱 | 马后炮解3d太湖字谜总汇大全 | 3d带专业连线走势图 | 3d专家预测最准最新今天 | 陈华今晚3d赌一胆天齐网 | 今晚3d之家 | 今日3d钱王点评 | 3d之家,专家预测预测 | 3d预测专家准确推荐 | 李明启3d今晚预测专栏 | 3d旧版基本走势图表 | 三d预测专家预测今天最新 3d专家预测最准最新今天 | 3d杀码图谜_专区杀码 | 3d预测今晚最准 | 3d今晚最准专家预测号码 | 3d今晚最准专家预测号码 | 3d太湖17500字谜| 3d预测最准专家预测号 | 福彩3D独胆下期推荐预测 | 经典小胆王三天计划配组合 | 今晚上3d开奖号码 | 今天3d字谜3d一句定三码3d和值谜 | 3d预测专家推荐最准确 | 今天3d詹天佑预测分析 | 3d楚人今晚预测今天 | 3d今天试机号和开机号 | 今天3d专家预测汇总 | 3d预测专家推荐号码 | 3d今天开机号和试机号金码对应码 | 3D独胆独家推荐最新 | 三地千禧开机号试机号金码关注 | 3d之家独胆,双胆 | 3d预测专家最准确的专家预测昨天 | 3D独胆团队命中率最新 | 3d字谜太湖解字谜 | 3d今天预测最准确专家 | 北斗3d今日预测 | 3d十大专家双胆预测汇总 | 3d最精准专家预测汇总今天 | 今日3d预测号码推荐 | 今天晚上的3d开奖结果 | 3d八哥图库总汇d字谜图谜总汇大全 | 3d今天预测最准确专家 | 3d彩吧图库44462 | 3d百十和尾振幅走势图走势 | 3d百个位和值尾走势图 | 3d杀码图专区,杀码图 | 3d胆王双胆独胆 | 北斗3d今日专家预测推荐 | 排三今晚十拿九稳最新预测 | 千禧试机号关注金码是什么 | 3d独胆必下一独胆 | 最准3d专家预测推荐 | 于海滨3d预测号 | 3d百位遗漏振幅走势图南方双彩网 | 3d今晚的开奖号码 | 三d牛彩网开机号试机号是多少 | 今天3d太湖钓叟三字谜 | 3d3d今晚预测 | 3d今晚最稳一注 | 3d今晚最准最新专家推荐号 | 3d专家推荐精选号码 | 詹天佑3d预测今天推荐号码 | 3d三胆预测 | 3d近15期开奖号码结果 | 钱王点评十钱王老头给胆 | 3d试机号后专家预测推荐汇总 | 3d预测最新最准3d之家 | 3d今晚专家推荐号 | 3d独胆必下一独胆布衣正 | 三地杀码高手 | 3d今晚出什么号? | 3d专家预测最准确今天牛彩网 | 最新3d预测专家预测 | 今日精准预测推荐3d号码 | 3d今晚最准专家预测号码 | 唐龙3d预测今日出号点评 | 今天3d开机号和试机号对应金码 | 3d今晚专家预测推荐号 | 3D独胆专家精准预测最新 | 3d今天专家预测推荐号码 | 今天的太湖3d字谜 | 3d今天开机号试机号码查询 | 今晚3d专家推荐号 | 于海滨一语定胆保真 | 3d断组预测 | 3d今天开机号和试机号开奖结果 | 3d陈华今晚就赌一胆天齐网 | 3d双胆独胆非常非常 | 3d双胆大师 | 3d字谜太湖最新 | 3d今晚开奖号码走势图 | 于海滨一语定胆《保真》 | 3d正版太湖字谜图谜 | 3D独胆下期推荐分析最新 | 3d推荐号今晚专家预测 | 3d开机号和试机号八仙选号 | 3d藏机图完整版今天 | 97654天中图库,今天晚3d试机号 | 3d专家预测最准确最新今天 | 于海滨最新3d预测推荐今天 | 3d字谜总汇今日3d字谜总汇牛彩网 | 牛彩网杀码 | 今天三d专家推荐号码 | 3d今晚预测最准确一注 | 3d今晚的独胆 | 3d预测专家精准推荐 | 3d近30期开机号试机号开奖号查询 | 3d试机号历史出现情况天齐网 | 3D独胆专家分析 | 3d陈华就赌一个胆天齐网 | 3d最新专家预测汇总大全 | 3d徐文轩今晚推荐号码 | 今日3d太湖字谜三字诀洞庭游侠 | 浙江风采3d走势图表 | 3d预测今晚推荐号 | 3d专家预测推荐号码最准最新 | 今晚3d预测推荐一注 | 铁人铁胆定位包星 | 三d便民字谜图谜总汇 | 3d专家预测最准确号码 | 今晚3d专家预测精选一注 | 3d今日开机号和试机号及关注码 | 3d千禧试机号关注号金码号开机号 | 西施姐姐精心推算一独胆146 | 给一注今晚3d | 牛彩网近30期3d开机号试机号 | 3d预测总汇 | 于海滨3d最新预测 | 3d于海滨杀码图 | 3d预测今日最新推荐 | 3d预测最新最准专家 | 3d和值走势图(带连线图) | 3d专家预测推荐号最新 | 排五预测最准专家 | 3d牛彩网采摘收集预测汇总 | 今天十拿九稳号码预测 | 3d六码复式多少钱一注 | 3d计算公式精准100%计算 | 成功路上3d双胆独胆 | 3d太湖17500字谜 | 今天专家推荐号码3d | 千禧3d开机号试机号金码 | 今日三地开奖码 | 3d太湖字谜汇总今天 | 预测今晚3d一注 | 3d专家推荐最新预测 | 3d最准预测| 3d开机号试机号今天的 | 3d推荐号今晚专家预测最准确 | 3d今晚预测最准确一注 | 周星星3d预测手机牛彩网 | 3d预测专家最准确今天 | 3d今晚预测直选一注 | 中国福彩3D独胆今日精准预测 | 3d最准专家预测号 | 彩坛老顽童3d独胆 | 今日排五专家推荐与预测 | 3d的开机号试机号奖号表 | 三d之家独胆 | 3d今晚预测最新最准确号码牛彩网 | 于海滨海3d预测今天 | 福彩3D独胆老师精准预测最新 | 3d专家预测最准确最新今晚预测 | 今天3d专家预测号码 推荐 | 北斗3d今日专家预测推荐 | 三地杀码高手 | 3D独胆本期命中率 | 3d免费专家预测推荐今天最新 | 北斗3d今日专家预测推荐 | 3d北斗专家北斗预测今天079期3d | 3d最新最准专家预预测 | 3d最新专家预测汇总大全 | 今日3d预测专家推荐 | 3d专家预测准确 | 白骨精3d独胆图今天 | 3d近30期开机号试机号开奖号查询 | 辽宁独胆王三天计划 | 今天3d开机号和试机号对应码查询 | 3d试机号是多少牛彩网 | 3d陈华今晚就赌一胆今天最新消息 | 3d今天开机号和试机号金码对应码 | 最准3d专家预测推荐 | 3d和值和尾走势图带连线图表 | 3d詹天佑预测分析牛彩网 | 詹天佑3d今晚预测号码 | 3d预测最准确的专家预测软件 | 3d太湖钓叟字谜三字诀 | 3d预测专家最准确的专家预测 | 詹天佑3d最新消息今天 | 3d今晚专家预测最准确一注 | 3d预测最准最新准专家预测号码 | 3d专家预测最准确最新今天牛彩 | 三七进二得三码猜一生肖 | 财神一注3d| 万能四码使用技巧 | 3d专家预测最准确今天牛彩网 | 今日3d开奖号码是多少? | 太湖字谜太湖钓叟三字诀 | 3d基本走势图综合 | 3d今晚最佳和值 | 3d预测最准的专家预测 | 3d预测号码最准确专家预测 | 今天3d出的什么号 | 于海滨海3d预测牛彩网 | 3d独胆专家推荐独胆 | 福彩3D独胆下一期推荐最新 | 3d基本走势图综合 | 于海滨专家3d预测 | 3d于海滨预测预测牛彩网 | 3d专家推荐号码 | 3d历史今天开奖结果 | 3d专家预测最准确号码 | 3d牛彩网专家预测 | 中国彩吧更一懂彩民最新版本更新时 | 3d直选注 | 3d牛彩网专家汇总汇总大全 | 北斗3d今日专家预测推荐 | 3d乾坤独胆王独胆 | 3d独胆必下 | 3d北丐七爷独胆 | 福彩3D独胆内部杀号 | 3d专家预测推荐 | 于海滨今天杀码3d | 今于海滨3d杀码 | 一名将3d双胆预测 | 今日3d太湖字谜三字诀试机号 | 今晚3d专家推荐号码是多少 | 3d专家今日推荐号码 | 3d预测最准最新准专家预测号码 | 太湖字谜太湖钓叟三字诀 | 最准3d专家预测推荐 | 3d试机号今天开机号查询结果 | 于海滨3d预测免费每日精选 | 福彩3D独胆本期推荐 | 3d独胆专家推荐独胆 | 3d今晚推荐号码最新 | 3d下期预测最精准的一注号码 | 《天才计划》三天计划独胆3d | 千禧试机号及金码 | 今天的3d推荐号码是多少 | 今天3d专家推荐重点号 | 3D独胆独家杀号 | 今于海滨3d预测今天牛彩网 | 彩吧3d开机号 | 今晚3d预测开奖号码推荐 | 今天3d太湖字谜三字诀 | 3d于海滨上的今天预测保真 | 3d杀码图谜 | 3d预测今日最新推荐 | 3d开机号今天近100期南方查询 | 3d七码复式最准专家 | 于海滨海3d最新预测 | 3d今天专家预测最新最准 | 3d和值尾振幅走势图带连线图表 | 3d和值尾金木水火土走势图 | 3d个位振幅走势图近50期 | 3d开奖号码结果 今晚 | 3d詹天佑预测汇总 | 3d最准确专家预测 | 3d太湖专家预测今晚 | 3d预测最准专家预测 | 百位振幅走势图3d之家 | 3d预测最准确的专家预测软件 | 3d字谜今天太湖字谜 | 3d条件预测专区牛彩网 | 3d十大专家汇总精选一注 | 3d今晚最准最新专家推荐号 | 今于海滨3d预测今天牛彩网 | 3d专家最新最准预测 | 最准的3d专家预测 | 今晚3d号码开奖结果多少 | 3d今晚开机试机号 | 3d今天专家预测推荐号码 | 真实的谎言3d字谜追加和值谜 | 3d和值25点有哪几注 | 3d今晚中奖号157 | 千禧3d试机号金码今天关注码对应码 | 小财神三天计划独胆 | 3d专家预测更准确今天 | 最准3d预测专家推荐号 | 3d今晚最准最新专家推荐号 | 于海滨一语定胆 | 3d推荐号今晚专家预测 | 3d今晚上开奖号码 | 3d机选一注 | 3d今天开机号和试机号 | 3d预测 下一期 3d预测专家 3d预测 | 3d今晚最准专家推荐号码 | 今天p3藏机图正版藏机图 | 3d试机号近10期(模拟) | 彩吧17500论坛 | 三地杀码高手 | 3d走势图基本走势图 | 3d号码预测牛彩网 | 3d近100期的开奖号码和试机号 | 3d专家预测最准确最新今天牛彩 | 3d预测最准的专家预测 | 排五奖号| 3d今晚预测开奖号码 | 3d正版藏机图天齐网汇总 | 今天3d专家推荐号 | 3d预测最准最新准专家预测号码 | 3d今天开机号和试机号 | 3d单挑今天晚一注500倍 | 3d预测杀码| 3d胆王双胆独胆 | 3d今天推荐号码 | 3d开机号和试机号近100期列表 | 开机号试机号3d今天 | 3d计算机开机号夏天推荐 | 神仙姐姐杀尾 | 3D独胆独家杀号 | 3d北斗专家北斗预测今天079期3d | 3d预测专家精准推荐 | 3d詹天佑 | 拼搏在线3d开机号和试机号列表 | 3d北斗专家北斗预测今天079期3d | 3d和值尾遗漏走势图 | 毒胆牛人三天计划必出 | 福彩3D独胆独家预测最新 | 3d最准预测专家预测大 | 于海滨今天杀码3d | 3d十个位差值振幅走势图3d之家 | 3d今晚惊天一注预测 | 预测今晚3d一注 | 3d今晚精准推荐一注 | 3d机选一注 | 3d专家最准确推荐最新 | 今晚3d专家最精准的预测 | 3d开机号和试机号今天 今晚 | 3d预测号专家预测 | 3d条件预测专区牛彩网 | 今于海滨一语定胆保真今天 | 3D独胆本期预测最新 | 3d预测最准确的专家 | 3d字谜总汇今日3d字谜总汇牛彩网 | 3d今天开机号试机号3 | 3d推荐最新最准专家预测 | 詹天佑3d预测今天推荐号码 | 3D独胆实时推荐最新 | 3d最小值振幅走势图3d之家 | 3d试机号金码号是多少 | 3d独胆双胆下一 | 今天3d于海滨预测 | 中国福彩3D独胆最新推荐最新 | 3d预测最准确的专家 | 3d双胆预测3d双胆下3d 双胆推荐 | 3d每天一个独胆 | 专家预测3d号码准确 | 小薇3d预测今天推荐 | 3d今晚最准专家推荐号 | 3d解太湖字谜汇总精选 | 铁人真胆一句定三码3d字谜彩搜网 | 3d和值遗漏值尾走势图 | 福彩3D独胆大神精准预测 | 3d北斗专家北斗预测今天079期3d | 3d最新专家预测汇总大全 | 3d推荐一注 | 3d今晚精选预测一注 | 3D独胆下期预测 | 3d预测专家精准推荐 | 3d邻孤传复隔中走势图 | 3d选5个号多少钱 | 于海滨最新预测今天 | 3d最准专家预测方法 | 3d预测最准确专家预测 | 3d最新最准预测号码 | 今天十拿九稳号码预测 | 3d今晚专家预测最准确一注 | 马后炮解今日太湖字谜三字诀 | 陈华今晚3d赌一胆天齐网 | 三天计划3d独胆必出论坛 | 3d财神爷独胆双胆双飞计划三天 | 3d千禧试机号金码关注码对应码 | 今天3d开机号和试机号多少? | 3d太湖钓叟字谜三字诀 | 3d最准一个独胆毒胆 | 铁人铁胆包星定位今天最新结果 | 3d詹天佑预测分析牛彩网 | 3d独胆双胆专家预测网 | 3d专家推荐今天 | 今天3d的开机号和试机号是多少号 | 3d和值尾遗漏走势图 | 今天3d开机号和试机号对应码查询 | 3d今晚精准推荐一注 | 3d今天预测汇总 | 中国福彩3D独胆今日精准预测 | 小龙一语定三胆3d今日字谜 | 3d十大专家杀一码汇总 | 唐龙3d预测号 | 3d预测最准的专家预测 | 3d今晚上专家推荐号 | 3d牛彩网断组预测 | 万能三码的使用方法 | 3d彩吧图库44462 | 3d预测今晚最准专家预测号码 | 太湖钓叟3d字谜太湖字 | 牛彩网3d预测分析汇总大全 | 3d村独胆双胆3 | 3d预测号专家预测 | 今日太湖字谜3d总汇 | 3d单一跨度走势图表 | 3D独胆本期推荐 | 今天3d开机号和试机号牛彩网 | 中国福彩3D独胆当天预测最新 | 今日太湖字谜3d总汇 | 3d今天试机号开机号关系 | 今晚最准一注3d | 3d预测专家精准推荐号 | 北斗3d今日预测 | 今晚3d开奖号走势图 | 3d最准预测专家预测汇总 | 中国福彩3D独胆实时推荐 | 3d今晚必下一个胆 | 3d牛彩网预测汇总 | 3d今晚开出什么号码 | 小财神三天计划独胆必下 | 3d和值尾振幅走势图彩宝贝 | 今天的3d太湖字谜 | 3d今晚最新预测 | 3d今天最新最准专家预测最 | 3d试后太湖一语定胆字谜 | 3d和值和尾振幅走势图 | 3d今晚专家推荐号 | 3d十位走势图带连线图表专业版 | 3d牛彩网字谜图谜总汇九 | 今晚3d直选推荐 | 3d今晚预测开奖号码 | 今日排三太湖钓叟字谜三字诀 | 千禧关注码试机号金码 | 3d推荐号今晚专家预测最准确 | 3d开机号和试机号金码关注对应码 | 3d专家预测独胆最准确 | 3d陈华就赌一个胆天齐网 | 3d今晚惊天一注预测 | 牛人高手【3d精选】 | 3d藏机图正版藏机图汇总今天最新图片 | 3d直选综合走势图表图 | 3d最准确预测专家 | 3d直选一注必中 | 3d今晚预测100% | 3d今日开机号和试机号及关注码 | 今日3d专家推荐号码 | 3d千禧开机号试机号关注金码 | 3d计算公式精准100%计算 | 太湖字谜三字诀论坛 | 今日3d太湖三字谜 | 福彩3D独胆本期推荐 | 3d太湖钓叟字谜汇总正版藏机图 | 3d推荐号今日预测 | 3d下期预测最精准的一注号码 | 最准一个毒胆 | 今天3d牛彩网专家预测 | 免费计划软件 | 3d专家推荐最精准的号码 | 今天3d专家推荐重点号 | 3d今日号码推荐 | 3d中间值振幅走势图之家 | 3d专家预测推荐 | 3d每天都有开奖吗 | 3d今天最准专家预测 | 3d预测今晚最准专家预测号码 | 3d任意两码差值尾走势图 | 马后炮解3d太湖字谜总汇大全 | 福彩3D独胆最新命中率 | 3d2025322期太湖字谜 | 3d专家预测最准确 | 今日3d一句定三码和值谜食物全部 | 3d走势图专家推荐号码 | 福彩3D独胆下一期推荐 | 3d藏机图正版藏机图汇总今天最新图片 | 今晚3d试机号开机号 | 排三王牌小哥独胆 | 3d专家预测推荐最新 | 3d免费专家预测推荐今天最新 | 3d推荐最新最准专家预测 | 3d今日预测最准专家预测 | 3d牛哄哄解太湖字谜今天 | 3地独胆,毒胆双胆家彩网 | 3d 今天 试机号开机号 | 今晚3d专家预测最准确 | 3d和值基本走势图 | 3d今晚预测最准确一注今天 | 3d最大值振幅走势图3之家 | 3d开机号近30期列表彩宝网 | 3d彩界精英独胆双胆 | 中国福彩3D独胆当天精准预测 | 3d专家预测最准最新 | 3d跨度振幅走势图3d专家 | 万能四码图表 | 今于海滨3d杀码图24210 | 3d牛彩网字谜图谜汇总九 | 中国福彩3D独胆团队命中率最新 | 于海滨海3d预测牛彩网 | 超级毒胆 | 今晚上的3d开奖号 | 3d推荐号今晚专家预测最准确 | 《天才计划》三天计划独胆3d | 3D独胆独家推荐最新 | 3d今晚最准专家预测号码 | 3D独胆下期推荐预测最新 | 于海滨今天预测 | 3d字谜图总汇 | 于海滨彩吧图库 | 今天3d牛彩网专家预测 | 近100期3d开机号和试机号 | 三d毒胆预测 | 3d组三一注多少钱 | 投资计划独胆三天计划 | 彩宝贝十大专家杀蓝号 | 3d试机号后专家预测推荐汇总 | 3d预测最准确的专家 | 3d开机号和试机号今天多少 | 三码合一是什么意思? | 3d预测最准的专家 | 3d专家预测最新最准推荐 | 3D独胆本期预测最新 | 今于海滨3d预测 | 今日太湖钓叟三字诀字谜 | 于海滨3d专家预测 | 今日3d太湖字谜三字诀排三开奖结果 | 3d试机号开奖号走势图表 | 排三专家推荐与预测今天 | 今天3d牛彩网专家预测 | 3d最准确最新专家预测 | 3d免费预测汇总牛彩网 | 财神一语定一注3d字谜 | 3d直选一注多少钱 | 中国福彩3D独胆专家推荐最新 | 神仙姐姐今天最新杀码 | 于海滨海3d预测保真 | 推荐一注3d号码 | 今日3d专家推荐号码 | 一代女王p3杀两胆独胆 | 3d十大专家杀一码汇总 | 3d免费预测 | 排三平均值振幅走势图3d之家 | 3d开机号,试机号和开奖号 | 3d今天预测最准确专家 | 快8今晚最毒胆推荐 | 3d之家北斗今日预测 | 3d专家预测最新 | 3d预测专家最准确的专家预测今晚 | 今晚试机号多少3d | 三d预测专家最新推荐 | 3d预测詹天佑最新 | 3d推荐最新最准专家预测 | 3d太湖解字谜 | 今天3d金码试机号对应码开机号 | 3d独胆怎么打 | 于海滨3d预测号 | 看彩大亨最新独胆预测 | 3d至尊计划独胆 | 3d双胆独胆| 中国福彩3D独胆大神命中率 | 今日3d字谜一句定三码和值谜定1 | 太湖钓叟排三字诀字谜 | 今日3d专家预测号码推荐 | 3d开机号试机号近100期开奖号码 | 3d今天试机号开机号金码 | 于海滨海3d预测今天 | 3d今晚专家预测最准确一注 | 福彩3D独胆高手分析 | 3d预测专家推荐 | 3d之家预测专家预测 | 3d和值尾振幅走势图专业版 | 詹天佑最新预测3d | 今天最新3d开机号试机号 | 3d独胆王今天 | 3d陈华今晚就赌一胆天齐网 | 3d预测最准确的专家预测软件 | 3d开奖结果近10期 | 3d今天千禧试机号关注号金码 | 3d预测号专家预测 | 今日3d字谜3d一句定三码诗天中图 | 3d开奖号历史上的今天 | 今晚3d开奖号试机号 | 3d今天推荐号码是多少 | 3d预测号码最准确专家预测 | 3d今天开机号和试机号码牛彩网 | 3d今日专家精准推荐号 | 3d开奖必中 | 小林3d最新预测今天 | 福彩3D独胆老师精准预测最新 | 今日3d直选一注 | 3d杀码专家杀码 | 今日排三太湖钓叟字谜三字诀 | 排3太湖钓叟字谜三字诀 | 今天3d开奖号是多少 | 3d太湖钓叟字谜三字诀汇总 | 三d独胆王独胆双胆 | 3预测,3d专家预测,最准确今天彩网 | 3d紫云涧专家预测推荐 | 3d专家预测最准确最新今天牛彩 | 最准3d专家预测推荐 | 今晚3d专家推荐 | 万能三码的使用方法 | 廊坊鸿运3d最新预测 | 今天3d开机号和试机号码是多少 | 3D独胆团队精准预测最新 | 3d专家最新最准专家预测汇总 | 今天3d太湖钓叟三字诀字谜 | 于海滨海3d专家预测今晚一注 | 3d买一个独胆中了得多少钱 | 3d专家詹詹天佑最新推荐 | 3d十大专家杀三码 | 直选三注必中一注3d | 3d预测最准专家预测 | 3d解太湖字谜汇总 | 3d专家最新最准专家预测 | 3d开机号和试机号正版彩吧 | 3d试机号后专家预测汇总 | 3d今天专家预测推荐号码 | 今天3d试机号和开机号 | 今晚最准的一注3d | 双胆王看双胆3d | 天府袍哥3d预测 | 3d近30期开机号试机号牛彩网 | 3d晚秋和值谜字谜图 | 3d太湖字谜三字诀 | 3d预测最新最准专家推荐号码 | 3d钓叟字谜三字诀官网 | 3d今晚推荐号码最新 | 3d跨度振幅近100期走势 | 3d精选号码推荐今天最新 | 今晚3d开奖号试机号 | 于海滨海3d专家预测 | 今晚3d推荐号 | 今天最新3d开机号试机号关注码 | 3d专家杀码天中图库 | 财神爷独胆三天计划,就这么牛 | 3d推荐号今晚专家预测最准确 | 今天最准3d预测号 | 3d开机号和试机号今天查询 | 今日3d一注推荐 | 3d今晚一注直选 | 3d预测专家预测 | 陈华3d今晚赌独一胆天齐网 | 今天3d金码试机号对应码开机号 | 3d天中杀码图专区 | 3d彩宝网开机号和试机号 | 今天3d千禧试机号关注号金码号 | 3d今晚必中三个号码预测 | 3d今天专家推荐号码推荐 | 铁人铁胆3d定位包星预测 | 3d专家预测最准确最新新闻 | 今日3d正版藏机图全部天齐 | 今晚3d开奖号是多少 | 福彩3D独胆老师分析最新 | 3d推荐最新最准专家预测 | 三d开机号和试机号今天牛彩网彩 | 3d专家推荐最精准的号码 | 今于海滨一语定胆保真今天 | 中国福彩3D独胆独家必中最新 | 3d最准预测号| 机选一注3d | 3d专家预测最准确最新今晚预测号 | 今日3d太湖字谜每天更新 | 最新3d预测专家预测 | 近10期3d开奖结果 | 福彩3D独胆老师必中最新 | 财神爷三天计划必下更新 | 今天3d专家推荐重点号码 | 于海滨一语定胆天齐网 | 今天3d试机号开机号牛彩网 | 家彩专门提供3d试机号开机号 | 3d最准确预测专家 | 今晚3d的开奖结果 | 三d十拿九稳预测号码 | 3d预测最准确的专家预测软件 | 千禧3d试机号金码关注码对应码 | 铁娘子三天计划独胆必下300 | 财神爷三天计划独胆组合 | 今日正版藏机图全部汇总 | 3d杀码百位十位个位 | 3d今晚专家预测推荐 | 3d跨走势图带连线走势图 | 詹天佑今天3d推荐 | 3d最精准专家预测汇总今天 | 3d专家专家预测汇总 | 中国福彩3D独胆大神命中率 | 3d推荐号码今晚预测 | 詹天佑3d预测号 | 机选一注3d | 千禧3d关注码 | 3d预测号码最准最新准专家预测号 | 3d定胆王独胆定位 | 3d预测专家精准推荐 | 唐龙点评3d预测今天 | 三d预测最准十专家预测今晚 | 3d北斗专家北斗预测今天079期3d | 3d千禧试机号关注号金码号开机号 | 3d字谜图总汇 | 3d专家预测更准确今天 | 今晚3d预测推荐一注 | 三d预测专家最新推荐 | 3d预测专家推荐最准确 | 财神爷独胆三天计划,就这么牛 | 十拿九稳预测专家分析 | 3d今晚推荐一注 | 陈华今晚就赌一个胆预测 | 故事小王p3双胆必下 | 3d预测总汇 | 3d彩界元宝就看一个独胆 | 今日3d马后炮解太湖字谜 | 3d预测今晚最新最准确 | 3d最新专家预测精选一注 | 3d双胆下一| 3d开心毒胆独胆王 | 今天的3d藏机图正版藏图 | 三d三胆 | 3d各类和值最新谜字谜今天 | 3d今晚预测准确的专家预测 | 于海滨杀码图 | 3d开奖号码今晚走势图 | 3d今晚专家预测推荐 | 3d预测今天最准预测号 | 3d今晚中奖号157 | 于海滨点评专家一注定胆保真版 | 三地千禧试机号关注金码对应码 | 3d北斗专家北斗预测今天079期3d | 千禧今晚3d试机号关注码金码 | 3d开奖杀码定胆 | 3d预测号码最准最新准专家预测号 | 3d专家今日推荐号码 | 3d千禧试机号金码关注码 | 今天的3d推荐号码是多少 | 今晚3d预测开奖号码推荐 | 3d预测最准最新准专家预测 | 骄子铁鹰解3d字谜今日 | 3d辽宁独胆王 | 3d预测今晚最新最准确 | 今天的3d开机号和试机号查询 | 今晚3d试机号码和开机号 | 3d今晚最准专家推荐号码 | 3d开机号试机号30期列表走势图 | 今于海滨一语定胆保真今天 | 今天3d于海滨预测 | 3d太湖钓叟字谜汇总正版藏机图 | 于海滨3d彩吧图库 | 福彩3D独胆高手预测 | 福彩3D独胆今晚走势最新 | 3d专家预测最准最新 | 3d牛彩网试机号后专家预测汇总 | 3D独胆独家推荐最新 | 太湖试机号后一句定三码3d字谜 | 3d于海滨上的今天预测 | 3d开奖号码今晚走势图 | 今日钱王给胆点评 | 北斗3d今日专家预测推荐 | 3d预测专家最准确的专家预测今晚 | 3D独胆下期最新预测 | 3d字谜历史记录 | 今日3d专家预测号码 | 北斗3d今日预测 | 福彩3D独胆老师杀号最新 | 3d双胆预测| 3d直选是什么意思 | 3d今晚专家推荐号 | 中国福彩3D独胆最新必中 | 3d和值走势图(专业版) | 3d和值尾振幅走势图近100期 | 唐龙每日一胆天齐网 | 今天的3d开奖号是多少 | 3d专家推荐精选号码 | 今晚预测3d号 | 3d和值走势图(专业版) | 3d预测专家精准推荐 | 千禧开机号和试机号对应金码 | 3d今晚专家推荐预测重点号码 | 排五预测专家预测 | 3D独胆高手精准预测 | 3d双胆独胆非常非常 | 3d今晚预测直选一注3d一注预测 | 今晚3d专家预测精选一注 | 福彩3D独胆本期推荐 | 今晚3d直选一注 | 3d彩吧图库手机牛彩网 | 北斗3d今日专家预测推荐 | 3d于海滨预测预测牛彩网 | 3d牛彩网今天开机号试机号 | 3d今晚最精准专家 | 太湖字谜钓叟3d字谜 | 3d今晚预测号码 | 3d今晚预测直选一注 | 福彩3D独胆明日精准预测 | 3d预测专家最准确 | 牛彩网p3专家预测汇总 | 三d预测专家预测今天最新 3d专家预测最准最新今天 | 今日正版藏机图全部汇总239期 | 3d今晚专家推荐号 | 于海滨今日杀码图最新 | 3d预测一注号推荐今晚 | 3d今晚最准的一注 | 3d开机号和试机号金码和关注码 | 免费计划软件 | 3d试机号历史情况 | 今天3d试机号开机号 | 万能四码图表 | 今晚3d专家最精准的预测 | 福彩3D独胆大神必中最新 | 今日正版藏机图全部汇总239期 | 3d今晚专家预测 | 今晚3d专家推荐重点号码 | 3d预测一注号推荐 | 3d今天专家推荐号码推荐 | 《中国杀码王》3d | 3d千禧试机号码金码关注码 | 今日正版3d藏机图全部汇总 | 马后炮解今日太湖字谜三字诀 | 3d双飞怎么买多少钱一注 | 今晚3d预测最准一注 | 3d之家独胆,双胆 | 3d试机号今天晚上是多少 | 牛彩网3d预测汇总 | 3d号码预测牛彩网 | 3d今晚预测直选一注3d一注预测 | 3d上下五千年专家预测 | 3d北斗专家北斗预测今天079期3d | 今天最新3d开机号试机号 | 今晚3d必出号 | 中国福彩3D独胆下期最新必中最新 | 中国福彩3D独胆实时必中最新 | 千禧3d关注码| 唐龙一语定胆最新 | 今晚上的3d开奖号 | 3d组选中一注多少钱 | 3d预测专家推荐号码 | 3d于海滨今天预测保真 | 于海滨海3d预测保真 | 今天3d定位字谜二 | 孟庆会老师3d预测今天 | 千禧3d开机号试机号金码 | 3d试机号今天开机号查询 | 3d今晚专家预测推荐号 | 最准3d预测专家推荐号 | 3d最准确的专家预测 | 3d太湖一语定胆字谜 | 3d开机号今天试机号查询 | 3d预测专家推荐号码推荐 | 千禧3d试机号金码关注码对应码 | 今于海滨杀一码 | 3d千禧今晚试机号码 | 3d今天专家预测最新最准 | 3d牛彩网断组预测 | 3d于海滨专家预测 | 小红人的三天计划今天是什么 | 3d今晚专家预测最准确一注 | 3d任意两码差值尾走势图 | 3d最精准专家预测汇总今天 | 3d今晚的开奖号码 | 3d五码复式 | 今天3d出的什么号 | 十拿九稳预测专家分析 | 3d最准预测专家预测大 | 十拿九稳预测专家分析 | 3d专家预测最准确最新今天牛彩 | 3d专家预测最准确今天上一期 | 3的杀码图 | 3d今晚预测最新最准确号码牛彩网 | 于海滨海3d专家预测今天 | 3d近500期试机号和开奖号码 | 3d百位遗漏振幅走势图南方双彩网 | 3d试机号是多少牛彩网 | 3d胆拖价格表 | 千禧开机号和试机号对应金码 | 3d近300期试机号和开奖号码 | 3d字谜太湖最新 | 最准一个毒胆 | 今天的3d推荐号码是多少 | 3d今日预测最准专家预测 | 今天3d开机号 试机号是多少 | 于海滨杀码今天最新版 | 3d精准推荐号| 3d专家预测最准最新 | 最准3d专家预测推荐 | 3d预测推荐 | 3d精准预测最准的专家 | 3d百位单选振幅走势图 | 3d今日开机号和试机号及关注码 | 北斗3d今日专家预测推荐 | 3d预测最准的专家 | 3d独胆10中10 | 詹天佑最新预测3d | 今晚3d的开奖号码 | 中国福彩3D独胆下期推荐推荐最新 | 3d试机号后专家预测 | 今日3d开机号和试机号关注码千禧 | 3d专家预测最准确最新推荐号码 | 3d彩宝贝试机号今天最新 | 于海滨海3d预测牛彩网 | 3d跨度5有多少注 | 3d彩吧预测,预测 | 2025315期3d开奖结果 | 专家预测3d号码准确 | 3d预测专家汇总预测 | 福彩3D独胆高手杀号最新 | 3d预测专家推荐号码推荐 | 3d百位定位走势图 | 3d最准确预测100%一注 | 今晚3d专家预测精选一注 | 3d个位走势图表 | 3d独胆专家推荐独胆 | 今天的3d太湖字谜 | 今于海滨3d预测今天牛彩网 | 3d之家独胆,双胆 | 3d个位走势图图表 | 今日3d直选一注 | 3d十大专家推荐号码汇总 | 3d定胆技巧准确率100% | 3d最新准专家预测 | 3d试机号今天晚上是多少 | 3d八哥图库总汇d字谜图谜总汇大全 | 3d今日开机号和试机号及关注码 | 三d推荐号专家预测今天 | 3d于海滨预测 | 今天3d开机号试机号对应码列表 | 今晚3d专家预测汇总 | 3d最准一个独胆毒胆 | 今日3d开奖号今晚 | 3d最新专家预测汇总牛部长预测 | 3d单选一注能中多少钱 | 3d开奖结果近10期 | 3d开机号近30期列表彩宝网 | 今晚最全3d晚间字谜汇总192期 | 3d精准推荐号 | 3d字谜财神一语定一注 | 3d谜语今天字谜今天的3d字谜是什么? | 于海滨点评加专家一语 | 字谜3d太湖马后炮 | 3d今晚预测直选四注 | 3d字谜汇总大全总汇大全 | 3d今晚精选一注 | 3d白娘子跨度字谜汇总今天牛彩网 | 3d预测号码最准最新推荐 | 3d最准确的专家预测 | 天齐网3d首页保真版3d预测 | 3d预测今晚推荐号 | 3d和值和尾振幅走势图 | 3d太湖钓叟字谜三字 | 3d专家预测最准确今天上一期 | 3d专家预测于海滨 | 3d预测最准确专家预测 | 3d开奖号码结果 今晚 | 中国福彩3D独胆专家推荐最新 | 詹天佑3d推荐 | 千禧开机号试机号关注号金码杀码 | 财神爷独胆三天计划,就这么牛 | 3d太湖钓叟字谜三字 | 3d六码复式多少钱一注 | 3d独胆预测必下一胆 | 3d今晚必下一个胆 | 3d必中永久直选500注大底 | 3d最准专家预测号今晚3d试机号 | 3d千禧开机号试机号关注金码 | 3d今晚最准最新专家推荐号 | 3d专家预测最准确最新今天牛彩 | 马到成功杀两码最新版本更新内容 | 财神爷独胆三天计划,就这么牛 | 3d试机号后专家预测推荐汇总 | 3d于海滨预测预测牛彩网 | 于海滨海3d预测今天 | 天齐杀码图汇总 | 3d今晚预测最新最准确号码牛彩网 | 3d谜语今天字谜今天的3d字谜是什么? | 中国彩吧更一懂彩民最新版本更新时 | 3d太湖钓叟三字诀字谜汇总 | 3D独胆下一期杀号 | 3d三胆预测 | 3d推荐号今日预测 | 3d预测最新最准专家推荐号码 | 3d预测最准最新牛彩网 | 3d推荐号今晚专家预测最准确 | 3d十大专家推荐号码汇总 | 彩界女王双胆独胆 | 神仙姐姐独胆一个 | 3d爱心角落试后一注 | 3d预测 下一期 3d预测专家 3d预测 | 3d十大专家杀跨度汇总 | 3d预测最准专家预测号码 | 3d字谜今日字谜总汇 | 3d开机号和试机号今天多少 | 老炮子预测今晚三地 | 今晚3d专家推荐号码是多少 | 千禧试机号及金码 | 3d今晚专家推荐号 | 下期必出号码预测 | 3d试机号近10期彩经网 | 3d谜语今天字谜今天的3d字谜是什么? | 张克永3d预测今天 | 3d预测专家推荐最准确 | 今日3d十大专家双胆总汇 | 3d走势图和值振幅 | 唐龙点评3d预测今天 | 3d今晚专家推荐号 | 3d千禧开机号和100期试机号 | 三地杀码高手 | 3d定百位一个号多少钱 | 试机号开机号金码关注号对应码3d | 3d专家今天推荐号 | 3d预测最准的专家预测 | 3d今晚专家免费预测 | 3d最准专家预测号今晚3d试机号 | 于海滨3d预测 | 今晚3d专家预测精选一注 | 《天才计划》三天计划独胆3d | 3d和值尾振幅走势图3d之家 | 3d于海滨一语定胆《保真》 | 3d预测号码最准最新推荐 | 今日3d预测专家推荐 | 3d字谜汇总大全总汇牛彩网开机号 | 3d于海滨预测预测牛彩网 | 3d预测专家推荐号码 | 三d推荐号专家预测今天 | 3d今晚开奖结果号码是 | 下一期专家预测号码 | 3d今晚最准专家预测号码145 | 3d专家预测号码手机牛彩网 | 于海滨最新预测结果 | 今天的3d开机号和试机号查询 | 3d今天专家预测最准确 | 中国福彩3D独胆下期推荐杀号最新 | 今天专家推荐号码3d | 3D独胆高手走势 | 3d牛彩网100期开机号和试机号 | 3d今天的推荐号 | 3d独胆必下一独胆 | 3d藏机图正版藏机图太湖字谜 | 今日正版藏机图全部汇总 | 3d最准专家预测方法 | 3d今晚的独胆 | 3d今日太湖字谜图 | 3d试机号牛彩网近三十期 | 3d太湖字谜今天 | 3d字谜太湖钓叟三字诀今天 | 今晚3d专家预测精选一注 | 福彩3D独胆内部杀号 | 3D独胆明日分析 | 3d免费专家预测推荐今天最新 | 今日3d马后炮解太湖字谜 | 3d独胆专家推荐独胆 | 3d静态版预测静态版 | 3d推荐号今晚专家预测最准确 | 北斗3d今日专家预测推荐 | 福彩3D独胆今日走势最新 | 六鬼神算图3d谜图 | 3d今日正版藏机图最新更新内容 | 千禧p3试机号关注号金胆对应号 | 今晚3d号码开奖结果多少 | 3d最准确专家预测 | 今日排五专家推荐与预测 | 3d预测号码最准最新准专家预测号 | 3d今晚最准专家推荐号码 | 3d今晚推荐号 | 3d千禧开机号试机号关注金码 | 快8今晚最毒胆推荐 | 今天晚上三d开奖结果 | 3d任意两码差值尾走势图 | 3d二天独胆王 | 3d预测号码最准确专家预测 | 于海滨3d预测牛彩网 | 于海滨海3d专家预测今天 | 今日排三太湖钓叟字谜三字诀 | 3d预测汇总晚间 | 于海滨3d最新预测 | 今天3d开机号 和试机号 查询结果 | 3d下期预测最精准的一注号码 | 今晚3d的试机号是 | 廊坊鸿运3d推荐今天 | 3d今于海滨杀码图 | 3d今天开机号和试机号牛彩网 | 3d开机号和试机号200期列表 | 福彩3D独胆下期推荐预测 | 豪哥看3d定位 | 今晚3d开奖号试机号 | 3d今晚最佳和值 | 3d今天开机号和试机号是多少 | 太湖解3d字谜汇总 | 3d最大值振幅走势图遗漏 | 李明启3d今晚预测专栏 | 3d专家最新最准今天预测 | 3d预测专家最准确 | 3d楚人今晚预测今天 | 3d直选开奖结果 | 于海滨3d预测牛彩网 | 3d十大专家汇总精选一注 | 三d推荐号专家预测今天 | 3d今晚必出一注100%准确直选推荐 | 3d胆王双胆独胆 | 小林3d预测| 今天3d太湖钓叟三字诀字谜 | 3d今晚最新奖号 | 3d开心毒胆独胆王 | 3d今日预测最准专家预测 | 3d免费预测 | 3d今天开机号和试机号是多少 | 3d今晚必中一注一 | 3d跨度五行走势图3d之家 | 于海滨3d预测天齐网 | 今天3d推荐号码今晚预测 | 今天3d开机号 试机号是多少 | 3d今天推荐号码是多少 | 3d独胆王正版 | 3d最准确的专家预测 | 今日精准预测推荐3d号码 | 太湖试机号后一句定三码3d字谜 | 十拿九稳今天预测专家 | 3d今天专家预测最准 | 3d双胆神算今天最新 | 于海滨3d专家预测今天 | 3d每天都有开奖吗 | 3d专家最新最准专家预测汇总 | 3d开机号,试机号,金码号,对应码100 | 3d专家推荐最新预测 | 3d开机号试机号奖号 | 今日3d直选一注 | 3d千禧试机号开机号对应码关注号 | 3d近500期试机号和开奖号码 | 牛人高手【3d精选】 | 3d太湖一语定胆字谜论坛 | 3d预测专家最准确的专家预测今晚 | 3d专家预测最准确最新新闻 | 3d牛彩网专家预测 | 排三今晚推荐号 | 钱王点评十钱王给胆下一期预测 | 3d杀码专家杀码最精准 | 3d农村小伙子最新预测 | 3d预测最准确的专家 | 3d专家今天推荐号 | 今日3d马后炮解太湖字谜 | 牛彩网3d专家预测汇总 | 中国福彩3D独胆今日预测最新 | 3d预测图 | 3d开机号和试机号9.30分 | 千禧3d试机号金码今天关注码对应码 | 3d最精准的专家预测精选 | 今天的3d藏机图正版藏图 | 今日3d一句定三码最准和值谜 | 3d今晚精准一注推荐 | 今天专家推荐号码3d | 3d天中杀码图专区 | 3d专家预测最准确最新新闻 | 詹天佑最新预测3d | 钱王点评+钱王老头预测 | 3d推荐号今晚专家预测 | 3d之家预测专家预测 | 3d天宇和值谜字谜 | 助赢计划软件免费版下载安装 | 3d今天专家预测最准确 | 3d最准专家预测号今晚3d试机号 | 3d最准的预测专家 | 3d独胆双胆独胆3d之村 | 3d推荐号3d推荐号码 | 今天3d号码推荐 | 3d精准预测 | 于海滨今天杀码3d | 3d一定牛专家预测推荐 | 3d财神爷独胆双胆双飞计划三天 | 3d专家预测最准确今天南方双彩网 | 3d今天专家预测推荐号码 | 三d牛彩网开机号试机号是多少 | 今天最新3d开机号试机号关注码 | 3d牛彩网今天开机号试机号 | 今日3d藏机图汇总 正版 新版 | 3d专家预测推荐 | 3d今晚最稳一注 | 牛彩网近30期3d开机号试机号 | 今日精准预测推荐3d号码 | 3d今晚最准最新专家推荐号 | 铁人铁胆包星定位今天最新结果 | 3d预测今日最新推荐 | 于海滨3d免费预测最新的 | 3d今天最新最准专家预测最 | 中国福彩3D独胆本期命中率 | 今天3d开机号试机号码 | 3d直选三注必中免费 | 3d专家今天推荐号 | 3d于海滨上的今天预测 | 3d预测专家最准最新 | 3d和值尾走势图(专业版) | 助赢计划软件免费版下载安装 | 3d谜语解太湖字谜 | 3d和值宫数线走势图 | 3d推荐专家汇总 | 今晚3d专家推荐重点号码 | 于海滨一语定胆《保真》 | 3d预测最准的专家预测 | 3d十大专家推荐号码汇总 | 3d推荐号码今晚预测 | 3d预测今天更准 | 中国福彩3D独胆内部走势最新 | 唐龙3d预测号 | 牛彩网3d专家预测汇总摘要 | 3d专家推荐最精准的号码 | 3d今晚最准专家预测号码145 | 今日3d预测专家推荐 | 今天三d专家推荐号码 | 3d推荐最新最准专家预测 | 3d字谜今日字谜总汇 | 福彩3D独胆高手分析 | 3d专家预测号 | 今日3d正版藏机图,藏机图汇总,天中网 | 钱王点评+钱王老头预测 | 3d杀码专家杀码天齐网 | 3d直选一注50倍单挑 | 3d直选走势图(专业版) | 3d开机号和试机号今天多少 | 今天3d开机号和试机号码是多少 | 财神爷独胆三天计划,就这么牛 | 今于海滨3d预测今天牛彩网 | 3d推荐一注 | 今日3d专家预测号最准确 | 3d最新最准预测号码今天 | 3d今晚开机号试机号金码关注码今天 | 3d专家预测号码推荐今天 | 3d藏机诗藏机图天中图库 | 3d顶级胆神双胆 | 3d今天专家预测最准 | 3d开机号试机号今天最新50期 | 3d试机号后专家推荐汇总 | 3d今晚专家预测重点号码 | 成功路上3d双胆独胆 | 3d和值尾振幅走势图50期 | 今日精准预测推荐3d号码 | 陈华3d今晚赌独一胆天齐网 | 3d图库彩吧彩报第三版 | 3d预测专家最准最新 | 今天的3d推荐号码是多少 | 千禧3d试机号关注码今天 | 中国福彩3D独胆专家精准预测最新 | 3d最准专家预测号今晚3d试机号 | 3d独胆公式正确率在99%以上 | 牛彩网专家汇总汇总3d | 3d今晚最准最新专家推荐号 | 中国福彩3D独胆本期命中率 | 3d专家预测最准确最新今晚预测 | 3d预测号码最准最新准专家预测号 | 中国福彩3D独胆明日推荐最新 | 3d预测最新最准专家 | 3d每天都有开奖吗 | 3d今晚专家预测推荐 | 3d今晚最准专家预测号码 | 3d百位绝杀一码 | 3d专家预测号码推荐今天 | 3d跨度振幅走势图3d专家 | 3d于海滨预测预测牛彩网 | 3d最准确预测专家 | 3d下期预测最精准的一注号码 | 詹天佑最新预测 | 今天3d太湖钓叟字谜三字诀 | 孟庆会老师3d预测今天 | 7号电池最建议买的三个型号 | 詹天佑今日最新点评 | 今晚3d开机号和试机号是多少 | 3d今晚专家推荐预测重点号码 | 3d专家预测最准最新今天 | 今天3d专家预测汇总 | 于海滨专家预测 | 3d专家推荐最精准的号码 | 今天3d出的什么号 | 3D独胆下期最新精准预测 | 3d今晚预测直选一注3d一注预测 | 千禧试机号金码关注 | 顶级胆神双胆下一 | 千禧试机号金码关注 | 3d今天试机号开机号关系 | 今天专家推荐号码3d | 北斗3d专家预测 | 3d字谜太湖钓叟三字诀今天 | 3d试机号关注号金码对应码开机号 | 今日3d开奖号今晚 | 十拿九稳预测专家分析 | 3d太湖字谜总汇总(正版) | 3d的预测号是多少 | 3d基本走势图表 | 3d预测最准的专家预测 | 3d专家预测最准确最新今天牛彩 | 今晚3d天宇一句定三码字谜 | 3d计算公式精准100%计算 | 3d专家今天推荐号 | 3d中2个号多少钱 | 3d条件预测专家专区 | 3d今天专家预测号码 | 3d走势图带连线图表 | 3d基本走势图表 | 今日期3d太湖字谜 | 3d于海滨上的今天预测保真 | 3d跨度振幅走势图3d专家 | 张克永3d预测今天 | 3d开奖号码近50期 | 福彩3D独胆下期推荐精准预测 | 于海滨3d预测 | 3d预测今晚推荐号 | 唐龙一胆今天最新 | 3d预测专家最准确的专家预测 | 3d藏机图完整版今天 | 3d今天精准一注 | 预测3d今晚开奖号 | 3d今晚最准一注 | 3d专家最新最准专家预测汇总 | 3d武当玉女掌门一句定三码字谜 | 看彩大亨最新独胆预测 | 3d杀码大全 | 3d预测专家精准推荐 | 开心毒胆王今晚独胆 | 詹天佑最新预测3d | 今日3d开奖号太湖字谜总汇 | 3d专家预测最准确最新今晚预测 | 今天晚上3d开奖 | 3d推荐最新最准专家预测 | 3d专家最新最准预测 | 3d预测专家精准推荐 | 3d最精准专家预测汇总今天 | 3d杀码公式最新 | 3d彩宝网开机号和试机号 | 3d单选一注能中多少钱 | 宇海滨预测3d | 千禧今晚3d试机号关注码金码对应 | 3d推荐号今晚专家预测最准确 | 福彩3D独胆团队必中 | 3d推荐号今晚专家预测 | 中国福彩3D独胆下期分析最新 | 3d最准确预测专家 | 3d百位单选振幅走势图 | 千禧3d试机号关注号 | 3d独胆10中10| 今天3d专家推荐号 | 飞向阳光龙头凤尾预测 | 中国福彩3D独胆今晚走势最新 | 唐龙一语定胆3d今天 | 今天3d专家预测号码 推荐 | 3D独胆下期推荐预测最新 | 今晚3d预测推荐一注 | 3D独胆独家推荐最新 | 千禧开机号和试机号对应金码 | 今晚牛彩网3d预测汇总 | 牛彩预测汇总3d最新 | 3d独胆专家推荐独胆 | 3D独胆今晚预测 | 解3d字谜太湖钓叟汇总 | 3d紫云涧专家预测推荐 | 3d独胆专家推荐独胆 | 3d精准预测最准的专家 | 3d李明启最新预测今天 | 于海滨3d最新预测 | 3d下期预测最准一注 | 3d北斗专家北斗预测今天079期3d | 3d太湖字谜大全 太湖钓叟 | 3d千禧试机号金码关注码对应码 | 3d杀码高手| 6+1专家预测号 | 今天3d于海滨预测 | 3d詹天佑最新预测 | 三d预测专家最新推荐 | 3d精准预测最准的专家 | 福彩3D独胆明日推荐 | 3d今晚预测3d更准 | 3d牛彩网试机号后专家预测汇总 | 3d最新最准预测号码 | 千禧试机号金码今天的 | 3d今晚预测最准确一注 | 福彩3D独胆今晚走势最新 | 3d试机号金码号是多少 | 3d今晚专家预测推荐号 | 投资计划独胆三天计划 | 3d定百位一个号多少钱 | 3d专家预测最准确最新新闻 | 3d预测专家汇总预测 | 3d最新预测专家推荐 | 今日3d开机号和试机号列表三十期 | 福彩3D独胆老师精准预测 | 3d百个和值尾振幅走势图 | 3D独胆下期推荐预测最新 | 3d今晚预测最新最准确号码牛彩网 | 3d神仙姐姐独胆一个 | 3d预测今晚最准专家预测号码 | 3地独胆,毒胆双胆家彩网 | 3d独胆必下一独胆3d独胆预测 | 3d谜语解太湖字谜 | 马后炮解3d太湖字谜总汇大全 | 宇海宾杀码图 | 于海滨点评专家一语保真 | 今天3d杀码| 3d专家预测最准最新今天 | 3d最准一个独胆方法 | 3d千禧金码试机号关注码开奖号 | 3d十大专家推荐号码汇总 | 毒胆牛人3天计划 | 3d推荐号今晚专家预测最准确 | 3d专家预测最准牛彩网 | 3d专家预测最准确最新今天牛彩 | 3d专家最新最准专家预测 | 3d开机号近200期历史记录 | 今日期3d太湖字谜 | 排三今晚十拿九稳最新预测 | 今日3d预测号码推荐 | 3d专家预测汇总 | 3d太湖字谜汇总今天 | 3d各路专家预测汇总大全最新 | 3d专家预测于海滨 | 3d千禧试机号金码关注码对应码 | 三d牛彩网开机号试机号是多少 | 今天3d开机号和试机号码结果查询 | 廊坊鸿运3d最新预测 | 今于海滨3d预测彩吧图 | 3d预测是多少 | 3d预测 下一期 3d预测专家 3d预测 | 3d今天专家预测号码最准确 | 下一期专家推荐号码 | 3d牛彩网采摘收集预测汇总 | 3d预测专家最准最新 | 三d独胆 | 3d精选号码推荐今天最新 | 3d专家预测推荐 | 于海滨海3d专家预测 | 詹天佑最新预测 | 今天3d字谜解太湖字谜 | 千禧3d试机号金码关注码码关注码双彩论六个 | 3d预测号码最准最新推荐 | 3d双胆独胆推荐 | 3d今天开机号和试机号码727 | 3d专家预测推荐号码最准最新 | 今天3d正版太湖字谜 | 于海滨一语定胆天齐网 | 3d独胆必下一 | 十拿九稳预测专家分析 | 孟庆会老师3d分析预测 | 3d今晚专家预测推荐号 | 千禧关注码试机号金码 | 排三杀码专家天齐网 | 于海滨点评专家一注定胆保真版162期 | 3d之家双胆独胆预测 | 千禧3d试机号金码关注码牛彩网 | 3d藏机图正版藏机图全图牛彩网 | 试机号千禧关注金码 | 3d牛彩网采摘收集预测汇总 | 3d百个和值尾振幅走势图 | 3d预测号最新最准牛彩网 | 3d开机号今天近10期 | 3d预测最准确的专家 | 3d今日预测最准专家预测 | 最准3d专家预测推荐 | 中国福彩3D独胆今晚分析 | 于海滨3d今晚预测号码 | 于海滨杀码图谜 | p3千禧试机号关注金码 | 3d试机号牛彩网近三十期 | 千禧3d试机号金码关注码杀码今天3d | 3d今天推荐号码是多少 | 福彩3D独胆下期推荐预测 | 3d预测一注号推荐今晚 | 3d预测专家精准推荐号 | 千禧3d试机号关注码金码列表 | 今天3d专家推荐号 | 千禧之年3d开机号试机号金码关注 | 于海滨3d杀码图145 | 詹天佑3d今晚预测号码 | 3d海滨点评一语定胆今天最新推荐 | 3d专家最准确预测 | 专家预测3d号码准确 | 今日3d预测专家推荐 | 3d预测号码最准最新准专家预测号家彩网 | 3d试机号后专家推荐汇总 | 3d今晚最准专家预测号码 | 詹天佑3d预测今天推荐号码 | 今天3d试机号开机号 | 3d专家今日推荐号码 | 钱王点评3d之家 | 3d十大专家汇总精选一注 | 3d专家免费预测 | 3d和值尾振幅走势图近100期 | 3d今晚最准专家预测号码145 | 3d今天最新最准专家预测最 | 三d推荐号专家预测今天 | 今天3d于海滨预测 | 3d开机号近30期列表彩宝网 | 中国福彩3D独胆独家预测 | 3d太湖一语定胆字谜 | 3d专家推荐最精准的号码 | 牛彩网近30期3d开机号试机号 | 3d今晚十大专家预测汇总 | 3d走势图带连线图表牛彩网 | 3d开机号和试机号200期列表 | 3d之家双胆独胆预测 | 3d今晚开奖结果号码是 | 福彩3D独胆下一期命中率最新 | 毒胆牛人三天计划 | 3d专家预测最准最新今天 | 于海滨专家一语定胆十好心人 | 3d直选综合走势图 | 3d专家预测最准确号码 | 今天晚上的3d开奖结果 | 于海滨3d预测 | 3d预测今日最新推荐 | 孟庆会老师3d预测彩吧图库今天 | 中国福彩3D独胆下期最新必中最新 | 3d的最新走势图表 | 超级毒胆| 今晚3d预测专家预测号 | 3d今晚预测开奖号码 | 3d预测最准确的专家 | 3d走势图带试机号彩宝网 | 今天的3d推荐号码是多少 | 周不出最新3d杀码 | 3d最精准专家预测汇总今天 | 3d六码复式多少钱一注 | 于海滨3d杀码图 | 中国福彩3D独胆今晚分析 | 3d的最新走势图表 | 3d十大专家预测汇总 | 3d近30期开机号试机号开奖号查询 | 福彩3D独胆老师分析最新 | 太湖谜3d太湖钓叟字谜 | 3d最精准的专家预测 | 福彩3D独胆下期最新分析 | 钱王点评十钱王给胆下一期预测 | 3d万能三码中奖秘诀 | 3d今晚最准专家推荐号 | 3d试机号开机号今天晚上金码号 | 3d三天计划独胆王 | 3d之家独胆,双胆 | 3d预测今晚推荐号 | 3d今晚必中一注 | 3d今晚专家预测最准确号码 | 3d十大专家精准预测汇总 | 詹天佑3d今晚预测号码 | 小红人的三天计划今天是什么 | 飞向阳光龙头凤尾预测 | 3d单双走势图表(专业版) | 福彩3D独胆团队必中 | 神仙姐姐今晚杀码 | 3d预测专家推荐最准确 | 3d杀码一定牛 | 3d试机号近10期(模拟) | 今晚3d专家最精准的预测 | 今日3d正版藏机图全部天齐 | 今晚3d专家预测汇总 | 今日3d藏机图正版藏机图310 | 3d太湖老情人字谜图谜 | 今晚3d试机号开机号 | 3d手机牛彩网专家预测 | 3d走势图(带连线版) 试机号 | 超级毒胆 | 3d今晚开奖号走势图 | 3d预测号码最准确专家预测 | 3d试机号关注号金码对应码开机号 | 今天最新3d开机号试机号关注码 | 3d预测最新最准专家 | 3d专家预测最准确最新今晚预测 | 3d小差振幅走势图表图 | 3d绝杀二码今天最新更新内容 | 3d基本走势图. | 3d独胆必下一独胆布衣正 | 3d太湖字谜总汇大全 每天更新 | 3d彩宝贝试机号今天最新 | 3d今晚开奖结果号码是 | 3d今晚开奖号多少 | 今日3d马后炮解太湖字谜 | 千禧3d试机号金码关注码杀码今天3d | 今日3d藏机图汇总 正版 新版 | 中国福彩3D独胆下期推荐杀号最新 | 3d两胆精准预测 | 3d今晚最准一注 | 于海滨3d预测号 | 中国福彩3D独胆今晚分析 | 3d今天专家预测最准确 | 中国福彩3D独胆今日精准预测 | 3d今晚最准专家预测号码 | 3d财神爷今晚独胆 | 财神爷独胆三天计划,就这么牛 | 小林3d预测 | 3d预测号最新最准牛彩网 | 三d预测专家最新推荐 | 今日3d马后炮解太湖字谜 | 福彩3D独胆下一期走势最新 | 三d字谜图谜总汇牛彩网 | 3d预测专家精准推荐 | 3d试机号近10期(模拟) | 3d十大专家精准预测汇总 | 3d千禧开机号和试机号码 | 顶级胆神双胆下一 | 3d今晚出啥号 | 3d预测廊坊鸿运 | 3d解太湖字谜汇总精选 | 铁人铁胆3d包星定位最新今天 | 一定牛3d杀码 | 3d开机号和试机号金码关注对应号 | 3d十位走势图彩经网 | 3d专家预测最准确今天上一期 | 排五奖号| 3d直选形态走势图彩宝网 | 3d杀码专家大全 | 3d精准推荐号 | 3d独胆双胆专家预测网 | 3d今晚预测最新最准确号码牛彩网 | 3d千禧试机号开机号对应码关注号 | 3d最精准专家预测汇总今天 | 3d和值尾振幅走势图彩宝贝 | 3d今晚最稳一注 | 3d今天专家推荐号码是多少 | 李明启3d最新预测今天 | 最准确3d专家预测 | 今晚3d专家预测精选一注 | 3d今晚专家预测 | 今天3d字谜解太湖字谜 | 3d太湖专家预测今晚 | 3d推荐最新最准专家预测 | 唐龙点评3d预测今天 | 3d今天专家推荐 | 3d个位走势图图表 | 3d预测汇总晚间 | 3d今晚预测最准确一注 | 3d今晚必出号预测 | 卫星电话最建议买的三个型号 | 神仙姐姐杀尾 | 一定牛3d一注号推荐3d预测今天 | 3d专家预测最准确最新今晚预测号 | 廊坊鸿运3d预测今天 | 3d图谜字谜总汇 | 3d专家预测推荐最新 | 3d直选一注必中 | 3d精准预测最准的专家 | 今日3d预测专家推荐 | 3d最准的预测专家 | 3d十大专家推荐号码汇总 | 专家预测3d号码准确 | 机选一注3d| 3d藏机图正版藏机图汇总今天最新图片 | 太湖字谜3d和值谜 | 3d字谜太湖钓叟三字诀17500 | 于海滨海3d专家预测今天 | 排三杀码专家定位杀码天齐网 | 陈华今晚独胆特别关注 | 小红人的三天计划今天是什么 | 3d专家预测最准最新今天 | 于海滨海3d专家预测今天 | 3d推荐号今晚专家预测最准确 | 3d精准预测最准的专家 | 3d今天专家预测推荐号码 | 太湖3d字谜太湖钓叟三字诀 | 3d图库彩吧彩报第三版 | 3d十大专家精准预测汇总 | 唐龙点评3d预测今天 | 3d太湖老情人字谜图谜 | 中国福彩3D独胆最新必中最新 | 中国福彩3D独胆当天走势最新 | 3d今日专家推荐号 | 于海滨海3d专家杀码 | 3d今晚试机号是多少查询 | 于海滨预测3d号 | 3d专业版(走势图带连线) | 小红人的三天计划今天是什么 | 3d十大专家预测汇总 | 财神爷独胆三天计划,就这么牛 | 3d今天专家推荐号码推荐 | 3d今晚专家推荐号 | 3d今晚最准专家推荐号码 | 今日3d开机号和试机号关注码千禧 | 詹天佑3d点评预测 | 3d开机号和试机号今天 今晚 | 今晚3d出的什么号 | 今晚3d专家推荐重点号码 | 牛彩预测汇总3d最新 | 2025长期守号最佳5注推荐 | 福体杀码王最新版本更新内容 | 3d最新专家预测推荐 | 3d之家,专家预测预测 | 3d今晚预测最准确一注今天 | 3d今天专家预测最准确 | 今晚3d开奖号是多少 | 张克永专家3d预测 | 3d预测号码最准确专家预测 | 3d最新专家预测汇总大全 | 马到成功杀两码最新版本更新内容 | 三d走势图基本走势图彩宝网 | 今晚3d专家预测精选一注 | 于海滨3d预测 | 于海滨专家一语定胆十每日 | 3d之家独胆,双胆 | 3d晚间字谜汇总汇 | 3d预测推荐汇总牛彩网采摘收集 | 3d组选中一注多少钱 | 3d预测今晚最准专家预测号码 | 3D独胆实时推荐 | 3d精准预测最准的专家 | 3d推荐号今晚专家预测 | 小德3d今天双胆定位 | 3d专家预测推荐汇总 | 中国福彩3D独胆本期命中率 | 3d静态版预测静态版 | 3D独胆独家推荐最新 | 今天太湖钓叟3d字谜三字诀 | 3d预测专家最准确的专家预测今晚 | 于海滨杀码今天最新版 | 今日3d预测专家推荐 | 3d推荐号今日预测 | 3D独胆本期推荐最新 | 今日3d预测号码推荐 | 中国福彩3D独胆高手命中率 | 拼搏在线3d开机号和试机号列表 | 3d专家今天预测一注 | 3d今晚开出什么号码 | 3d预测今天更准 | 今天3d金码试机号对应码开机号 | 3d试机号后专家预测推荐汇总 | 3d谜语今天字谜今天的3d字谜是什么? | 3d预测 下一期 3d预测专家 3d预测 | 3d组三一注多少钱 | 3d太湖字谜总汇大全 每天更新 | 今天晚上3d推荐号码 | 3d推荐号今晚专家预测 | 今天3d专家预测号码 推荐 | 3d最大值振幅走势图3之家 | 三地千禧试机号关注金码对应码 | 三地千禧开机号试机号金码关注 | 十拿九稳预测最准100% | 3d两胆必出方法 | 3d预测专家汇总预测 | 3d专家推荐号码 | 3d今晚精选预测一注 | 3d和尾振幅走势图3d专家 | 3d预测号专家预测 | 专家精准预测3d号 | 3d预测最准的专家预测 | 今天的3d开机号和试机号查询 | 三d预测专家最新推荐 | 3d预测专家准确推荐 | 孟庆会点评 专家一语定胆 稳准狠三天计划 | 今天的3d太湖字谜 | 3d预测号码最准最新准专家预测号 | 于海滨精准杀码图 | 3d开机号,试机号,金码号,对应码100 | 小林3d预测今天推荐 | 3d今晚开奖号结果3b | 千禧3d试机号金码今天关注码对应码 | 最准3d专家预测推荐 | 3d开机号试机号今天最新50期 | 今晚3d预测开奖号码推荐 | 3d藏机图正版藏图汇总大全 | 3d千禧试机号和金码关注 | 于海滨点评专家一语定胆保真版 | 3d天地杀码图 | 中国福彩3D独胆大神命中率 | 中国福彩3D独胆独家预测 | 3d三天计划独胆王 | 3d今晚最准最新专家推荐号 | 今天3d千禧试机号关注号金码号 | 今晚3d开机号试机号金码关注码 | 福彩3D独胆老师精准预测最新 | 真实的谎言3d字谜追加和值谜 | 下一期专家准确预测 | 3d开机号试机号今天最新50期 | 3d今天最新最准专家预测最 | 3d直选形态走势图彩宝网 | 3d预测专家推荐 | 今晚3d专家推荐号码是多少 | 3d走势图基本走势图表 | 中国福彩3D独胆老师分析最新 | 3d 今天 试机号开机号 | 张克永专家3d预测 | 于海滨海3d专家杀码 | 3d詹天佑最新预测牛彩网 | 今天3d开机号和试机号码结果查询 | 3d今天的开机号和试机号查询 | 今晚了3d开奖结果 | 小红人的计划三天计划独胆 | 小薇3d预测 | 3d太湖字谜一语定胆 | 3d预测最准最新准专家预测 | 3d预测最准专家预测牛彩网 | 3d专家推荐号最准确的推号 | 3d今晚专家预测最准确一注 | 于海滨今天预测 | 于海滨3d预测号 | 詹天佑3d点评预测 | 3d今天开机号和试机号码 | 3d藏机诗藏机图天中图库 | 55125预测汇总3d | 3d最准专家预测方法 | 3d家彩预测 | 今晚3d预测推荐一注 | 今晚3d预测最准一注 | 3d独胆必下一独胆3d独胆预测 | 3d今天专家预测最新最准 | 中国福彩3D独胆老师分析最新 | 今天3d的开机号和试机号是多少号 | 3d专家推荐今天 | 天府袍哥3d预测 | 3d今晚最准专家预测号码 | 3d最准确的专家预测 | 排三王牌小哥独胆 | 3d预测一注号推荐今晚 | 3d最准一注(单挑王) | 3d预测专家推荐最准确 | 3d带线走势图连线走势图 | 3d六大专家杀码汇总 | 今日3d预测专家推荐 | 3d最准确的专家预测 | 今日3d太湖字谜三字诀洞庭游侠 | 3d正版藏机图天齐网汇总 | 3d独胆必下一个胆 | 千禧3d试机号关注码金码试机号 | 三d走势图基本走势图彩宝网 | 3d专家预测最准确最新汇总 | 今天3d牛彩网专家预测 | 3d开机号试机号今天开奖号 | 3d独胆10中10 | 3d开机试机号金码号关注号 | 3d今晚上必出号 | 于海滨专家一语定胆十每日 | 3d最新专家预测汇总牛部长预测 | 3d预测今日最新推荐 | 今天3d必出一注 | 3d最准预测号 | 今晚3d专家推荐号码是多少 | 3d专家预测推荐汇总 | 于海滨3d预测号 | 3d预测最精准一注 | 3d专家预测最准今天 | 财神爷三天计划必下更新 | 3d牛彩网字谜图谜总汇九 | 福彩3D独胆最新走势最新 | 3d直选一注50倍单挑 | 今晚3d专家预测精选一注 | 今天晚上的3d开奖结果 | 开心毒胆王今晚独胆 | 3d看胆精英独胆 | 3d千禧试机号金码关注码 | 今于海滨3d杀码 | 中国福彩3D独胆当天预测最新 | 3d专家预测号码推荐今天 | 3d十大专家汇总精选一注 | 3d试机号近10期彩经网 | 太湖三字诀字谜三 | 千禧之年3d开机号试机号金码关注 | 千禧3d试机号金码关注码对应码 | 3d预测专家推荐最准确 | 3d走势图的基本走势图 | 试机号后牛彩网专家预测3d | 张克永专家3d预测 | 今晚3d专家预测精选一注 | 3d今日专家推荐号 | 3d开机号和试机号今天查询 | 百位振幅走势图3d之家 | 3d开奖号历史上的今天 | 福彩3D独胆内部走势 | 今日3d开机号和试机号关注码千禧 | 3d预测一注号推荐一3d预测一注今天 | 今天3d开机号 试机号是多少 | 3d廊坊鸿运精选号码推荐 | 詹天佑3d最新消息今天 | 3d开机号与试机号金码 | 3d今晚推荐三注 | 3d中奖| 3d开机号和试机号今天全部 | 3d老炮子直选三注 | 3d预测最准的专家预测 | 太湖解太湖3d字谜 | 3d专家预测更准确今天 | 3d今天最新最准专家预测最 | 今日3d字谜一句定三码和值谜定1 | 3d马前屁解太湖字谜 | 3d绝杀二码今天最新更新内容 | 3d下期预测最精准的一注号码 | 3d今晚最准专家预测号码 | 3d今晚的开奖号码 | 今日3d藏机图正版藏机图134 | 于海滨点评专家一注定胆保真版 | 3d预测 下一期 3d预测专家 3d预测 | 张克永专家3d预测 | 3d专家预测最准确最新今天牛彩 | 3d试机号金码号是多少 | 3D独胆本期推荐 | 于海滨预测3d号 | 3d太湖钓叟字谜三字诀了3d开奖 | 3d红波蓝波走势图大中小 | 3d专家预测最准确最新推荐号码 | 3d专家预测最准确最新今天 | 3d晚秋和值谜字谜图 | 3d最新最准预测号码今天 | 3d今晚惊天一注预测 | 3d金银胆神双胆 | 3d今晚专家推荐 | 3d中间值振幅走势图之家 | 3d今天专家推荐号码推荐 | 3d最新专家预测推荐 | 3d今晚专家推荐预测重点号码 | 于海滨今日3d预测 | 3d下期预测最精准的一注号码 | 3d预测最准专家预测号 | 3d今晚预测直选一注 | 詹天佑3d点评预测 | 3d紫云涧专家预测推荐 | 毒胆牛人三天计划必出 | 福彩3D独胆最新推荐最新 | 带头大哥3d预测今晚 | 3D独胆下期最新预测 | 钱王点评十钱王给胆下一期预测 | 3d专家最准确预测 | 3d专家解太湖字谜汇总 | 今日3d钱王点评 | 铁娘子三天计划独胆必下300 | 3d今晚专家预测最准确一注 | 3d最新最准专家预预测 | 今天3d开机号,试机号是多少 | 牛彩网预测专家3d | 3d今天开机号和试机号 | 3d最准的预测专家 | 3d今晚专家看独胆 | 3d走势图的基本走势图 | 3d最准确预测专家 | 3d千禧开机号试机号关注金码 | 3d今晚必出的一注 | 3d今晚专家预测推荐号 | 3d精准预测最准的专家 | 3d太湖字谜总汇大全 每天更新 | 3d藏机诗藏机图天中图库 | 3d彩界精英独胆双胆 | 3d今天专家推荐号码是多少 | 3d独胆预测必下一胆 | 6+1专家预测号 | 3d单一跨度走势图表 | 3d今晚预测直选一注3d一注预测 | 3d预测最准确的专家 | 3d预测牛彩网预测汇总 | 千禧3d试机号金码关注码码关注码双彩论六个 | 福彩3D独胆独家预测最新 | 今天3d出的什么号 | 3d独胆专家推荐独胆 | 三字诀3d字谜 | 3d定胆准确率100 | 3d预测今晚最新最准确 | 钱王点评十钱王老头给胆 | 3d免费专家预测推荐今天最新 | 3d独胆专家预测 | 今日3d马后炮解太湖字谜 | 3d试机号开机号今天金码关注 | 今天的3d太湖字谜 | 财神爷三天计划独胆组合 | 财神爷三天计划独胆组合 | 3d农村小伙子最新预测 | 3d预测一注号推荐今晚 | 晚秋3d今晚和值谜 | 3d专家预测最准确最新今天 | p3故事小王双胆下一今天 | 3d最准专家预测号 | 3d杀码公式最新 | 3d预测专家最准确的专家预测今晚 | 3d今天推荐号码是多少 | 3d詹天佑3d预测 | 3d今日专家推荐号 | 3d徐文轩今晚推荐号码 | 3d杀码公式最新 | 顶级胆神双胆必下 | 今日3d太湖字谜每天更新 | 于海滨3d杀码 | 3d今晚推荐号 | 十拿九稳的最新预测 | 三d预测专家预测今天最新 3d专家预测最准最新今天 | 3d今天专家推荐号码推荐 | 3d推荐号今晚专家预测 | 3d试机号今晚开机号 | 3d下期预测最精准的一注号码 | 直选三注必中一注3d | 3d农村小伙子最新预测 | 唐龙一语定胆3d今天 | 今日3d直选 | 3d跨度振幅近100期走势 | 3d杀码大全天齐网 | 中国福彩3D独胆最新推荐 | 3d中间号走势图振幅走势图 | 于海滨专家3d今天预测 | 3d彩吧图库手机牛彩网 | 3d十大专家推荐号码汇总 | 牛彩网3d专家预测汇总 | 今天3d开机号和试机号牛彩网 | 3d推荐最新最准专家预测 | 3d今天专家推荐号码推荐 | 3d今天专家预测推荐号码 | 于海滨一语定胆保真 | 牛兄双胆 | 福彩3D独胆最新走势最新 | 3d专家最新最准专家预测 | 3d今天预测最准确专家 | 3d独胆王正版| 3d经典小胆王 | 3d专家预测号码最准确 | 福彩3D独胆下期推荐最新 | 3d字谜汇总大全总汇牛彩网开机号 | 齐彩网3d专家预测 | 3d中间号走势图振幅走势图 | 徐文轩3d预测推荐 | 今于海滨3d预测今天牛彩网 | 于海滨专家3d今天预测 | 神仙姐姐独胆一个 | 福彩3D独胆团队必中 | 试机号后牛彩网专家预测3d | 3d,胆| 今天3d专家预测号码 推荐 | 3d预测最新最准专家 | 3d近200期试机号和开奖号码 | 3d双胆独胆非常非常 | 3d推荐最新最准专家预测 | 3d今晚最准的一注 | 詹天佑3d今晚预测号码 | 3d双胆独胆非常非常稳定 | 于海滨海3d预测保真 | 3d今晚预测 | 最准3d专家预测推荐 | 3d定百位一个号多少钱 | 3d徐文轩今晚推荐号码 | 3d今天最新最准专家预测最 | 3d直选一注预测 | 3d栋栋预测牛彩网 | 今日3d开机号和试机号关注码千禧 | 3d十大专家推荐号码汇总 | 3d每天一个独胆 | 3d今晚惊天一注预测 | 彩坛老顽童3d独胆 | 3d千禧金码试机号关注码开奖号 | 陈华3d今晚赌独一胆天齐网 | 3d今晚最准的一注 | 3d今晚专家预测最准确一注 | 3d研究生双胆王 | 拼搏在线3d开机号和试机号列表 | 3d个位振幅走势图近50期 | 3d今晚预测最准确一注今天 | 专家精准预测3d号 | 成功路上3d双胆独胆 | 于海滨专家预测3d两吗 | 今晚3d直选推荐 | 詹天佑今天3d推荐 | 天齐藏机图汇总正版藏机图 | 3d今天开机号试机号3 | 3d金码开机号和试机号 | 3d今天专家预测推荐号码 | 今天太湖字谜三字诀是什么 | 中国福彩3D独胆下期推荐 | 福彩3D独胆老师杀号最新 | 3d今天中了多少注直选 | 3d独胆专家预测 | 于海滨今日杀码图 | 3d和值宫数线走势图 | 晚秋3d今晚和值谜 | 3d双胆独胆推荐 | 3d今晚最准最新专家推荐号 | 今天3d字谜解太湖字谜 | 3d专家最新最准预测 | 今晚上必中一注 | 3d预测今晚最准专家预测号码 | 今晚精准一注3d | 3d最准确最新专家预测 | 3d预测专家汇总预测 | 3d今晚出的什么号 | 3d预测最准最新准专家预测号码 | 3d独胆双胆| 3d带连线专业版走势图表 | 3d跨度振幅走势图3d专家 | 三d便民字谜图谜总汇 | 3d专家今天预测一注 | 3d预测专家最准确的专家预测 | 今天3d千禧试机号关注号金码号 | 3d字谜总汇图 | 中国杀码王3d绝杀 | 3d村独胆双胆 | 今晚3d专家推荐号码是多少 | 3d万能大底共250注直选 | 今日3d杀码最新 | 3d独胆双胆3d之家 | 太湖钓叟三字诀字谜解释总汇 | 小红人的计划三天计划独胆 | 3d十位胆方法100准确 | 3d今天开机号试机号3 | 3d故事小王双胆 | 三d开机号和试机号今天牛彩网彩 | 3d十大专家精准预测汇总 | 3d推荐最新最准专家预测 | 3d专家今天预测汇总 | 3d双胆,独胆非常非常稳定 | 晚秋3d今晚和值谜 | 3d今天千禧试机号关注号金码 | 今晚上3d开奖号码 | 于海滨今天预测 | 3d预测 下一期 3d预测专家 3d预测 | 3d火火人独胆双胆必中 | 3d最新专家预测汇总大全 | 3d七码复式最准专家 | 3d今晚专家预测 | 3d今天最新最准专家预测最 | 3d今晚专家预测推荐号 | 千禧3d今天的试机号 | 今晚3d专家最精准的预测 | 3d预测最准的专家预测 | 3D独胆下期最新精准预测 | 老炮子预测今晚三地 | 太湖钓叟3d字谜太湖字 | 千禧3d试机号金码关注码牛彩网 | 排三太湖钓叟字谜三字诀 | 福家老三3d推荐号 | 3d预测牛彩网 | 3d开奖结果近10期 | 千禧开机号和试机号对应金码 | 3d专家预测推荐最新 | 今晚最全3d晚间字谜汇总192期 | 今晚最准的一注3d | 3d和值振幅走势图带连线坐标 | 千禧3d试机号关注码金码今天的 | 今晚3d专家推荐重点号码 | 今日3d藏机图正版藏机图310 | 铁人铁胆定位包是预测 | 于海滨专家一语定胆十每日 | 2012099期3d开奖结果 | 3d预测推荐汇总牛彩网采摘收集 | 3d孔方来萃解太湖字谜 | 十大杀码专家3d | 3d试机号后专家推荐汇总 | 今晚3d预测最准一注 | 今日3d正版藏机图,藏机图汇总,天中网 | 福彩3D独胆实时走势 | 马后炮解3d太湖字谜总汇大全 | 3d预测詹天佑最新 | 于海滨最新3d预测推荐今天 | 3d双胆独胆推荐 | 詹天佑最新预测 | 3d预测今晚最新最准确 | 今天太湖字谜3d字谜太湖钓叟 | 3d推荐号今晚专家预测最准确 | 十拿九稳预测最准100% | 3d今晚预测最准确一注今天 | 于海滨3d预测牛彩网 | 千禧试机号关注金码是什么 | 今晚3d开机号试机号金码关注码 | 3d专家预测号码最准确 | 3d最精准的专家预测 | 于海滨一语定胆天齐网 | 今晚3d推荐号码是多少 | 3d最新专家预测汇总大全 | 3d今晚十大专家预测汇总 | 今日3d马后炮解太湖字谜 | 玩彩独胆王三天计划 | 3d手机预测牛彩网 | 3d千禧试机号金码关注最近10期 | 今日太湖字谜3d总汇 | 今天3d开机号和试机号全部 | 3d下期预测最精准的一注号码 | 3d预测专家推荐号码推荐 | 3d今天专家预测最准 | 3d陈华就赌一个胆天齐网 | 太湖叟3d字谜湖字谜 | 3d走势图(专业连线版) | 3d预测号码 | 3d胆王双胆独胆 | 3d晶晶必下一独胆今天 | 3d今晚专家推荐预测重点号码 | 财神一注3d | 三d胆| 于海滨专家一语定胆十每日 | 3d十大专家双胆预测汇总 | 3d开奖号走势图表 | 3d预测专家汇总预测 | 3d于海滨上的今天预测 | 牛彩网3d预测汇总大全 | 杀码是什么意思 | 今天太湖字谜3d字谜太湖钓叟 | 3d今晚专家推荐号 | 3d太湖钓叟字谜三字 | 于海滨3d预测牛彩网 | 钱王点评+钱王老头预测 | 三d预测专家最新推荐 | 3d今天专家推荐号码推荐 | 3d走势图专家推荐号码 | 【福星】3d单挑10注组 | 3d专家今天推荐号码推荐 | 3d今晚惊天一注预测 | 3d今晚开奖号结果 | 3D独胆团队精准预测最新 | 詹天佑3d今天最新预测 | 三七进二得三码猜一生肖 | 3d今晚推荐号码最新 | 3d最准的独胆, | 詹天佑3d今天最新预测 | 3d今日预测推荐号 | 3d晶晶必下一独胆今天 | 3d白娘子跨度字谜汇总今天牛彩网 | 3d直选100%中奖绝技 | 于海滨海3d预测牛彩网 | 3d专家预测最准确今天牛彩网 | 于海滨彩吧图库 | 3d彩吧试机号今天最新 | 福彩3D独胆下期最新推荐 | 三天计划3d独胆论坛 | 于海滨点评专家一注定胆保真版 | 飞向阳光龙头凤尾预测 | 最准3d预测专家推荐号 | 试机号开机号金码关注号对应码3d | 3d专家预测最准确今天南方双彩网 | 今晚3d开奖号多少 | 3d今天精准一注 | 3d詹天佑最新预测牛彩网 | 97654天中图库,今天晚3d试机号 | 3d预测最准专家预测 | 3d两胆必出方法 | 3d开机号和试机号是多少 | 今晚3d专家推荐号码是多少 | 今天3d开机号 试机号是多少 | 今于海滨3d预测今天单线联系 | 孟庆会老师3d预测彩吧图库今天 | 千禧今晚3d试机号关注码金码对应 | 3d的最新走势图表 | 3d专家今天推荐号 | 3d预测最准确专家预测 | 排五近100期开奖号结果 | 3d今晚最准最新专家推荐号 | 今日3d专家推荐号码 | 3d最精准专家预测汇总今天 | 3d红波蓝波走势图大中小 | 3d于海滨预测预测牛彩网 | 唐龙一语定胆3d今天 | 3d最准专家预测号今晚3d试机号 | 3d专家最准确预测 | 3d晚间字谜总汇大全 | 3d开机号试机号今天开奖号 | 3d詹天佑最新预测今天 | 3d今晚专家预测 | 3d专家预测最准确最新今天牛彩 | 3d专家最新最准预测 | 明天太湖3d三字诀 | 3d今天专家推荐号码推荐 | 3d专家预测最准确最新今天牛彩 | 3d今天开机号和试机号开奖结果 | 3d今晚专家预测 | 3d太湖钓叟字谜三字诀 | 今日3d一句定三码和值谜食物全部 | 自创3d绝杀四码方法细节 | 3d号码预测| 个位杀码王 | 3d今天开机号和试机号码 | 3d今晚预测最新最准确号码牛彩网 | 3d试机号后专家预测汇总 | 3d今天专家预测最准确 | 3d今天开机号和试机号232 | 今晚3d开奖号走势图 | 3d钓叟字谜三字诀官网 | 3d胆预测天齐网 | 3d今日开机号和试机号及关注码 | 今晚3d专家推荐号码是多少 | 3d北斗专家北斗预测今天079期3d | 中国福彩3D独胆专家精准预测最新 | 今晚3d推荐号码是多少 | 于海滨专家预测 | 中国福彩3D独胆独家必中最新 | 3d今天晚上预测最准专家 | 3d2025322期太湖字谜 | 排五预测最准专家 | 3d独胆双胆专家预测网 | 3d任意两码差值尾走势图 | 3d今天专家推荐号码 | 3d顶级胆神双胆 | 3d今晚开奖号是多少 | 太湖3d字谜图谜总汇 | 3d二天独胆王 | 3d字太湖叟字谜 | 3d今晚专家预测推荐 | 今日3d专家推荐号码 | 今晚3d推荐号| 3d鸿运坊预测号 | 3d直选100%中奖绝技 | 3d牛彩网专家预测 | 3d今天开机号,试机号 | 三d独胆| 一代女王p3杀两胆独胆 | 3d十大专家汇总精选一注 | 3d字谜图总汇 | 3d最精准的专家预测 | 3d直选一注多少钱 | 3d北斗专家北斗预测今天079期3d | 3d推荐专家汇总 | 3d太湖钓叟字谜三字诀汇总 | 3d最精准一注 | 3d开机号今天近10期 | 3预测,3d专家预测,最准确今天彩网 | 3d太湖字谜一语定胆 | 今晚3d开奖号走势图 | 于海滨最新3d预测今天 | 3d双胆预测| 福家老三3d推荐号 | 3d北斗专家北斗预测今天079期3d | 2025长期守号最佳5注推荐 | 3d今晚最准专家推荐号 | 3d今晚最准专家推荐号 | 3d定百位一个号多少钱 | 3d湘西胆王今日字谜 | 今晚3d专家推荐号码 | 3d两天独胆王 | 3d走势图的基本走势图 | 3d今晚一注 | 3d双胆独胆 | 3d最新专家预测汇总大全 | 千禧开机号试机号关注号金码杀码 | 3d今日预测最准专家预测 | 今天3d牛彩网专家预测 | 3d开机号和试机号近100期 | 牛彩网3d预测 | 马后炮解今日太湖字谜三字诀 | 3d专家预测汇总牛彩网彩摘收集 | 于海滨海3d专家预测今天 | 3d太湖字谜字谜汇总 | 今晚钱王点评推荐号 | 今晚3d专家预测最准确 | 3d最新专家预测汇总 | 小林3d预测 | 3d开机号和试机号金码关注 | 3d预测专家最准确的专家预测今晚 | 中国福彩3D独胆最新走势 | 3d北斗专家北斗预测今天079期3d | 3d绝杀二码今天最新更新内容 | 今晚3d专家最精准的预测 | 三d预测专家最新推荐 | 白姐3d今天预测号码 | 天天彩于海滨海3d最新预测 | 3d试机号后专家预测推荐汇总 | 牛彩网3d预测汇总 | 西施姐姐就赌一个独胆 | 今晚3d专家最精准的预测 | 3d免费精准直选三注 | 于海滨海3d预测保真 | 唐龙预测一胆今天 | 历史3d开奖结果 | 3d盐都三胆家彩网 | 于海滨点评专家一注定胆保真版162期 | 专家彩宝贝预测汇总 | 今天的3d开机号和试机号中奖号 | 3d今晚上专家推荐号 | 3d最准的预测专家 | 3d专家最新最准专家预测 | 3d最新专家预测汇总大全 | 3d试机号开机号今天晚上金码号 | 3d今天开机号和试机号是多少 | 3d开机号近200期历史记录 | 3d最准一注号码 | 3d胆王双胆独胆 | 太湖字谜钓叟3d字谜 | 祖师爷独胆三天计划 | 3d专家最新最准专家预测汇总 | 太湖3d字谜图谜总汇 | 3d定胆 | 陈华今晚独胆特别关注 | 于海滨3d每日杀一码 | 3d下期预测最准一注 | 3d专家推荐| 3d推荐号3d推荐号码 | 3d开机号今天近10期 | 于海滨3d最新预测 | 3d独胆三天必出计划论坛 | 今日精准预测推荐3d号码 | 3d最准一个独胆方法 | 3d专家解太湖字谜汇总 | 3d专家预测最准最新今天 | 3d詹天佑3d预测 | 3d和值跨度走势图带连线 | 陈华今晚就赌一个胆预测 | 3d开机号和试机号码牛彩网 | 太湖叟3d字谜湖字谜 | 3d直选历史遗漏查询 | 3d天中杀码图专区 | 3d直选三注必中免费 | 3d走势图和值振幅 | 3d于海滨上的今天杀码 | 于海滨3d最新预测 | 3d开机号试机号今天最新50期 | 3d今晚最准一注 | 3d专家预测推荐号码 | 3d字谜汇总大全总汇大全 | 3d试机号是多少牛彩网 | 3d专家专家预测汇总 | 3d牛彩网. | 3d藏机图正版藏机图汇总今天最新 | 廊坊鸿运3d预测今天 | 3d预测今晚最新最准确 | 3d预测专家精准推荐号 | 陈华今天就赌一个胆3d | 3d预测最准确的专家 | 3d之家独胆,双胆 | 3d精选号码推荐今天最新 | 3d三胆 | 3d海滨点评一语定胆今天最新推荐 | 3d最准专家预测号今晚3d试机号 | 3d字谜图谜总汇全图汇总 | 3D独胆高手精准预测 | 3d专家最新最准专家预测 | 3d最准一注(单挑王) | 3d今晚专家预测 | 于海滨3d预测 | 今日詹天佑3d预测 | 今晚精准一注3d | 3d今晚精准推荐一注 | 3d下期预测最精准的一注号码 | 3d预测专家精准推荐 | 3d今晚专家推荐号 | 3d最全晚间字谜汇总大全 | 3d专家预测最准确最新汇总对应码 | 今晚3d开奖号试机号 | 3d近30期开奖结果 | 3d近30期试机号和开奖结果 | 北斗3d今日专家预测推荐 | 3d太湖字谜汇总今天 | 3d近30期开机号试机号开奖号查询 | 福彩3D独胆下期最新分析 | (暴富密码)绝杀两码预测 | 牛彩网杀码 | 三d预测专家预测 | 今天3d开机号和试机号码是多少 | 于海滨3d专家预测今天 | 今晚3d太湖字谜 | 今天3d太湖字谜三字诀 | 于海滨3d杀码 | 3d今天精准一注 | 3D独胆实时推荐 | 3d七码复式最准专家 | 3d试机号今晚牛彩网 | 3d今晚必出的一注 | 顶级胆神双胆下一 | 3d直选一注50倍单挑 | 三字诀太湖三字诀字谜 | 千禧试机号金码关注码的历史记录 | 3d今天开机号和试机号金码对应码 | 3D独胆实时推荐最新 | 2025315期3d开奖结果 | 3d预测专家准确推荐 | 3d专家预测最准确最新今晚预测 | 3d专家预测最准牛彩网 | 3d今晚最准的一注 | 3d下期预测最精准的一注号码 | 3d字谜汇总大全总汇大全 | 3d今晚最准专家预测号码145 | 3d近500期试机号和开奖号码 | 3d独胆双胆3d之家 | 7号电池最建议买的三个型号 | 中国福彩3D独胆今日精准预测 | 3d独胆双胆预测 | 3d专家最新最准今天预测 | 周星星3d预测手机牛彩网 | 3d和值推算公式 | 3d每天一个独胆 | 3d预测詹天佑最新 | 陈华今晚就赌一个胆今天最新更新内容 | 试机号开机号金码关注号对应码3d | 3d大富好预测汇总 | 3d和值走势图(专业版) | 今日3d预测专家推荐 | 今日3d预测专家推荐 | 三d预测专家预测今天最新 3d专家预测最准最新今天 | 今晚3d开奖号试机号 | 钱多多3d百位定独胆 | 3d和值和尾振幅走势图 | 今天专家推荐号码3d | 3d单双走势图表(专业版) | 3d专家最准确预测 | 3d专家最新最准今天预测 | 3d专家预测推荐 | 福家老三3d推荐号 | 3d太湖字谜字谜汇总 | 千禧3d试机号金码今天关注码对应码 | 3d独胆专家预测 | 3d开机号和试机号今天 今晚 | 今于海滨3d杀码图24210 | 最准3d预测专家推荐号 | 三d今日太湖字谜解 | 3d专家推荐最新预测 | 三d推荐号专家预测今天 | 3d试机号后专家预测推荐汇总 | 下一期专家推荐号码 | 3d今晚最准专家预测号码 | 3d专家预测最准确今天南方双彩网 | 3d小胆神独胆今天 | 3d双胆预测3d双胆下3d 双胆推荐 | 3d开机号和试机号金码关注对应码 | 今日3d专家预测号码 | 3d图谜字谜总汇 | 今晚3d专家推荐号码是多少 | 3d布衣双胆独胆王 | 3D独胆下期预测 | 3d直选一注预测 | 三d推荐号专家预测今天 | 今天3d于海滨预测 | 于海滨专家3d今天预测 | 3d于海滨预测预测牛彩网 | 十拿九稳专家预测专栏 | 一代女王p3杀两胆独胆 | 3d预测总汇手机牛彩网 | 于海滨3d免费预测最新的 | 今天3d开机号和试机号 | 3d下期预测最精准的一注号码 | 今天3d开机号和试机号查询结果彩吧 | 3d直选一注必中 | 3d预测今晚最准专家预测号码 | 今晚3d专家预测最准确 | 一代女王杀两胆 | 3d打一个独胆中了多少钱 | 3d独胆公式133x2 | 3d于海滨预测预测牛彩网 | 3d双胆独胆必下一 | 天齐网3d必中两胆今天 | 3d预测号专家预测 | 铁人铁胆包星定位今天最新结果 | 今晚3d专家最精准的预测 | 今日3d预测号码推荐 | 太湖谜3d太湖钓叟字谜 | 3d预测专家推荐最准确 | 3d预测最准最新牛彩网 | 今日正版藏机图全部汇总239期 | 3d预测最准专家 | 3d独胆三天必出计划论坛 | 3d今天专家预测推荐号码 | 3d牛彩网字谜图谜汇总九 | 3d陈华今晚独胆推荐 | 千禧3d试机号关注码今天 | 3d村独胆双胆 | 今晚牛彩网3d预测汇总 | 3d今晚十大专家预测汇总 | 3d双胆预测| 今日3d字谜太湖钓叟字谜 | 3d预测最准的专家预测 | 今晚最准一注3d | 《天才计划》三天计划独胆3d | 3d预测最准最新准专家预测号码 | 3d农村小伙子最新预测 | 3d专家今天预测一注 | 飞向阳光龙头凤尾预测 | 天齐藏机图汇总正版藏机图 | 3d今晚预测直选一注 | 3d下期预测最精准的一注号码 | 3d开机号和试机号今天 今晚 | 3d彩吧图库红五3d图库 | 最新3d预测专家预测 | 今天3d开机号试机号对应码列表 | 今日排三太湖钓叟字谜三字诀 | 三d牛彩网开机号试机号是多少 | 3d千禧金码试机号关注码开奖号 | 3d最新专家预测汇总 | 福彩3D独胆下一期推荐 | 3d独胆双胆专家预测网 | 3d最精准的专家预测 | 詹天佑3d最新预测今天 | 3d预测最新最准3d之家 | 3d基本走势图表 | 今日3d开机号和试机号关注码千禧 | 千禧今晚3d试机号关注码金码对应 | 3d最近1000期走势图表综合版图片 | 3d牛彩网采摘收集预测汇总 | 今天3d专家预测号码 推荐 | 3d开机号和试机号金码关注对应码 | 成功路上3d双胆独胆 | 3d预测一注号推荐一3d预测一注今天 | 3d独胆双胆专家预测网 | 中国福彩3D独胆实时精准预测 | 3d牛彩网试机号后专家预测汇总 | 三d开机号和试机号今天牛彩网彩 | 3d开机号码试机号牛彩网 | 今天3d开机号试机号码 | 3d预测推荐 | 3d开机号试机号近100期开奖号码 | 3d预测专家最准确 | 福家老三3d推荐号 | 最准3d预测专家推荐号 | 于海滨专家预测3d | 3d今天开机号和试机号码300 | 3d同期历史对比 | 3d开机号试机号奖号 | 3d预测最准最新准专家预测号码 | 于海滨3d预测| 今晚3d精准一注直选 | 2014年359期3d焰舞字谜 | 今天3d正版太湖字谜 | 3d今晚预测一注 | 3d太湖钓叟字谜三字诀汇总 | 2016年全年历史记录3d | 3d今晚预测直选四注 | 3d彩报图今天的第五版 | 3d和值基本走势图表 | 3d北斗专家北斗预测今天079期3d | 3d独胆专家预测 | 3d阿福图库图谜大全 | 今天3d开机号和试机号金码 | 3d各类和值谜追加汇总 | 3d近15期开奖号码结果 | 3d开机号试机号今天最新50期 | 福彩3D独胆下一期走势最新 | 3d今天专家推荐号码是多少 | 3d预测最准最新牛彩网 | 3d双胆神算今天必下 | 3d彩吧预测,预测 | 3d金胆王 | 3d走势图专家推荐号码 | 3d太湖字谜今天 | 3d今天最新最准专家预测最 | 3d百位走势图带连线图表专业版 | 3d连线走势图表图 | 毒胆牛人三天计划必出 | 3d连线走势图表图 | 3d专家推荐最精准的号码 | 3d专家预测最准确最新新闻 | 近30期3d开机号和试机号 | 张克永专家3d预测 | 3d独胆双胆预测 | 3d预测图 | 3d开机号与试机号金码 | 3d预测专家精准推荐 | 3d预测最准专家预测 | 3d今天试机号开机号关系 | 北斗3d今日专家预测推荐 | 3d十位走势图带连线图表专业版 | 3d定位独胆王三个双飞 | 詹天佑3d最新预测今天 | 于海滨3d预测今天 | 3d今晚专家预测推荐号 | 3d于海滨上的今天预测 | 3d推荐号今晚专家预测 | 3d单选一注能中多少钱 | 3d最准一注(单挑王) | 牛彩网专家汇总汇总3d | 3d预测专家最准确今天 | 今晚3d开奖号码多少 | 3d詹天佑预测汇总 | 于海滨海3d预测牛彩网 | 福彩3D独胆老师必中最新 | 今天专家推荐号码3d | 3d试机号今天晚上是多少 | 3d最准确预测专家 | 3d牛彩网今天开机号试机号 | 3d太湖钓叟字谜三字诀 | 3d预测专家最准确的专家预测今晚 | 3d十大专家杀跨度汇总 | 3d专家推荐最精准的号码 | 3d近30期开奖结果 | 今晚3d专家推荐号码 | 3d专家预测最准最新今天 | 今天的3d太湖字谜 | 牛彩网近30期3d开机号试机号 | 3d定和值公式| 最准的3d专家预测 | 3d最准预测专家推荐 | 3d和值012走势图带连线图 | 3d预测天齐网 | 今于海滨点评专家一语定胆 | 3d十大专家精准预测汇总 | 3d百位四胆| 3d今天开机号和试机号100期 | 3d近15期开奖号码结果 | 北斗3d今日预测 | 3d今于海滨杀码图 | 3d试机号200期历史 | 今日3d正版藏机图全部天齐 | 福彩3D独胆最新走势最新 | 3d真实的谎言正版和值字谜 | 3d专家独胆推荐 | 3d推荐号今晚专家预测 | 3d姜子牙一句定三码最准字谜汇总 | 今于海滨一语定胆保真今天 | 今天晚上的3d开奖结果 | 今晚3d专家推荐重点号码 | 3d预测专家推荐最准确 | 手机牛彩网3d预测 | 3d最精准专家预测汇总今天 | 三地百位振幅3d之家走势图 | 3d独胆双胆3d之家 | 3d今天的试机号和开机号 | 3d最精准专家预测汇总今天 | 3d组三一注多少钱 | 3d今晚开奖结果号码是 | 3d千禧金码试机号关注码开奖号 | 3d今晚推荐号 | 十拿九稳预测分析 | 3d开机号今天近10期 | 3d今晚专家预测推荐号 | 3d今日专家推荐号 | 3d最准确预测100%一注 | 3d最准确的专家预测 | 3d杀码高手 | 3d计算机开机号夏天推荐 | 3d北斗专家北斗预测今天079期3d | 3d预测专家最准确的专家预测今晚 | 今于海滨3d预测今天牛彩网 | 铁人铁胆包星定位今天最新结果 | 3d专家预测推荐号码最准最新 | 3d字谜图总汇| 3d今晚最准最新专家推荐号 | 3d于海滨杀码图 | 3d预测是多少| 今晚3d开机号试机号金码关注码 | 今天太湖字谜三字诀是什么 | 3d定胆王独胆定位 | 带头大哥3d预测今晚 | 3d今晚最准专家推荐号 | 3d晶晶必下一独胆今天 | 3d十大专家汇总精选一注 | 三地百位振幅3d之家走势图 | 3d牛彩网预测 | 3d最新专家预测汇总牛部长预测 | 3d今日专家推荐号 | 3d千禧开机号试机号关注金码对应码 | 于海滨的今日预测 | 白鱼舟最新3d预测 | 白姐3d今天预测号码 | 3d预测今天最准预测号 | 十拿九稳专家预测专栏 | 3d预测专家最准确今天 | 3d今天开机号和试机号100期 | 3d谜语今天字谜今天的3d字谜是什么? | 今于海滨3d杀码图 | 千禧今晚3d试机号关注码金码 | 3d双胆独胆 | 詹天佑3d今天最新预测 | 3d独胆专家推荐独胆 | 牛彩网3d预则 | 3d专家解今日太湖字谜汇总 | 3d千禧试机号金码关注最近10期 | 3d预测最准确的专家预测软件 | 3d今晚最准专家预测号码145 | 骄子铁鹰解3d字谜今日 | 3d预测汇总牛彩网 | 3d专家推荐最精准的号码 | 3d开机号试机号今天最新50期 | 3d预测 下一期 3d预测专家 3d预测 | 3d玩胆先生双胆独胆 | 排五预测号专家 | 3d太湖字太湖字谜今天 | 3d藏机图正版藏图汇总大全 | 3d独胆双胆专家预测网 | 下一期专家准确预测 | 3d独胆双胆专家预测网 | 于海滨一语定胆保真 | 3d推荐号3d推荐号码 | 六鬼神算图3d谜图 | 3d北斗专家北斗预测今天079期3d | 唐龙一胆今天最新 | 中国福彩3D独胆独家杀号 | 3d精准预测最准的专家直选 | 3d今晚上专家推荐号 | 于海滨点评专家一注定胆保真版 | 3d今天预测最准确专家 | 于海滨今天预测 | 3d十大专家预测汇总 | 于海滨3d预测牛彩网 | 3d专家推荐最精准的号码 | 昨天3d开奖号是多少 | 苦命人3d推荐一注 | 今晚3d精准一注直选 | 3d彩报图今天的第五版 | 今晚3d太湖字谜 | 今天十拿九稳号码预测 | 3d最准预测专家预测大 | 3d走势图带连线图表牛彩网 | 3d今日字谜太湖 | 3d中间号走势图振幅走势图 | 千禧3d试机号关注码金码试机号 | 3d徐文轩今晚推荐号码 | 3d十大专家汇总精选一注 | 福彩3D独胆下期推荐最新 | 3d字谜解太湖字谜 | 千禧试机号金码关注 | 于海滨海3d专家预测今天 | 今天3d开机号和试机号金码 | 大师诸葛亮今晚一个独胆 | 今晚最准一注3d | 今晚上3d开奖号码 | 3d今天专家预测最准确 | 3d必中永久直选500注大底 | 苏会文3d预测今天推荐 | 牛彩网专家汇总汇总3d | 3d预测最准最新准专家预测号码 | 今天3d太湖钓叟三字诀字谜 | 牛彩网近30期3d开机号试机号 | 3d专家预测推荐最新 | 3d海滨点评一语定胆今天最新推荐 | 3d预测今晚推荐号 | 3d免费专家预测推荐 | 3d独胆必下一独胆布衣正 | 千禧3d试机号金码关注码牛彩网 | 陈华今晚就赌一胆今天最新 | 三d预测专家 | 3d预测号最新最准牛彩网 | 3d预测一注号推荐今晚 | 3d推荐号今晚专家预测 | 3d今晚试机号是多少查询 | 詹天佑3d分析推荐 | 今日3d开奖号今晚 | 3d专家最新最准专家预测汇总 | 3d最准确的专家预测 | 3d谜语太湖钓叟3d谜语今天 | 3d今晚专家预测最准确一注 | 3d条件预测专家专区 | 3d专家推荐最新预测 | 3d杀码想要 | 3d玩彩老头预测今天号码 | 中国福彩3D独胆下期分析最新 | 3d预测专家推荐最准确 | 3d今天的试机号开机号是多少 | 3d百十差振幅走势图 | 3D独胆明日精准预测 | 福彩3D独胆下一期预测最新 | 中国福彩3D独胆专家精准预测最新 | 3d开机号试机号今天最新50期 | 2014年359期3d焰舞字谜 | 今天3d开机号和试机号多少 | 3d今晚预测直选一注3d一注预测 | 3d试机号今天开机号查询 | 今天3d太湖钓叟三字谜 | 小财神三天计划独胆 | 3d专家预测最准确最新今晚预测 | 今天3d专家推荐号 | 于海滨杀码图谜 | 3d今天的试机号开机号 | 3d走势图带连线牛彩网 | 3d开机号和试机号今天千禧 | 3d村独胆双胆3 | 3d北斗专家北斗预测今天079期3d | 福彩3D独胆大神精准预测 | 3d预测最准确最新 | 最准3d专家预测推荐 | 3d试机号后专家预测汇总 | 3d千禧试机号开机号金码 | 3d杀码公式最新 | 3d今天专家预测最准确 | 今日3d一注推荐 | 十拿九稳的最新预测 | 牛彩网3d预测汇总大全 | 于海滨精准杀码图 | 福家老三3d推荐号 | 天才计划三天计划独胆 | 3d今晚精准推荐一注 | 3d专家预测号码手机牛彩网 | 3d徐文轩今晚推荐号码 | 3d独胆专家预测 | 3d今晚专家推荐号 | 3d杀码图谜_专区杀码 | 3d预测今晚最新最准确 | 3d最精准专家预测汇总今天 | 3d专家预测推荐号最新 | 3d独胆双胆下一 | 中国福彩3D独胆下期最新必中 | 3d个位振幅走势图近50期 | 3d今晚专家预测推荐号 | 手机牛彩网3d预测 | 今天的3d开机号和试机号查询 | 排五预测号专家 | 十拿九稳预测分析 | 3d的开机号试机号奖号表 | 今天3d试机号开机号是什么 | 3d预测最准专家预测 | 今天的3d太湖字谜 | 3d今晚专家推荐号 | 3d双飞怎么买多少钱一注 | 3d于海滨预测预测牛彩网 | 今天3d太湖钓叟三字诀字谜 | 于海滨3d预测今天 | 3d精准一注 | 3d预测专家推荐号码推荐 | 3d太湖字谜官网 | 廊坊鸿运3d最新预测 | 福彩3D独胆最新预测 | 3d老炮子直选三注 | 3d十大专家推荐号码汇总 | 3d,胆| 预测今晚3d一注 | 3d十大专家推荐号码汇总 | 2012099期3d开奖结果 | 福彩3D独胆老师必中 | 今天3d开机号和试机号牛彩网 | 陈华今晚就赌一胆今天最新 | 一定牛3d杀码 | 3d字谜太湖解字谜 | 三天计划独胆牛人 | 于海滨最新预测今天 | 3d最准预测专家预测大 | 3d百位个位和值走势图 | 3d千禧试机号关注号金码号开机号 | 天才三天独胆计划 | 小红人的三天计划今天是什么 | 3D独胆本期推荐 | 今日期3d太湖字谜 | 3d预测最准确的专家预测软件 | 3d研究生双胆王 | 詹天佑推荐3d| 3D独胆下期预测 | 今天3d太湖钓叟三字诀字谜 | 3d字谜今日字谜总汇 | 彩宝3d专业走势图 | 3d牛彩网预测汇总 | 3D独胆今晚命中率 | 3d七码复式最准专家 | 今于海滨点评专家一语定胆 | 3d今晚最精准专家 | 3d精准一注 | 张克永专家3d预测 | 3d双胆独胆必下一 | 看彩大亨看独胆双胆预测 | 3d今晚精准推荐一注 | 3d预测最准专家预测牛彩网 | 太湖钓叟3d字谜太湖字 | 3d今晚专家推荐号 | 3d独胆预测必下一胆 | 3d试机号开机号今天金码关注 | 今晚3d专家推荐重点号码 | 今日3d开机号和试机号关注码千禧 | 3d今天专家预测最准 | 3d中间最小两码差值振幅走势图 | 3d今天专家预测推荐号码 | 3d今晚和值推荐 | 3d今晚最准专家推荐号码 | 福彩3D独胆今晚必中最新 | 3d今天开机号和试机号100期 | 2014年359期3d焰舞字谜 | 徐文轩3d预测推荐 | 独胆真人就打独胆今天 | 今晚开奖号码3d开奖结果 | 孟庆会老师3d预测彩吧图库今天 | 3d连线走势图表图 | 3d正版藏机图天齐网汇总 | 3d预测最准确的专家 | 中国福彩3D独胆明日推荐最新 | 于海滨三地杀码 | 今天3d开机号试机号金码 | 3d十大专家预测汇总 | 3d八哥图库总汇d字谜图谜总汇大全 | 中国福彩3D独胆最新推荐 | 今晚3d预测最准一注 | 3d预测最准的专家 | 天齐藏机图汇总正版藏机图 | 3d今晚专家预测最准确一注 | 3d单选一注能中多少钱 | 今晚3d必出号 | 今晚3d一注直选 | 今天3d牛彩网专家预测 | 3d个位振幅走势图近50期 | 专家彩宝贝预测汇总 | 3d今日开机号和试机号及关注码 | 今日3d开奖号今晚 | 今晚3d专家推荐号码 | 3d今日开机号和试机号及关注码 | 于海滨海3d专家预测 | 3d最准确专家预测 | 3d彩宝贝字谜 | 于海滨3d最新预测 | 3d十位走势图振幅 | 十拿九稳专家最新预测 | 3d专家预测汇总牛彩网彩摘收集 | 中国福彩3D独胆最新必中 | 今于海滨3d预测今天牛彩网 | 3d今晚字谜太湖字谜是什么 | 3d免费预测汇总牛彩网 | 于海滨点评专家一注定胆保真版162期 | 排三王牌小哥独胆 | 3d千禧试机号关注号金码牛彩网 | 3d最新专家预测推荐 | 3d百位走势图带连线图表专业版 | 近300期3d和值走势图 | 3d预测专家精准推荐 | 天齐网专家杀码大全 | 今天龙头凤尾预测 | 3d字太湖叟字谜 | 【独胆真准】3d | 今日3d一句定三码和值谜食物全部 | 骄子铁鹰解3d字谜今日 | 三d预测牛彩网汇总 | 3d之家独胆,双胆 | 3d独胆之家 | 3d专家詹詹天佑最新推荐 | 3d牛彩网断组预测 | 近300期3d和值走势图 | 成功路上3d双胆独胆 | 财神爷独胆三天计划,就这么牛 | 大师诸葛亮今晚一个独胆 | 3d号码预测和推荐号今天 | 3D独胆下一期精准预测 | 3D独胆高手走势最新 | 中国福彩3D独胆下期最新必中最新 | 3d谜语解太湖字谜 | 钱王今天3d预测号 | 于海滨海3d专家预测今天 | 3d专家今天预测一注 | 于海滨今日杀码图 | 今日3d专家预测号最准确 | 解太湖3d字谜太湖 | 福彩3D独胆下一期命中率最新 | 今晚3d必出号 | 3d最准确最新专家预测 | 3d和值牛彩网 | 3d试机号后专家预测推荐汇总 | 3d条件预测专家专区 | 詹天佑3d今晚预测号码 | 3d杀码专家杀码 | 今天3d开机号试机号牛彩列表 | 3d北斗专家北斗预测今天079期3d | 3D独胆老师分析 | 今日3d开机号和试机号列表三十期 | 3d开机号和试机号金码关注 | 3d预测专家最准确的专家预测今晚 | 3d预测专家最准确 | 3d詹天佑预测汇总 | 3d陈华就赌一个胆天齐网 | 今日正版3d藏机图全部汇总 | 今晚3d开奖直选结果 | 3d今晚开奖号结果 | 3d预测最准确的专家 | 3d今天开机号和试机号232 | 3d太湖钓叟字谜三字诀了3d开奖 | 3d太湖17500字谜 | 3预测,3d专家预测,最准确今天彩网 | 3d今晚上预测号码 | 3d跨度走势图图表 | 今天专家推荐号码3d | 3d预测专家推荐号码 | 今日排三太湖钓叟字谜三字诀 | 正版铁人铁胆3d | 孟庆会3d预测今天 | 福彩3D独胆明日分析最新 | 推荐一注3d号码 | 今于海滨3d预测 | 3d最新准专家预测 | 3d开机号和试机号八仙选号 | 7号电池最建议买的三个型号 | 3d开机号近200期历史记录 | 于海滨一语定胆《保真》 | 3d楚人今晚预测今天 | 3d预测最准专家预测号码 | 3d专家预测推荐 | 小红人的三天计划今天是什么 | 3d今天专家预测最准确 | 3d直选一注50倍单挑 | 3d太湖钓叟字谜三字诀了3d开奖 | 3d预测一注号推荐今晚 | 3d独胆双胆专家预测网 | 3d今天专家推荐号码推荐 | 3d开机号和试机号今天多少 | 詹天佑3d推荐 | 3d独胆必下一个胆 | 3d试机号开奖号走势图表 | 最准3d预测专家推荐号 | 今日3d正版藏机图全部天齐 | 张克永专家3d预测 | 马后炮解3d字谜 | 3d牛彩网专家预测 | 3d预测今晚推荐号 | 3D独胆今晚命中率 | 今天3d藏机图正版藏机图藏机图太湖横屏 | 3d双胆独胆推荐 | 今天3d开机号和试机号全部 | 苦命人3d推荐一注 | 3d今晚最准确一注 | 于海滨精准杀码图 | 今晚3d专家推荐重点号码 | 福彩3D独胆最新命中率 | 3d太湖专家预测今晚 | 3d杀码大全| 3d预测晚 | 3d专家预测最准最新 | 3d今晚最精准专家 | 3d今天开机号和试机号322 | 今日正版3d藏机图全部汇总 | 小薇3d预测今天推荐 | 预测3d今晚开奖号 | 3d今天最新最准专家预测最 | 3d今天晚上预测最准专家 | 3d直选是什么意思 | 3d试机号码开机号 | 3D独胆下一期精准预测 | 3d双飞大师双胆组合 | 3d开机号试机号今天最新50期 | 3d预测最准专家预测号码 | 小薇3d预测今天推荐 | 3d藏机图正版藏机图太湖字谜 | 小红人的计划三天计划独胆 | 今晚3d预测总汇 | 3d预测一注推荐 | 牛彩网3d预则 | 3d今晚预测直选四注 | 3d就打一个胆中了多少钱 | 3d今晚上专家推荐号 | 3d今晚最准最新专家推荐号 | 3d专家今天推荐号 | 3d预测推荐汇总 | 3d跨度金木水火土五行走势图 | 3d双胆独胆推荐 | 3d姜子牙一句定三码最准字谜汇总 | 3D独胆今晚命中率最新 | 今日3d开机号和试机号列表三十期 | 3d今晚预测100% | 3d今晚专家预测最准确一注 | 3d最准确预测专家 | 3d预测最准的专家预测 | 今天十拿九稳号码预测 | 3d十大专家双胆预测汇总 | 3d今天开机号和试机号100期 | 小薇3d预测今天推荐 | 3d今天专家推荐号码 | 3d基本走势图表完整版 | 3d预测专家推荐最准确 | 排三太湖钓叟字谜三字诀 | 3d今晚的开奖号码 | 3d预测最准确的专家预测软件 | 3d预测专家最准确的专家预测今晚 | 唐龙3d预测号 | 3d最准确预测专家 | 中国福彩3D独胆最新推荐最新 | 3d今晚试机号是多少 | 3d今天专家推荐号码推荐 | 成功路上3d双胆独胆 | 3d双胆| 于海滨今日杀码图最新 | 3d预测专家推荐最准确 | 神仙姐姐三胆 | 专家预测3d号码准确 | 昨天3d开奖号是多少 | 今天最新3d开机号试机号关注码 | 太湖试机号后一句定三码3d字谜 | 今天3d太湖钓叟三字谜 | 十拿九稳专家预测专栏 | 3d单选一注能中多少钱 | 3d开机号今天近100期南方查询 | 3d今天开机号试机号对应码关注码 | 于海滨海3d专家预测今天 | 3d今晚最准专家预测号码145 | 今天3d开机号和试机号金码 | 3d天宇和值谜字谜 | 今天3d牛彩网专家预测 | 3d藏机图正版藏机图诗汇总 | 3d一句定三码最准字谜 | 3d今天专家预测最准确 | 3d预测今晚最准专家预测号码 | 3d开机号和试机号码牛彩网 | 于海滨3d预测专家今天 | 福彩3D独胆最新命中率 | 3d今晚和值推荐 | 小胆神玩毒胆我3d | 3d开机号和试机号金码关注 | 3d最新最准专家预预测 | 3d个位振幅走势图近50期 | 今天3d专家推荐号 | 今晚3d出的什么号 | 3d专家预测最准确今天上一期 | 中国杀码王3d绝杀 | 3d下期预测最精准的一注号码 | 3d双胆独胆非常非常稳定 | 3d专家预测最准确今天 | 3d最准确的专家预测 | 3d牛彩网和值走势图 | 3d专家预测最准确最新新闻 | 3d预测最新最准确号码 | 3d今天专家预测最准确 | 今日排五专家推荐与预测 | 3d千禧开机号试机号关注金码 | 3d预测专家推荐号码推荐 | 3d今天专家推荐 | 3d今天开机号试机号200期 | 3d独胆中了给多少钱 | 于海滨最新预测今天 | 3d预测最准专家预测牛彩网 | 今于海滨3d预测今天牛彩网 | 3d詹天佑最新预测今天 | 于海滨今日杀码图最新 | 3d农村小伙子最新预测 | 3d最大值振幅走势图3之家 | 3d专家预测推荐号码最准最新 | 于海滨3d预测专家今天 | 3d怎么守号不亏 | 今晚3d开机号和试机号是多少 | p3千禧试机号关注金码 | 3d专家预测号码最准确 | 3d预测汇总 | 3d 今日太湖字谜 | 三d字谜图谜总汇牛彩网 | 3d杀码图汇总 | 福彩3D独胆下期推荐精准预测 | 3d预测 下一期 3d预测专家 3d预测 | 3d试机号近10期彩经网 | 于海滨3d免费预测 | 今晚最全3d晚间字谜汇总192期 | 3d就打一个胆中了多少钱 | 3d开机号近200期历史记录 | 3d今天开机号和试机号232 | 3d和值基本走势图表 | 3d推荐号今晚专家预测最准确 | 3d专家预测最准确最新今晚预测号 | 3d预测最准专家预测牛彩网 | 3d近30期开机号试机号开奖号查询 | 开心笨小孩3d独胆 | 3d双胆神算今天最新 | 今日3d预测专家推荐 | 3d今天出的什么号 | 3d计算公式 | 今天3d推荐号码今晚预测 | 3d北斗专家北斗预测今天079期3d | 3d今天开机号和试机号查询100期 | 3d预测一注号推荐一3d预测一注今天 | 3d牛彩网专家预测汇总 | 3d预测牛彩网预测汇总 | 3d彩吧图库红五3d图库 | 三d预测汇总 | 中国彩吧更一懂彩民最新版本更新时 | 3d布衣双胆独胆王 | 3d今天开机号和试机号开奖结果 | 3d晚秋和值谜彩吧图库 | 3d,胆| 十大专家3d预测汇总 | 卫星电话最建议买的三个型号 | 今日3d字谜3d一句定三码诗天中图 | 3d开机号和试机号八仙选号 | 3d专家预测最准确 | 3d预测最准专家预测号 | 彩界女王双胆独胆 | 3d千禧试机号开机号对应码关注号 | 今晚3d专家推荐号码 | 今天3d专家预测汇总 | 3d往年历史今天开奖结果 | 牛人独胆二天计划 | 3d专家预测最准确今天牛彩网 | 3d组选中一注多少钱 | 3d十位单选振幅走势图 | 机选一注3d | 3d预测 下一期 3d预测专家 3d预测 | 3d预测专家准确推荐 | 3d独胆一个 | 3d杀码大全 天齐网 于海滨3d最新预测 千禧3d试机号金码关注码对应码今晚 | 3d预测专家最准确的专家预测 | 最准3d专家预测推荐 | 于海滨3d预测专家今天 | 3d预测专家最准确的专家预测今晚 | 个位杀码王 | 3d今晚专家预测推荐 | 3d预测号码最准最新准专家预测号 | 3d于海滨预测预测牛彩网 | 3d最准确预测专家 | 3d五码复式 | 3d独胆10中10 | 3d白娘子跨度字谜汇总今天牛彩网 | 千禧3d试机号关注码金码试机号 | 3d十大专家精准预测汇总 | 排三杀码专家天齐网 | 于海滨今天杀码 | 3d预测一注号推荐一3d预测一注今天 | 排五专家预测精准 | 于海滨3d预测今天 | 3d今晚精彩预测 | 3d专家预测最新最准 | 3d今天预测最准确专家 | 3d十位单选振幅走势图 | 中国福彩3D独胆老师分析最新 | 太湖字谜太湖钓叟三字诀 | 3d字谜总汇今日3d字谜总汇牛彩网 | 今天专家推荐号码3d | 3d专家预测推荐号码 | 3d今天预测最准确专家 | 于海滨海3d专家预测今天 | 3d开心毒胆独胆王 | 3d直选综合走势图表图 | 3d今晚和值字谜 | 3d专家推荐最精准的号码 | 3d十大专家精准预测汇总 | 3d推荐号今日预测 | 今晚3d最准专家预测号 | 3d牛彩网专家预测汇总 | 于海滨专家3d预测 | 3d太湖钓叟字谜汇总正版藏机图 | 今天3d的开机号和试机号是多少号 | 福彩3D独胆老师走势最新 | 3d预测最准的专家预测 | 彩坛老顽童3d独胆 | 3d千禧试机号关注号金码牛彩网 | 成功路上3d双胆独胆 | 3d詹天佑3d预测 | 开奖结果3d今天晚上 | 3d预测最准确的专家预测软件 | 今日3d最准开机号 | 3d最新最准预测号码今天 | 3d谜语解太湖字谜 | 3d千禧试机号开机号对应码关注号 | 3d今晚必中三个号码预测 | 3d定位独胆王三个双飞 | 千禧之年3d开机号试机号金码关注 | 3d最准确的预测方法 | 今日3d专家预测号最准确 | 3d百位四胆 | 3d今天预测号 | 3d预测推荐汇总 | 于海滨今日预测号 | 3d于海滨专家预测 | 于海滨点评专家一语定胆保真版 | 3d今晚预测直选一注 | 3d预测最准确专家预测 | 3d独胆怎么打 | 3d于海滨预测 | 三d的试机号是多少今天 | 3d千禧开机号试机号关注金码对应码 | 3d基本走势图表完整版 | 十拿九稳预测专家分析 | 3d太湖字太湖字谜今天 | 3d今晚专家预测最准确一注 | 3D独胆下期最新预测 | 牛彩预测汇总3d最新 | 3d预测号码最准确专家预测 | 3d十大专家推荐号码汇总 | 詹天佑3d今晚预测号码 | 太湖3d字谜今天的 | 3d专家推荐号 | 今天3d专家解太湖字谜汇总 | 3d于海滨上的今天杀码 | 3d试机号后专家预测推荐汇总 | 3d今天专家预测最准确 | 3d今天预测号 | 预测今晚3d一注 | 3d专家预测最准确今天上一期 | 3d于海滨上的今天预测 | 今日詹天佑3d预测分析 | 今于海滨3d杀码 | 太湖字谜马后炮3d总汇 | 3d藏机图天齐正版藏机图 | 3d上下五千年专家预测 | 3d字谜太湖钓叟三字诀今天 | 3d陈华就赌一个胆天齐网 | 千禧关注码试机号金码 | 3d太湖字谜今天 | 3d独胆必下一独胆3d独胆预测 | 3d恋预测今晚预测是哪里出的 | 看彩大亨最新独胆预测 | 十拿九稳预测专家分析 | 排3藏机图正版藏机图今天 3d八哥图库总汇d字谜图谜总汇大全 | 于海滨的今日预测 | 今天三d专家推荐号码 | 3d预测专家最准确的专家预测今晚 | 3d试机号开机号今天最新 | 3d今天开机号和试机号码727 | 今天买哪三个号码好 | 3d詹天佑最新预测今天 | 今天3d推荐号码今晚预测 | 3d十大专家精准预测汇总 | 3d预测最准确专家预测 | 3d预测最准专家预测号码 | 3d独胆专家推荐独胆 | 3d今天精准一注 | 3d最新最准专家预测号码 | 财神爷三天计划必下更新 | 3d预测今晚最准专家预测号码 | 于海滨最新3d预测今天 | 3d今晚专家免费预测 | 今晚3d试机号开机号 | 3d专家预测号码推荐今天 | 玩彩独胆王三天计划 | 3d预测号最新最准牛彩网 | 3d开机号和试机号八仙选号 | 3d今晚开奖号码结果是多少 | 3d资料大全免费 | 3d最新预测专家推荐 | 3d今天预测最准确专家 | 3d预测最新最准专家 | 3d今天精选五注 | 中国福彩3D独胆独家必中 | 詹天佑最新预测3d | 于海滨点评专家一语定胆保真版 | 三d预测专家预测今天最新 今于海滨3d预测 | 3d最大值振幅走势图彩经 | 3d谜语今天字谜今天的3d字谜是什么? | 于海滨3d预测天齐网 | 3d财神爷独胆双胆双飞计划三天 | 3d和值尾振幅走势图50期 | 3d最精准的专家预测 | 3d千禧试机号关注号金码号开机号 | 3d精选号码推荐今天最新 | 3d今天最新最准专家预测最 | 福彩3D独胆独家命中率最新 | 3d今日预测推荐号 | 3d双胆图| 今于海滨3d预测 | 中国福彩3D独胆实时精准预测 | 3d独胆双胆专家预测网 | 3d专家今天预测一注 | 苏会文3d预测今天推荐 | 3d专家直选最精准一注 | 3d字太湖叟字谜 | 3d绝杀三码今天 | 3d开机号和试机号今天千禧 | 3d试后太湖一语定胆字谜 | 今日3d正版藏机图 | 千禧3d试机号金码关注码杀码今天3d | 3d天齐网最准预测 | 3d预测 下一期 3d预测专家 3d预测 | 助赢计划软件官网版下载 | 3d今日预测最准专家预测 | 今晚3d专家最精准的预测 | 3d专家预测最准最新今天 | 3d预测今晚最准专家预测号码 | 3d今晚专家预测推荐 | 3d字谜汇总大全总汇大全 | 3d今晚最准的一注 | 今天3d马后炮解太湖字谜汇总 | 于海滨海3d预测牛彩网 | 3d杀码图谜 | 3d今晚必中一注一注 | 3d就打一个胆中了多少钱 | 3d预测专家精准推荐号 | 今天3d试机号开机号是什么 | 3d手机牛彩网专家预测 | 3d今晚推荐号码最新 | 今日3d蓝仙子一句定三码字谜 | 3d推荐最新最准专家预测 | 3d 今日太湖字谜 | 排三平均值振幅走势图3d之家 | 3d最准确的专家预测 | 3d字谜汇总大全总汇牛彩网开机号 | 3d316期太湖字谜 | 3d今晚必出号预测 | 3d跨度振幅走势图3d专家 | 3d今天专家预测推荐号码 | 千禧试机号金码今天的 | 3d专家预测汇总 | 3d杀码大全 天齐网 于海滨3d最新预测 千禧3d试机号金码关注码对应码今晚 | 千禧三地试机号对应码金码 | 于海滨海3d预测保真 | 福彩3D独胆下一期预测最新 | 3d太湖钓叟字谜三字诀论坛 | 手机牛彩网3d预测 | 3d白娘子跨度字谜汇总今天牛彩网 | 3d太湖字谜总汇大全 每天更新 | 3d走势图专业版(带连线) | 3d独胆双胆专家预测网 | 3d专家杀码天中图库 | 3d今晚最准专家推荐号码 | 3d今日开机号和试机号及关注码 | 3d预测最准专家预测牛彩网 | 3d今晚专家推荐 | 今于海滨3d预测今天 | 3d跨度振幅走势图3d专家 | 3d今日专家推荐号 | 3d推荐号今晚专家预测 | 开奖结果3d今天晚上 | 3d太湖17500字谜 | 今晚3d的开奖号码 | 3d今日预测最准专家预测 | 3d专家预测最新最准推荐 | 3d直选精准100%免费 | 3d于海滨专家预测 | 3d 图谜字谜总汇 | 3d十大专家杀跨度汇总 | 3d最大值振幅走势图遗漏 | 3d于海滨预测预测牛彩网 | 于海滨专家3d今天预测 | 今晚3d的开奖号码 | 唐龙3d预测号 | 3d财神爷今晚独胆 | 3d今日专家推荐号 | 3d今天专家预测推荐号码 | 3d杀码专家杀码最精准 | 3d预测号码最准确专家预测 | 于海滨海3d预测免费每日精选3d开奖号 | 3d专家预测汇总牛彩网彩摘收集 | 于海滨杀码图天齐网 | 3d跨度分位走势图图感觉 | 今晚三d推荐什么号码 | 两天计划双胆王 | 3d最大值振幅走势图3之家 | 3d预测今晚最准专家预测号码 | 于海滨3d杀码图 | 3d专家预测最准最新 | 3d专家预测号码推荐今天 | 3d字谜太湖字 | 3d北斗专家北斗预测今天079期3d | 3d藏机图天齐正版藏机图 | 千禧3d试机号关注码金码试机号 | 十拿九稳预测最准100% | 3d预测专家汇总预测 | 千禧今晚3d试机号关注码金码对应 | 张克永专家3d预测 | 今日3d最准开机号 | 3d专家预测最准双胆 | 3d绝杀一码绝杀 | 3d最新最准预测号码今天 | 于海滨专家3d今天预测 | 3d专家预测最准今天 | 3d千禧金码试机号关注码开奖号 | 3d今晚预测最新最准确号码牛彩网 | 3d字谜解太湖字谜 | 3d预测专家推荐最准确 | 今晚3d直选推荐 | 今日3d开机号和试机号关注码千禧 | 三d预测专家预测 | 今日3d太湖字谜三字诀 | 3d一定牛专家预测推荐 | 天齐藏机图汇总正版藏机图 | 3d今天开机号和试机号金码对应码 | 3d单一跨度走势图表 | 3d专家推荐号 | 3d正版藏机图谜汇总 | 骄子铁鹰解3d字谜今日 | 3d钓叟字谜三字诀官网 | 3d预测专家精准推荐 | 今天3d开机号和试机号码结果查询 | 今日3d直选一注 | 3d和值走势图彩宝网 | 中国福彩3D独胆今晚走势最新 | 3d预测专家最准确 | 投资独胆三天计划论坛 | 3d太湖17500字谜 | 今天最新3d开机号试机号关注码 | 今天3d专家预测号码 推荐 | 排三杀码专家 | 3d预测今日最新推荐 | 牛彩预测汇总3d最新 | 今日3d正版藏机图,藏机图汇总,天中网 | 于海滨3d最新预测 | 3d今晚出啥号 | 3d今天专家预测推荐号码 | 3d十大专家推荐号码汇总 | 3d今晚预测准确的专家预测 | 3d老炮子直选三注 | 马后炮解3d太湖字谜总汇大全 | 3d和值尾走势图(专业版) | 3d今日开机号和试机号及关注码 | 3d预测专家精准推荐 | 铁人真胆一句定三码3d字谜彩搜网 | 3d今日专家推荐号 | 3d百个位差值振幅走势图100期 | 毒胆牛人三天计划 | 3D独胆下期预测 | 3d字谜汇总大全总汇牛彩网开机号 | 太湖字谜三字诀汇总 | 福彩3D独胆明日精准预测 | 3d开机号近30期列表彩宝网 | 3d最新专家预测汇总 | 3d今晚专家推荐号 | 于海滨专家预测3d两吗 | 今日正版3d藏机图汇总 预测 | 福彩3D独胆下一期推荐 | 3d预测今晚推荐号 | 神仙姐姐独胆一个 | 3d牛彩网100期开机号和试机号 | 3d专家预测精选一注 | 今晚3d开机号和试机号是多少 | 3d胆王帅哥独胆双胆 | 3d预测最准确专家预测牛彩网 | 3d最准确预测专家 | 杀码3d杀码图 | 3d和值尾振幅走势图彩宝贝 | 3d双胆预测3d双胆下3d 双胆推荐 | 福彩3D独胆内部走势 | 千禧3d今晚的试机号码 | 3D独胆高手杀号 | 中国福彩3D独胆内部杀号 | 3d今天预测号 | 3d于海滨上的今天预测保真 | 3d天宇和值谜字谜 | 3d专家预测最准最新 | 于海滨3d今晚预测号码 | 3d专家今天预测汇总 | 3d今晚开机试机号 | 3d专家最新最准专家预测 | 3d免费预测 | 牛彩网3d专家预测汇总 | 千禧3d开机号试机号金码 | 解3d太湖钓叟字谜汇总 | 于海滨杀码图今天最新 | 最准杀码王p3 | 3d最准专家预测号 | 3d字太湖叟字谜 | 3D独胆下期预测 | 3d独胆预测必下一胆 | 李明启3d预测最新号码 | 3d预测最准最新准专家预测 | 3d今天专家预测号码 | 3d今天开机号和试机号码727 | 3d精准推荐号 | 千禧3d试机号金码今天关注码对应码 | 3d最准专家预测号 | 经典小胆王三天计划配组合 | 3d图谜字谜总汇 | 3d直选综合走势图表图 | 陈华3d今晚赌独一胆天齐网 | 3d最精准的专家预测 | 3d今晚最准最新专家推荐号 | 3d于海滨预测 | 3d专家预测最准确最新今天牛彩 | 3d最精准专家预测汇总今天 | 三d预测专家最新推荐 | 3d布衣独胆双胆必下一 | 今晚3d试机号千禧试机号金码关注 | 3d今天开机号和试机号是多少 | 预测今晚3d一注 | 3d千禧试机号码金码关注码 | 3d预测 下一期 3d预测专家 3d预测 | 今天的3d太湖字谜 | 3d开机号码近100期 | 3d今天试机号开机号关系 | 3d今晚最准专家预测号码145 | 三d双胆独胆 | 3d今日专家精准推荐号 | 3d太湖字谜三字诀 | 3d财神爷今晚独胆 | 三d的试机号是多少今天 | 3d字谜图总汇 | 3d开机号和试机号金码查询 | 今天3d精选一注 | 3d预测专家推荐最准确 | 3d计算公式精准100%计算 | 3d今天千禧试机号关注号金码 | 3d开机号和试机号金码关注对应号 | 3d预测今晚推荐号 | 3d直选是什么意思 | 小红人的计划三天计划独胆 | 财神一注3d | 今晚3d推荐号码是多少 | 3d今晚预测开奖号码 | 3d三天计划独胆王 | 太湖3d字谜太湖钓叟三字诀 | 3d最新专家预测推荐 | 3d至尊计划独胆 | 3d试机号后专家预测推荐汇总 | 今天3d牛彩网专家预测 | 于海滨点评专家一语定胆保真版 | 最准3d预测专家推荐号 | 3d今晚最准最新专家推荐号 | 3d专家预测汇总牛彩网彩摘收集 | 今晚3d专家预测精选一注 | 3d预测专家推荐号码推荐 | 3d开奖号码走势图表 | 正版铁人铁胆3d | 3d预测一注号推荐今晚 | 3d字太湖叟字谜 | 3d今天的推荐号 | 3d八哥图库总汇d字谜图谜总汇大全 | 3d今天开机号和试机号码727 | 3d今天专家预测号码最准确 | 今天的3d推荐号码是多少 | 3d预测 下一期 3d预测专家 3d预测 | 3d推荐最新最准专家预测 | 3d火火独胆双胆 | 3d精准预测最准的专家直选 | 3d陈华今晚就赌一个胆搜索一下 | 今天3d专家推荐重点号 | 3d字谜汇总大全总汇大全 | 3d专家杀码 | 今晚3d直选一注 | 3d今天开机号和试机号开奖结果 | 詹天佑3d预测号 | 千禧关注码试机号金码 | 徐文轩3d预测推荐 | 3D独胆下期最新精准预测 | 三d独胆| 于海滨预测3d号 | 3d今日预测最准专家预测 | 3d专家最新最准专家预测 | 【开心毒胆】今天 | 3d今天开机号试机号100期 | 于海滨一语点评今日 | 3d预测号码最准确专家预测 | 3d今晚专家预测最准确一注 | 今晚3d开奖号是多少 | 3d字谜图谜总汇 | 今日3d一注推荐 | 3d今晚最准专家预测号码 | 3d专家推荐最新预测 | 唐龙一胆今天最新 | 3d鬼手字谜和谜 | 于海滨最新预测今天 | 钱王点评+钱王老头预测 | 3d直选是什么意思 | 3d詹天佑预测分析牛彩网 | 3d最小值振幅走势图3d之家 | 3d今日开机号和试机号及关注码 | 3d北斗专家北斗预测今天079期3d | 今天3d开机号试机号对应码列表 | 3d今晚推荐号码最新 | 3d千禧试机号金码关注码对应码 | 3d今晚字谜太湖字谜是什么 | 3d今晚推荐号 | 3d千禧试机号金码关注码对应码 | 3d预测最准专家预测牛彩网 | 3d晶晶必下一独胆今天 | 3d预测专家推荐 | 詹天佑3d最新预测今天 | 3d玩胆先生双胆独胆 | 3d预测专家最准确 | 今晚3d预测推荐一注 | 詹天佑3d最新预测今天 | 3d开机号近200期历史记录 | 中国福彩3D独胆明日推荐 | 福彩3D独胆下期最新分析 | 2025长期守号最佳5注推荐 | 3d牛彩网采摘收集预测汇总 | 3d近30期开奖号码 | 今天3d牛彩网专家预测 | 3d预测今晚最准专家预测号码 | 3d走势图的基本走势图 | 中国福彩3D独胆专家精准预测最新 | 3d断组预测 | 3d最准预测号 | 小红人的三天计划今天是什么 | 3d今日预测推荐号 | 3d今晚预测一注 | 于海滨3d预测今天 | 3d八哥图库总汇d字谜图谜总汇大全 | 于海滨点评加专家一语 | 钱王点评 | 钱王点评十钱王老头给胆 | 3d今晚最准最新专家推荐号 | 免费计划软件 | 3d预测今晚最准专家预测号码 | 3d预测最精准预测 | 3d预测总汇手机牛彩网 | 今日3d正版藏机图,藏机图汇总,天中网 | 近30期3d开机号和试机号 | 3d试机号今晚开机号 | 3d字太湖字谜 | 3d太湖专家预测今晚 | 天齐网3d首页保真版3d预测 | 天齐网3d必中两胆今天 | 3d独胆双胆独胆3d之村 | 3d今晚最准专家推荐号 | 3d专家预测于海滨 | 助赢计划软件免费版下载安装 | 3d邻孤传复隔中走势图 | 3d跨走势图带连线走势图 | 3d预测专家推荐最准确 | 3d专家今日推荐号码 | 3d近200期试机号和开奖号码 | 3d字谜汇总大全总汇牛彩网开机号 | 天才计划三天计划独胆 | 铁人铁胆定位包是预测 | 于海滨海3d预测免费每日精选3d开奖号 | 于海滨3d免费预测最新的 | 3d最新专家预测推荐 | 3d千禧试机号关注号金码号开机号 | 十拿九稳预测专家分析 | 3d的预测号| 今晚3d推荐号 | 3d十大专家精准预测 | 3d今晚专家推荐 | 3d专家预测最准确最新新闻 | 3d走势图带试机号彩宝网 | 3d最准确预测100%一注 | 齐彩网3d专家预测 | 3d专家最新最准专家预测汇总 | 牛彩网3d预测汇总 | 于海滨预测3d号 | 3d牛彩网专家汇总汇总大全 | 3d白娘子跨度字谜汇总今天牛彩网 | 3d今天专家预测最准确 | 今晚3d专家推荐号码是多少 | 于海滨海3d预测保真 | 彩界毒胆大师一枚毒胆 | 3d彩界精英独胆双胆 | 3d今晚最准专家预测号码145 | 3d铁人包星定胆天齐网 | 3d今晚专家预测推荐 | 3d今天预测最准确专家 | 3d开机号今天牛彩网近30期 | 今日3d大老人预测号 | 3d预测最准确的专家预测软件 | 双胆王看双胆3d | 3d直选一注今天 | 三d双胆独胆 | 今晚3d专家推荐号 | 福彩3D独胆老师杀号最新 | 3d手机牛彩网专家预测 | 3d千禧金码试机号关注码 | 今晚3d专家推荐 | 3d预测 下一期 3d预测专家 3d预测 | 于海滨三地杀码 | 3d牛哄哄解太湖字谜今天 | 3d陈华就赌一个胆天齐网 | 中国福彩3D独胆当天精准预测最新 | 3d和值专家推荐和值 | 3d组选中一注多少钱 | 3d的开机号试机号奖号表 | 3d中2个号多少钱 | 3d预测最准确的专家预测软件 | 今天3d开机号试机号对应码列表 | 3d下期预测最精准的一注号码 | 3d单一跨度走势图表 | 今天太湖字谜三字诀是什么 | 福彩3D独胆下一期预测最新 | 3d长中剑客预测今天 | 十拿九稳预测专家分析 | 3d下期预测最精准的一注号码 | 3d预测专家推荐最准确 | 今晚3d专家预测精选一注 | 3d独胆专家预测 | 7号电池最建议买的三个型号 | 3d专家最新最准专家预测汇总 | 廊坊鸿运3d推荐今天 | 小薇3d预测今天推荐 | 3d金胆王| 3d必中永久直选500注大底 | 于海滨海3d预测保真 | 三d今晚预测推荐十注 | 千禧金码关注码试机号 | 3d预测专家推荐 | 3d今天专家推荐号码 | 3d专家预测最准最新今天 | 3d预测最新最准3d之家 | 今日3d太湖字谜每天更新 | 3d开机号今天近10期 | 中国福彩3D独胆下一期预测最新 | 3d两胆精准预测 | 3d千禧试机号和金码关注 | 3d十大专家汇总精选一注 | 至尊计划王三天计划独胆 | 今天的3d开机号和试机号中奖号 | 三d牛彩网开机号试机号是多少 | 太湖字谜马后炮3d总汇 | 马后炮解今日太湖字谜三字诀 | 3d最精准的专家预测 | 3d近100期的开奖号码和试机号 | 3D独胆下期推荐分析最新 | 3d预测最准确专家 | 今晚3d预测专家预测号 | 3d和走势图 和值尾连线 | 浙江风采3d走势图表 | 3d预测最准最新准专家预测号码 | 3d专家最新最准预测 | 3d廊坊鸿运正版推荐 | 3d最准确预测100%一注 | 马到成功杀两码最新版本更新内容 | 3d试机号后专家预测推荐汇总 | 今晚上3d出奖结果 | 财神一语定一注3d字谜 | 于海滨3d专家预测 | 三d预测专家最新推荐 | 3d预测今晚最准专家预测号码 | 3d今天开机号试机号3 | 3d专家今日推荐号码 | 3d天中杀码图专区 | 3d开机号试机号近100期开奖号码 | 今天最新3d开机号试机号关注码 | 中国福彩3D独胆实时必中最新 | 3d专家解今日太湖字谜汇总 | 3d陈华今晚就赌一胆天齐网 | 3d今晚一注 | 3d专家预测推荐汇总 | 马后炮解3d太湖字谜总汇大全 | 3d带连线专业版走势图表 | 3D独胆专家推荐 | 3d组选中一注多少钱 | 3d专家预测最准确最新今天牛彩 | 3d和值最近(500)期走势图 | 排5预测,最准排五专家 | 3d专家预测最准最新今天 | 3d千禧试机号金码关注码对应码 | 3d最准一个独胆方法 | 今天3d专家解太湖字谜汇总 | 3d试机号开机号关注号金码 | 3D独胆大神走势 | 今晚3d直选推荐 | 3d基本走势结果 | 金银胆神金胆银胆的最新消息 | 3d专家预测最新 | 千禧3d试机号关注码金码今天的 | 福彩3D独胆老师必中 | 三天计划独胆牛人 | 今晚上的3d开奖号 | 3d百个和值尾振幅走势图 | 今日3d一句定三码最准和值谜 | 今晚精准一注3d | 牛彩网3d专家预测汇总 | 今晚于海滨海3d预测3d | 3d预测专家精准推荐 | 3d百十个位杀码家彩网 | 排三王牌小哥独胆 | 3d今晚预测最准确一注 | 3d预测最准专家预测牛彩网 | 三d的试机号是多少今天 | 于海滨杀码今天最新版 | 【开心毒胆】今天 | 3d独胆双胆专家预测网 | 3d小红人三天计划 | 3D独胆下一期杀号 | 3d牛彩网100期开机号和试机号 | 詹天佑最新预测3d | 詹天佑3d今日推荐 | 3d谜语今天字谜今天的3d字谜是什么? | 3d开机号码试机号牛彩网 | 解太湖3d字谜太湖 | 3d和值和尾走势图带连线图表 | 3d今天预测最准确专家 | 3d陈华今晚独胆推荐 | 3d专家今天预测一注 | 3d下期预测最精准的一注号码 | 3d洞庭湖水今日预测分析 | 千禧3d试机号金码关注码对应码 | 3d今晚推荐三注 | 今晚3d开奖号试机号 | 3d今晚预测直选一注3d一注预测 | 神仙姐姐独胆一个 | 3d预测今日最新推荐 | 三d牛彩网开机号试机号是多少 | 3d最新专家预测汇总 | 3d近30期开机号试机号开奖号查询 | 3d预测最准专家预测牛彩网 | 千禧3d试机号金码关注码对应码 | 3d北盟天机图藏机图 | 张克永专家3d预测 | 三d便民字谜图谜总汇 | 3d今晚预测直选四注 | 专家精准预测3d号 | 3d试机号历史出现情况天齐网 | 3d今晚出啥号 | 今天3d中奖 | 3d独胆双胆3d之家 | 3d百个位和值尾走势图 | 3d最准专家预测号 | 于海滨3d预测天齐网 | 小林3d预测| 3d詹天佑最新预测今天 | p3故事小王双胆下一今天 | 3d最精准的专家预测精选 | 3d陈华今晚就赌一胆今天最新消息 | 3d专家预测最准最新今天 | 千禧3d试机号关注号 | 今天3d开机号,试机号是多少 | 3d试机号开机号关注号金码 | 今天3d试机号开机号 | 今天晚上的3d开奖结果 | 今天3d开机号和试机号对应码查询 | 3d百个和值尾振幅走势图 | 3d于海滨预测 | 今天3d开机号试机号牛彩网 | 3d专家预测最准确今天 | 3d最准确的预测方法 | 3d今晚精选一注 | 3d彩报图今天图库彩吧 | 福家老三3d推荐号 | 今日3d正版藏机图,藏机图汇总,天中网 | 3d开机号和试机号今天金码关注号 | 3d最准确最新专家预测 | 3d独胆双胆专家预测网 | 3d詹天佑3d预测 | 福体杀码王最新版本更新内容 | 3d十大专家汇总精选一注 | 中国福彩3D独胆下期推荐推荐最新 | 3d上下五千年专家预测 | 3d专家推荐号码 | 今日三地开奖码 | 3d太湖老情人字谜图谜 | 千禧3d试机号金码关注码杀码今天3d | 于海滨3d预测号 | 3d字谜太湖字 | 3d专家预测推荐汇总 | 3d组选中一注多少钱 | 3d百个位差值振幅走势图100期 | 3d今晚必出一注100%准确直选推荐 | 3d今晚预测 | 中奖开奖结果3d | 3d预测廊坊鸿运 | 3d专家今天推荐号 | 3d一语定胆太湖字谜 | 今天3d必出一注 | 3d双胆预测 | 3d预测总汇手机牛彩网 | 3d今晚最精准专家 | 3d专家最新最准预测 | 今晚3d精准一注直选 | 詹天佑3d最新预测今天 | 3d陈华今晚就赌一胆今天最新消息 | 今天3d试机号开机号牛彩网 | 7号电池最建议买的三个型号 | 最新3d预测专家预测 | 小红人的计划三天计划独胆 | 3d彩报图今天的第五版 | 3d今晚预测直选四注 | 3d今晚专家预测推荐号 | 3d今晚预测号码 | 3d十大专家推荐号码汇总 | 3d试机号后专家预测推荐汇总 | 最新3d预测专家预测 | 3d和尾振幅走势图3d专家 | 钱多多3d百位定独胆 | 3d最新专家预测汇总大全 | 3d独胆双胆独胆3d之村 | 北斗3d今日专家预测推荐 | 福彩3D独胆下一期预测最新 | 今天3d开机号 和试机号 查询结果 | 今晚3d预测推荐一注 | 三d十拿九稳预测号码 | 于海滨点评专家一注定胆保真版162期 | 3d今天推荐号码是多少 | 3d推荐最新最准专家预测 | 3d百个位差值振幅走势图100期 | 3d最精准专家预测汇总今天 | 3d开奖号今天结果 今晚 | 张克永专家3d预测 | 今天3d开机号和试机号对应码查询 | 3d太湖字谜图谜总汇 | 3d今晚必出号 | 3d今晚预测最准确一注 | 3d最新最准专家预测号码 | 3d彩界精英独胆双胆 | 3d今晚开奖号是多少 | 中国福彩3D独胆独家必中最新 | 中奖开奖结果3d | 福彩3D独胆独家走势 | 三d独胆| 3d直选走势图(专业版) | 3d开机号和试机号今天 今晚 | 今天3d开机号试机号对应码列表 | 开奖结果3d今天晚上 | 3d预测最准的专家预测 | 今天3d千禧试机号关注号金码号 | 3d十大专家双胆预测汇总 | 3d今天推荐号码是多少 | 福彩3D独胆下一期预测最新 | 3d今晚十大专家预测汇总 | 毒胆牛人三天计划必出 | 钱王点评+钱王老头预测 | 3d试机号开机号今天最新 | 3d今晚专家推荐预测重点号码 | 今晚3d号码开奖结果多少 | 3d开奖号码今晚走势图 | 正版真精华布衣天下今天推荐号码 | 3d杀码图天齐网 | 3d十位单选振幅走势图 | 3d直选是什么意思 | 今天3d字谜解太湖三字诀 | 3d十位走势图带连线图表专业版 | 3d预测号码最准确专家预测 | 今日三地开奖码 | 3D独胆下一期杀号 | 3d布衣独胆双胆必下一 | 3d试机号后专家预测推荐汇总 | 3d今晚必出一注100%准确直选推荐 | 今日3d字谜3d一句定三码诗天中图 | 于海滨3d预测今天 | 中国福彩3D独胆最新必中 | 3D独胆团队精准预测最新 | 福彩3D独胆独家命中率最新 | 3d恋预测今晚预测是哪里出的 | 3d今天中了多少注直选 | 3d太湖钓叟字谜三字诀汇总 | 今天专家推荐号码3d | 3d试机号后专家预测 | 3d胆王帅哥独胆双胆 | 3d今天专家预测最准 | 3d于海滨预测预测牛彩网 | 3d专家詹詹天佑最新推荐 | 3d天齐网最准预测 | 唐龙点评每日一胆龙 | 3d专家最新最准今天预测 | 3d最精准一注一注 | 3d专家今天推荐号码推荐 | 3d通辽独胆王今天 | 3d专家预测最准确最新今天牛彩 | 于海滨海3d预测牛彩网 | 3d直选注| 3d预测最准的专家 | 3d绝杀二码今天最新更新内容 | 于海滨专家预测3d | 今天3d专家推荐重点号 | 专家预测3d号码准确 | 3d预测专家汇总预测 | 3d今晚专家预测最准确一注 | 3d和值尾振幅走势图带连线图表 | 今天3d千禧试机号关注号金码号 | 今于海滨3d预测今天单线联系 | 3d彩报图今天图库彩吧 | 3d双胆神算今天最新 | 3d开机号今天试机号30期 | 3d今天开机号和试机号码727 | 3d今天中了多少注直选 | 3d预测号码最准确专家预测 | 陈华今晚就赌一胆今天最新 | 3d预测专家推荐最准确 | 今晚最准一注3d | 三码合一是什么意思? | 财神爷独胆三天计划,就这么牛 | 3d千禧试机号关注号金码号开机号 | 神仙姐姐今晚杀码 | 3d于海滨杀码图 | 于海滨最新3d预测今天 | 今天3d太湖钓叟三字谜 | 今天3d开机号和试机号码是多少 | 今日3d预测| 詹天佑3d点评预测 | 3d单双走势图表 | 3d牛彩网字谜图谜总汇九 | 3d试后太湖一语定胆字谜 | 张克永专家3d预测 | 3d专家预测推荐号码 | 今晚3d开奖号多少 | 3d今天最新最准专家预测最 | 北斗3d今日预测 | 3d开机号试机号近100期开奖号码 | 3d预测总汇手机牛彩网 | 3d廊坊鸿运正版推荐 | 3d最准预测专家预测大 | 3d今晚字谜太湖字谜是什么 | 3d和尾振幅走势图3d专家 | 3d独胆双胆预测 | 3d败家子独胆图 | 3d最精准专家预测汇总今天 | 3d藏机图天齐正版藏机图 | 3d彩吧图库44462 | 唐龙点评3d预测今天 | 3d定和值公式 | 下一期专家推荐号码 | 3d精准推荐号 | 3d预测最准确专家预测牛彩网 | 今天3d专家预测汇总 | 李白看3d独胆绝20 | 3d 今日太湖字谜 | 3d精选号码推荐今天最新 | 3d预测推荐汇总大全 | 3d字谜财神一语定一注 | 今晚3d专家预测精选一注 | 3d小胆神独胆今天 | 排三十拿九稳今天预测 | 准香港3d漫画资料 | 3d独胆双胆3d之家 | 3d最近100期历史记录 | 牛彩网3d预测汇总大全手机版下载 | 3d今于海滨杀码图 | 3d预测专家准确推荐 | 于海滨今日3d预测 | 3d最准确的专家预测 | 3d今晚预测直选一注 | 3d预测推荐汇总 | 3d跨度分位走势图图感觉 | 3d和值尾振幅走势图200期 | 3d最准确预测专家 | 3d买一个独胆中了得多少钱 | 今晚3d专家预测汇总 | 三d走势图基本走势图彩宝网 | 3d今晚推荐三注 | 3d彩宝贝试机号今天最新 | 3d于海滨预测预测牛彩网 | 齐彩网3d专家预测 | 3d推荐号今日预测 | 3d今天最新最准专家预测最 | 3d推荐号今晚专家预测 | 3d双胆神算今天必下 | 于海滨今日3d预测 | 3d今天开机号试机号码 | 今晚3d开奖直选结果 | 3d今晚出啥号 | 3d最准确预测专家 | 今日3d字谜3d一句定三码诗天中图 | 3d开机号试机号今天最新50期 | 3d牛哄哄解太湖字谜今天 | 今天3d开机号和试机号牛彩网 | 3D独胆下期推荐分析最新 | 3d千禧开号试机号关注金码对 | 今天3d于海滨预测 | 3d今天专家预测推荐号码 | 3d陈华今晚独胆推荐 | 3d北斗专家北斗预测今天079期3d | 三地千禧开机号试机号金码关注 | 3d今天的试机号开机号是多少 | p3故事小王双胆下一今天 | 3d最新最准预测号码今天 | 3d今天最新最准专家预测最 | 3d试机号200期历史 | 3d村独胆双胆3 | 3d试机号开机号号码今天 | 3d字太湖叟字谜 | 3d近30期开机号试机号开奖号查询 | 3d试机号开机号近50期 | 3d谜语字谜太湖天齐网 | 今天3d开机号和试机号对应码查询 | 3d预测专家推荐号码推荐 | 3d马前屁解太湖字谜 | 于海滨3d预测牛彩网 | 3d316期太湖字谜 | 于海滨海3d专家预测今天 | 钱王点评十钱王老头给胆 | 福家老三3d推荐号 | 今天3d字谜解太湖三字诀 | 3b预测汇总牛彩网 | 3d预测专家推荐最准确 | 3d今晚最准专家预测号码 | 3d开机号和试机号金码查询 | 3d今天专家推荐号码推荐 | 3d走势图(带连线版) 试机号 | 福彩3D独胆下期预测 | 3d预测号码最准确专家预测 | 3d预测总汇手机牛彩网 | 排3藏机图正版藏机图今天 3d八哥图库总汇d字谜图谜总汇大全 | 3d开机号和试机号金码和关注码 | 今天牛兄双胆 | 3d精准预测最准的专家直选 | 故事小王p3双胆必下 | 3d开机号和试机号金码和关注码 | 3d基本走势图全部 | 福彩3D独胆本期命中率 | 3d今晚预测最新最准确号码牛彩网 | 3d故事小王双胆 | 3d今天最新最准专家预测最 | 今天买哪三个号码好 | 3d专家预测最准确最新今晚预测 | 3d下期预测最准一注 | 中国福彩3D独胆独家必中 | 3d下期预测最准一注 | 3d今晚最准专家预测号码145 | 3d独胆10中10 | 排三杀码想要 | 三地千禧开机号试机号金码关注 | 3d专家预测最新推荐 | 牛彩网3d专家预测汇总 | 近30期3d开机号和试机号 | 3d专家预测推荐 | 3d千禧试机号关注金码30期 | 3d最准确预测专家 | 3d图谜字谜总汇 | 3d预测专家最准确今天 | 3d预测今晚推荐号 | 中国福彩3D独胆内部杀号 | 中国福彩3D独胆内部走势最新 | 解3d字谜太湖钓叟汇总 | 3d基本走势图表 | 3d彩报图今天图库彩吧 | 3d晚秋和值谜彩吧图库 | 于海滨3d最新预测 | 3d开机号和试机号金码关注 | 3d各路专家预测汇总大全最新 | 今天3d开机号和试机号码结果查询 | 近30期3d开机号和试机号 | 三d便民字谜图谜总汇 | 3d阴阳走势图表图 | 3d今晚专家推荐预测重点号码 | 3d最新专家预测汇总牛部长预测 | 3d双胆独胆推荐 | 今晚3d开机号和试机号是多少 | 3d和尾振幅走势图3d专家 | 北斗3d今日专家预测推荐 | 3d老虎独胆 | 3d牛彩网试机号后专家预测汇总 | 三d十拿九稳预测号码 | 专家预测3d预测 | 3d推荐号3d推荐号码 | 毒胆牛人三天计划 | 3d今天专家预测推荐号码 | 詹天佑3d点评预测 | 3d今晚开奖号多少 | 3d跨度分位走势图图感觉 | 3d直选三注| 马到成功杀两码最新版本更新内容 | 于海滨3d预测 | 3d万能四码走势图表 | 3d预测汇总牛彩网 | 3d专家预测牛彩网 | 3d今晚专家预测推荐 | 3d今天专家预测推荐号码 | 预测今晚3d一注 | 3d专家推荐号最准确的推号 | 神仙姐姐杀码今天的 | 独胆王三天计划 | 3D独胆下期推荐分析最新 | 3d最大值振幅走势图3之家 | 今天3d专家推荐号 | 千禧3试机号金码关注码金码 | 今于海滨3d预测今天牛彩网 | 3d今天开机号和试机号码 | 今日3d蓝仙子一句定三码字谜 | 3d太湖字太湖字谜今天 | 今天的3d推荐号码是多少 | 今天三d专家推荐号码 | 3d今日正版藏机图最新更新内容 | 3d今晚精准一注 | 3d预测最新最准专家 | 杀码大全汇总 | 3d詹天佑最新预测今天 | 今天3d千禧试机号关注号金码号 | 今天3d开机号试机号对应码列表 | 3d今晚专家预测最准确号码 | 3d詹天佑推荐号 | 3d专家推荐号 | 3d开机号和试机号30期列表 | 3d开机号今天近10期 | 3d带线走势图牛彩网 | 3d最准预测专家预测汇总 | 小红人的三天计划今天是什么 | 三d历史走势图 | 3d十大专家双胆预测汇总 | 今日詹天佑3d预测 | 今日3d预测专家推荐 | 于海滨专家3d预测 | 排五奖号 | 今于海滨3d杀码 | 唐龙点评3d预测今天 | 3d今晚专家推荐号 | 今天3d开机号和试机号多少 | 《中国杀码王》3d | 3d二天独胆王 | 3d詹天佑3d预测 | 3d和值牛彩网| 3D独胆内部精准预测 | 3d百位遗漏振幅走势图南方双彩网 | 千禧3d试机号金码关注码对应码今晚 | 3d今天专家推荐号码是多少 | 中国福彩3D独胆内部杀号 | 3d藏机图天齐正版藏机图 | 3d最新最准预测号码今天 | 今天最准3d预测号 | 3d专家预测最准确最新今晚预测 | 廊坊鸿运3d预测今天 | 神仙姐姐今晚杀码 | 中国福彩3D独胆下期推荐推荐最新 | 中国福彩3D独胆老师分析最新 | 一代女王决杀两胆免费观看 | 3d独胆必下 | 今晚3d预测推荐一注 | 3d今晚试机号是多少查询 | 历史3d开奖结果 | 3d预测号码最准最新准专家预测号 | 3d基本走势图表完整版 | 3d预测最准的专家 | 3d今晚开奖号码结果是多少 | 3d独胆之家 | 3d十大专家预测汇总 | 3d千禧试机号开机号金码 | 3d试机号今天晚上是多少 | 3d走势图和值振幅 | 55125预测汇总3d | 3d真帝王杀码图 | 今天的3d开机号和试机号查询 | 3d专家最准确预测 | 3d预测最准预测号 | 3d下期预测最精准的一注号码 | 三d今日太湖字谜解 | 3D独胆本期推荐 | 双胆王看双胆3d | 3d各类和值最新谜字谜今天 | 3d毒胆 | 于海滨3d杀码预测 | 3d杀码公式最新 | 3d今日专家推荐 | 3d专家预测推荐号最新 | 太湖钓叟排三字诀字谜 | 3d牛彩网字谜图谜总汇九 | 3d今天的推荐号 | 今天买哪三个号码好 | 三d预测专家 | 3d专家推荐最新预测 | 三d预测最准十专家预测今晚 | 3d预测最准的专家 | 3d预测号码最准最新准专家预测号家彩网 | 福彩3D独胆下期推荐精准预测 | 今晚3d专家预测最准确 | 唐龙一语定胆最新 | 中国福彩3D独胆最新必中 | 排五开奖最新结果排5 | 一名将3d双胆预测 | 3d预测总汇手机牛彩网 | 3d最精准的专家预测 | 3d胆1拖9直选多少钱一注 | 3d藏机诗藏机图天中图库 | 3d试机号今天晚上是多少 | 3d开机号和试机号9.30分 | 3d恋预测今晚预测是哪里出的 | 3d解太湖字谜汇总精选 | 今日太湖钓叟三字诀字谜 | 中国福彩3D独胆当天分析 | 3d预测号最新最准牛彩网 | 3d预测最准专家预测 | 3d今晚必中一注一 | 55125预测汇总3d| 今天彩报中心 3d图库 | 3d谜语今天字谜今天的3d字谜是什么? | 3d今晚开奖结果号码是 | 3d中间号走势图振幅走势图 | 中国福彩3D独胆高手命中率 | 3d小龙一句定三码今日字谜天中图 | 3d恋预测今晚预测是哪里出的 | 今晚3d结果 | 3d推荐号今晚专家预测最准确 | 3d预测专家推荐号码 | 3d马前屁解太湖字谜 | 今晚3d开奖号是多少 | 3d专家预测最准确最新今天牛彩 | 于海滨点评专家一注定胆保真版162期 | 3d专家预测最准确最新新闻 | 今日3d专家推荐号码 | 独胆计划王| 3d千禧开号试机号关注金码对 | 排五专家预测精准 | 3d推荐最新最准专家预测 | 3d今晚十大专家预测汇总 | 3d精准定位专家预测 | 今晚3d试机号开机号金码号 | 3d独胆必下一独胆 | 3d紫云涧专家预测推荐 | 3d预测一注号推荐 | 千禧3d试机号金码关注码杀码今天3d | 中国福彩3D独胆明日推荐 | 今晚开奖号码3d开奖结果 | 3d今天开机号 试机号查询 | 3d今晚专家预测最准确一注 | 3d邻孤传复隔中走势图 | 3d推荐号今日预测 | 福彩3D独胆今晚必中最新 | 3d试机号后专家预测 | 3d独胆王今天 | 3d太湖一语定胆字谜论坛 | 今天3d数字定位三 | 3d基本走势图表完整版 | 助赢计划软件免费版下载安装 | 于海滨专家一语定胆十每日 | 3d试机号开机号今天晚上金码号 | 3d今晚专家预测最准确一注 | 3d今晚开奖号码走势图 | 3d预测最准专家预测号 | 3d杀码专家大全 | 今晚三d推荐什么号码 | 3d今天专家预测最新最准 | 财神爷独胆三天计划,就这么牛 | 3d双胆独胆必下一 | 3d预测 下一期 3d预测专家 3d预测 | 3d组选中一注多少钱 | 北斗3d今日预测 | 中国杀码王绝杀 | 3d今晚惊天一注预测 | 铁人铁胆定位包星 | 3d最准预测专家推荐 | 3d直选历史遗漏查询 | 3d廊坊鸿运正版推荐 | 3d专家预测最准确最新今晚预测号 | 3d十大专家精准预测汇总 | 3d今晚预测 | 3d今晚最准专家预测号码145 | 今晚3d开机号和试机号是多少 | 3d老炮子直选三注 | 福彩3D独胆下一期推荐最新 | 3d预测今晚最新最准确 | 三d之家独胆 | 3d今天的试机号开机号是多少 | 今于海滨3d预测今天单线联系 | 彩界毒胆大师一枚毒胆 | 3d今晚专家预测最准确号码 | (暴富密码)绝杀两码预测 | 一代女王决杀两胆免费观看 | 3d带专业连线走势图 | 3d下期专家预测 | 今晚3d预测推荐一注 | 中国福彩3D独胆明日推荐最新 | 于海滨点评加专家一语 | 今日3d藏机图正版藏机图134 | 3d于海滨预测预测牛彩网 | 3D独胆独家推荐最新 | 3d今日专家推荐号 | 千禧试机号关注号金码是什么 | 3d最精准的专家预测 | 今天买哪三个号码好 | 3d牛彩网专家预测汇总 | 3d杀码一定牛 | 3d推荐号今日预测 | 今晚3d专家最精准的预测 | 今于海滨点评专家一语定胆 | 今于海滨3d预测今天单线联系 | 3d走势图专家推荐号码 | 3d专家预测最准确今天南方双彩网 | 千禧3d试机号金码关注码对应码今晚 | 天齐藏机图汇总正版藏机图 | 3d和值走势图彩宝网 | 牛彩网预测3d | 福彩3D独胆老师走势最新 | 3d天中杀码图专区 | 中国福彩3D独胆今晚走势最新 | 今晚3d直选一注 | 看彩大亨最新独胆预测 | 最准的3d专家预测 | 3d千禧试机号关注码金码是什么 | 3d今天专家推荐号码推荐 | 3d各路专家预测汇总大全最新 | 千禧开机号和试机号对应金码 | 3d专家最新最准专家预测 | 3d组三一注多少钱 | 中国福彩3D独胆最新推荐最新 | 3d预测汇总牛彩网 | 3d预测最准的专家预测 | 3d六大专家杀码汇总 | 3d今天专家预测推荐号码 | 3d最准一注号码 | 辉煌看胆双胆3d | 3d藏机图正版藏机图汇总今天最新图片 | 3d小龙一句定三码今日字谜天中图 | 3d跨走势图带连线走势图 | 3d今晚推荐号码最新 | 于海滨海3d预测免费每日精选3d开奖号 | 3d机选一注 | 3d专家预测最准确今天牛彩网 | 3d两胆精准预测 | 飞向阳光龙头凤尾预测 | 3D独胆最新分析 | 3d今天中了多少注直选 | 3d今晚最准专家预测号码145 | 3d精选号码推荐今天最新 | 3d今晚专家预测推荐号 | 福彩3D独胆明日分析最新 | 3d预测专家汇总预测 | 顶级胆神双胆下一 | 三地千禧开机号试机号金码关注 | 于海滨最新3d预测今天 | 于海滨一语点评今日 | 3d今天最新最准专家预测最 | 3d预测专家汇总预测 | 福彩3D独胆独家走势 | 3d白娘子跨度字谜汇总今天牛彩网 | 3d专家预测最准确最新今晚预测号 | 3d精选号码推荐今天最新 | 3d专家预测最准确最新今晚预测号 | 陈华3d今晚就赌一个胆 | 中国福彩3D独胆内部走势最新 | 3d最精准的专家预测 | 千禧今晚3d试机号关注码金码对应 | 3d今天专家推荐号码推荐 | 3d预测号码最准最新准专家预测号 | 今日3d预测号码推荐 | 3d今晚专家预测 | 中国福彩3D独胆团队命中率最新 | 3d预测专家推荐最新 | 3d最准预测专家预测汇总 | 3d杀码专家杀码天齐网 | 3d开机号码试机号牛彩网 | 3d走势图带试机号彩宝网 | 今晚上3d开奖号码 | 3d预测最新最准3d之家 | 3d最准的独胆毒胆独胆 | 3d百十差振幅走势图 | 3d专家预测精选一注 | 3D独胆下期最新精准预测 | 3d今于海滨杀码图 | 今天3d推荐号码今晚预测 | 今于海滨3d预测今天 | 3d今天推荐号码是多少 | 今晚的3d | 3d试机号后专家预测汇总手机网 | 下一期专家准确预测 | 中国福彩3D独胆明日推荐 | 3d今天开机号和试机号多少 | 3d精准预测最准的专家直选 | 3d预测专家推荐最准确 | 3d太湖字谜三字诀 | 3d布衣双胆独胆王 | 3d预测最准确专家预测牛彩网 | 福彩3D独胆当天分析最新 | 三d牛彩网开机号试机号是多少 | 3d预测专家汇总预测 | 3d最新最准专家预预测 | 今晚3d专家推荐号码是多少 | 3d近15期开奖号码结果 | 最准3d预测专家推荐号 | 3d五码复式 | 3d开心毒胆独胆王 | 陈华今晚就赌一个胆预测 | 3d开机号试机号30期列表彩宝网 | 3d专家预测精选一注 | 今天的3d开机号试机号 | 于海滨3d预测牛彩网 | 3d预测专家最准最新 | 3d万能三码中奖秘诀 | 3d最精准专家预测汇总今天 | 于海滨最新3d预测推荐今天 | 3d今天专家预测最准确 | 3d跨度振幅走势图3d专家 | 3d詹天佑推荐号 | 3d开机号和试机号码牛彩网 | 3d今晚最准三注 | 3d百位走势图带连线图表专业版 | 3d今天专家预测号码 | 今天最新3d开机号试机号关注码 | 3d独胆王正版| 唐龙一语定胆最新 | 3d今晚字谜太湖字谜是什么 | 3d专家预测最准确最新推荐号码 | 3d预测最准的专家预测 | 3d手机牛彩网专家预测 | 今日3d最准开机号 | 3d预测今晚最新最准确 | 3d开奖必中| 3d专家预测最准确今天上一期 | 今日3d开奖号码是多少? | 3d专家预测推荐最新 | 3d试机号和开机号牛彩网 | 于海滨3d最新预测 | 3d预测专家推荐 | 小红人的计划三天计划独胆 | 3d专家预测最准今天 | 3d廊坊鸿运正版推荐 | 陈华3d今晚赌独一胆天齐网 | 詹天佑最新预测3d | 助赢计划软件免费版下载安装 | 3d推荐号今晚专家预测 | 今于海滨3d预测今天牛彩网 | 3d今天专家推荐号码推荐 | 3d长中剑客预测今天 | 3d今天专家预测号码最准确 | 3d今晚最准的一注 | 3d今日预测最准专家预测 | 3d胆1拖9直选多少钱一注 | 白骨精3d独胆图今天 | 千禧3d试机号金码关注码杀码今天3d | 于海滨今天杀码3d | 3d今晚最准最新专家推荐号 | 3d太湖钓叟三字诀字谜汇总 | 3d毒胆 | 于海滨3d杀码预测 | 3d今晚推荐号码最新 | 3d最精准专家预测汇总今天 | 3d和值和尾振幅走势图 | 我是毒胆王,今晚独胆 | 今天晚上的3d开奖结果 | 3d今晚专家预测最准确一注 | 3d专家预测最准确最新推荐号码 | 牛彩网3d专家预测汇总 | 三d推荐号专家预测今天 | 3d专家预测最准确最新今天 | 3d于海滨上的今天预测 | 3d选胆图近100期 | 3d杀码于海滨 | 今晚3d开奖结果是多少 | 3d独胆必下一独胆准 | 陈华今晚就赌一胆今天最新 | 千禧试机号关注号金码是什么 | 3d和值25点有哪几注 | 福彩3D独胆明日精准预测 | 3d陈华今晚独胆预测 | 3d今天专家推荐 | 三d预测专家最新推荐 | 三d今晚预测推荐十注 | 3d最新最准预测号码今天 | 3d预测詹天佑最新 | 3d各类和值最新谜字谜今天 | 3d最大值振幅走势图3之家 | 于海滨今天3d预测号 | 3d杀码条件今天最准 | 于海滨一语定胆天齐网 | 3d均值振幅走势图表图 | 3d玩彩老头预测今天号码 | 3d百十个位杀码家彩网 | 3d预测专家最准确 | 3d专家推荐最新预测 | 3d今日预测最准专家预测 | 中国福彩3D独胆独家必中最新 | 3d近300期试机号和开奖号码 | 3d单选一注能中多少钱 | 3d字谜图总汇 | 马后炮解今日太湖字谜三字诀 | 于海滨今日3d预测 | 牛彩网p3专家预测汇总 | 3d至尊独胆 | 今天3d开机号和试机号查询结果彩吧 | 福彩3D独胆老师精准预测 | 3d专业版(走势图带连线) | 3d预测今日最新推荐 | 3d百位走势图带连线图表专业版 | 福彩3D独胆明日分析最新 | 今日3d太湖三字谜 | 今日3d马后炮解太湖字谜 | 3d专家推荐最精准的号码 | 3d专家预测号码推荐今天 | 3d今晚专家预测最准确号码 | 2008年359期3d焰舞字谜 | 开机号试机号3d今天 | 3d开奖号码走势图表 | 3d之家预测专家预测 | 3d今晚专家预测最准确一注 | 3d牛彩网专家预测 | 3d北斗专家北斗预测今天079期3d | 3d今天推荐号码是多少 | 今天3d藏机图正版藏机图藏机图太湖横屏 | 3d专家预测号码最准确 | 3d试机号近30期牛彩网 | 3d晚间字谜总汇大全 | 今天3d开机号 试机号是多少 | 福彩3D独胆下期推荐精准预测 | 3d今晚中奖号157 | 3d今晚开奖号码走势图 | 玩彩独胆王三天计划 | 3d马前屁解太湖字谜 | 十拿九稳预测专家分析 | 3d预测今晚推荐号 | 3d预测汇总 | 于海滨海3d专家预测今晚一注 | 3d今晚上开奖号码 | 今天的3d开机号和试机号查询 | 福彩3D独胆下期最新推荐 | 3d杀码大全 | 三d便民字谜图谜总汇 | 于海滨预测3d号 | 3d专家今天推荐号码推荐 | 3d藏机图正版藏图汇总大全 | 3d独胆双胆专家预测网 | 3d两胆精准预测 | 3d预测专家精准推荐 | 3d太湖专家预测今晚 | 3d精准预测最准的专家 | 十拿九稳的最新预测 | 3d今天专家推荐号码推荐 | 3d专家预测最准最新 | 3d千禧试机号关注金码30期 | 于海滨海3d预测牛彩网 | 詹天佑3d今晚预测号码 | 3d今天最新最准专家预测最 | 3d今晚专家预测 | 3d最新准专家预测 | 3d近100期的开奖号码和试机号 | 3d今晚开奖号结果 | 3d和值尾金木水火土走势图 | 今天3d号码推荐 | 排三平均值振幅走势图3d之家 | 3d今天专家预测最准确 | 3d太湖字谜今天 | 于海滨3d预测今天 | 今日3d专家预测号最准确 | 3d个位走势图振幅 | 3d独胆是几 | 今天专家推荐号码3d | 3d今天开机号和试机号码200 | 3d最新专家预测推荐 | 3d直选一注50倍单挑 | 3d今晚最准专家推荐号 | 3d独胆必下一独胆布衣正 | 3d开机号今天近10期 | 千禧3d试机号金码今天关注码对应码 | 3d预测专家最准确 | 3d于海滨上的今天预测保真 | 中国福彩3D独胆内部走势最新 | 3d开机号和试机号今天 今晚 | 3d推荐最新最准专家预测 | 3d最大值振幅走势图3之家 | 3d预测最准最新准专家预测号码 | 福彩3D独胆高手杀号最新 | 今日3d太湖字谜三字诀洞庭游侠 | 神仙姐姐杀码今天的 | 于海滨预测3d号 | 中国福彩3D独胆最新必中最新 | 3d两胆必出方法 | 今晚3d一注50倍 | 今日3d预测 | 3d杀码一定牛 | 3d最新最准专家预测号码 | 3D独胆老师预测 | 3d今日预测推荐号 | 3d专家预测最准最新今天 | 3d今晚专家预测最准确一注 | 今日3d开机号和试机号列表三十期 | 3d预测今天推荐 | 3d推荐号今日预测 | 3d十位胆方法100准确 | 今晚3d预测开奖号码推荐 | 3d开机号,试机号和开奖号 | 3d专家预测最准最新今天 | 3d詹天佑预测分析牛彩网 | 3d杀码十大专家天齐网 | 3d藏机图正版藏机图汇总今天最新图片 | 今于海滨3d杀码图 | 十拿九稳预测分析 | 3d跨度公式98准确率 | 3d今晚最准最新专家推荐号 | 今日3d大老人预测号 | 马后炮解3d太湖字谜总汇大全 | 3d今晚预测直选一注 | 助赢计划软件官网版下载 | 3d推荐最新最准专家预测 | 3d专家最新最准专家预测汇总 | 3d上下五千年专家预测 | 3d于海滨上的今天预测 | 3d开奖号码近50期 | 3D独胆团队命中率最新 | 3d今晚专家预测推荐 | 3d手机牛彩网专家预测 | 3d专家预测最准最新今天 | 今天3d字谜解太湖三字诀 | 3d预测专家最准确 | 万能6码走势图 | 3d预测最准专家预测号 | 3d今晚预测直选一注 | 3d今天的开机号和试机号查询 | 中国福彩3D独胆内部走势最新 | 3d今天专家预测最准确 | 3d最准确的专家预测 | 3d今天专家预测最准确 | 3d精准预测最准的专家直选 | 今晚3d精准一注直选 | 三地千禧关注码试机号 | 3d预测专家最准最新 | 3d陈华就赌一个胆天齐网 | 3d北斗专家北斗预测今天079期3d | 今天专家推荐号码3d | 福彩3D独胆老师走势最新 | 3d今晚专家推荐预测重点号码 | 3d两天独胆王 | 3d 今天 试机号开机号 | 3d牛彩网 | 3d今晚必中一注一注 | 3d试机号后专家预测推荐汇总 | 今晚3d专家推荐号码是多少 | 张克永3d预测今天 | 3d断组今晚全部 | 3d走势图专家推荐号码 | 3d专家预测最准最新今天 | 拼搏在线3d开机号和试机号列表 | 3d最准的预测专家 | 陈华3d今晚就赌一个胆 | 3d飞胆图绕胆图 | 3d杀码图专区,杀码图 | 千禧3d试机号金码关注码杀码今天3d | 近30期3d开机号 | 3d推荐最新最准专家预测 | 3d个位振幅走势图近50期 | 今天十拿九稳号码预测 | 3d旧版基本走势图表 | 3D独胆下期推荐分析最新 | 今天3d专家预测汇总 | 3d双胆独胆推荐 | 3d三胆推荐 | 福彩3D独胆当天分析最新 | 3d最新专家预测汇总 | 钱王点评+钱王老头预测 | 3d北斗专家北斗预测今天079期3d | 今日3d太湖字谜三字诀洞庭游侠 | 3d杀码专家杀码最精准 | 2025长期守号最佳5注推荐 | 3d专家预测最准确今天南方双彩网 | 今晚3d预测专家预测号 | 今天的3d太湖字谜图 | 千禧3d试机号金码今天关注码对应码 | 福彩3D独胆下一期走势最新 | 3d最大值振幅走势图3之家 | 3d基本走势图表 | 3d村独胆双胆3 | 3d试机号近30期牛彩网 | 3d今天开机号和试机号码727 | 精准3d独胆| 3d今晚上专家推荐号 | 3d计算公式 | 3d通辽独胆王今天 | 3d试机号开奖号走势图表 | 经典小胆王三天计划配组合 | 3d近30期试机号和开奖结果 | 三d牛彩网开机号试机号是多少 | 3d试后太湖一语定胆字谜 | 3d预测最准确的专家预测软件 | 3d开机号近200期历史记录 | 3d圣手字谜图谜 | 中国福彩3D独胆专家推荐最新 | 千禧3d试机号关注号 | 今于海滨3d杀码图 | 3d专家推荐精选号码 | 今晚3d专家预测汇总 | 3d十大专家双胆预测汇总 | 3d预测专家推荐号码推荐 | 3d武当玉女掌门一句定三码字谜 | 3d今晚开机号试机号金码关注码今天 | 马到成功杀两码最新版本更新内容 | 排三杀码专家天齐网 | 3d预测詹天佑 | 中国福彩3D独胆最新走势 | 3d最准的独胆毒胆独胆 | 于海滨一语定胆《保真》 | 3d中间最小两码差值振幅走势图 | 3d于海滨预测预测牛彩网 | 毒胆牛人三天计划 | 3d和值基本走势图新浪网 | 三d五码复式打一注多少钱啊 | 太湖3d字谜太湖钓叟三字诀 | 3d手机预测牛彩网 | 3d预测专家最准最新 | 3d千禧开号试机号关注金码对 | 3d今天专家预测最准 | 3d预测最准最新准专家预测 | 于海滨专家一语定胆十好心人 | 孟庆会点评 专家一语定胆 稳准狠三天计划 | 3d今晚最准专家预测号码145 | 3d今晚专家推荐预测重点号码 | 牛彩网预测3d | 3d今晚最准专家推荐号 | 3d预测一注号推荐 | 3d于海滨上的今天杀码 | 3d今晚最准专家推荐号码 | 张克永专家3d预测 | 3d最准一注(单挑王) | 3d开机号码近100期 | 于海滨专家一语定胆十好心人 | 今晚最全3d晚间字谜汇总192期 | 3d独胆专家推荐独胆 | 3d今于海滨杀码图 | 今天3d正版太湖字谜 | 3d开机号和试机号今天多少 | 于海滨海3d专家预测今晚一注 | 3d最新专家预测汇总大全 | 詹天佑3d推荐| 齐彩网3d专家预测 | 今天3d开机号和试机号 | 3d牛彩网和值走势图 | 6+1专家预测号 | 3d推荐号今日预测 | 财神爷三天计划必下更新 | 3D独胆团队精准预测最新 | 3d专家预测最准确今天南方双彩网 | 3d免费专家预测推荐今天最新 | 3d专家预测最准确今天南方双彩网 | 3d预测汇总 | 3d今晚预测准确的专家预测 | 今晚3d专家预测精选一注 | 3d十大专家双胆预测汇总 | 牛彩网3d预测汇总大全 | 3d牛彩网专家预测 | 3d今天预测最准确专家 | 3d十大专家汇总精选一注 | 大师诸葛亮今晚一个独胆 | 3d近30期试机号和开奖结果 | 3d百个位差值振幅走势图100期 | 3D独胆高手杀号 | 3d牛彩网 | 3d钓叟字谜三字诀官网 | 3D独胆大神命中率最新 | 3d解太湖字谜汇总 | 3d天中杀码图专区 | 3d百个位和值尾走势图 | 3d专家推荐号最准确的推号 | 千禧p3试机号关注号金胆对应号 | 3d预测最准确专家预测 | 3d预测专家推荐最准确 | 3d预测专家推荐最准确 | 3d专家预测最准确今天上一期 | 福彩3D独胆下期杀号最新 | 3d专家最新最准今天预测 | 3D独胆本期推荐 | 3d就打一个胆中了多少钱 | 3d预测最准最新准专家预测 | 今日3d正版藏机图全部天齐 | 3d谜语太湖钓叟3d谜语今天 | 3d陈华今晚独胆预测 | 3d今天中了多少注直选 | 3d百十差振幅走势图 | 中国福彩3D独胆专家精准预测最新 | 3d预测专家最准确 | 千禧试机号金码关注 | 毒胆牛人三天计划必出 | 3d两胆精准预测 | 3d计算公式精准100%计算 | 今晚3d开奖号试机号 | 3d今天最新最准专家预测最 | 3d开机号,试机号,金码号,对应码100 | 3d基本走势图. | 3d最准专家预测方法 | 今日3d专家预测号最准确 | 中国福彩3D独胆独家预测 | 今天的3d开机号和试机号查询 | 中国福彩3D独胆最新推荐 | 3d试机号今天开机号查询 | 3d专家推荐精选号码 | 3d试机号今天晚上金码92期 | 3d预测最准的专家预测 | 3d预测推荐汇总牛彩网采摘收集 | 今日毒胆 | 3d下期预测最精准的一注号码 | 3d百位个位和值走势图 | 3d专家预测最准确最新汇总 | 3d预测最准最新准专家预测号码 | 3d预测号码最准确专家预测 | 3d今天晚上预测最准专家 | 3d今天专家预测推荐号码 | 3d今晚预测最新最准确号码牛彩网 | 3d和尾振幅走势图3d专家 | 3d独胆双胆专家预测网 | 3d今日预测推荐号 | 3d今晚专家推荐号 | 3d推荐号今晚专家预测 | 千禧3d关注码 | 3d专家预测最准确最新推荐号码 | 3d百位十位个位走势图 | 今天3d开机号和试机号多少? | 3d基本走势图.| 3d专家今天预测汇总 | 3d今晚必出号 | 3d基本走势图 综合 太湖三字诀字谜三 | 今于海滨一语定胆保真今天 | 3d今天专家预测号码 | 中国福彩3D独胆专家精准预测最新 | 今日3d一句定三码和值谜食物全部 | 今天3d开机号试机号牛彩列表 | 3d预测一注推荐 | 天齐杀码图汇总 | 3d杀码最准确 | 3d今晚开奖号多少 | 3d今晚最准专家预测号码 | 3d今天最新最准专家预测最 | 3d杀码大全天齐网 | 3d下期预测最精准的一注号码 | 三d预测汇总 | 3d专家詹詹天佑最新推荐 | 3d今晚上预测号码 | 开心毒胆王今晚独胆 | 今天3d必出一注 | 3d八哥图库总汇d字谜图谜总汇大全 | 3d直选一注必中 | 3d开机号和试机号今天金码关注号 | 3d字谜今天太湖字谜 | 今天3d太湖钓叟字谜三字诀 | 廊坊鸿运3d预测今天 | 3d专家预测号码推荐今天 | 太湖3d字谜图谜总汇 | 唐龙3d预测今日出号点评 | 今晚3d专家推荐号码 | 3d专家推荐号最准确的推号 | 3d和值和尾振幅走势图 | 今晚3d预测推荐一注 | p3故事小王双胆下一今天 | 中国福彩3D独胆专家精准预测最新 | 3d太湖钓叟字谜汇总正版藏机图 | 《金银胆神》金胆银胆3d最新一期开奖 | 3d北斗专家北斗预测今天079期3d | 3d专家预测最准确最新今晚预测 | 3d专家预测最准确今天牛彩网 |