LMZK-10PU開啟式電流互感器 卡式電流互感器 開口電流互感器
LMZK-10PU開啟式電流互感器的鐵芯由磁導率較高的半圓環形硅鋼片組成,具有較高的測量精度和較低的儀表保護系數。用于電力系統配電線路、變壓器以及用電設備的電流測量、信號采集和保護。用于微機保護(RTU、FTU)時,微機保護系統電流回路的輸入阻抗小于50毫歐。開口式電流互感器主要應用于配電系統改造項目,安裝方便,無須拆一次母線,亦可帶電操作,不影響客戶正常用電,為用戶改造項目節省人力、物力、財力,提高效率。該系列電流互感器可與繼電器保護、測量以及計量裝置配套使用。LMZK-10PU系列卡式電流互感器(開啟式電流互感器)適用于10kV交流電力系統的電氣設備的電流測量、信號采樣和微機保護。該電流互感器具有體積小、重量輕、可開啟、便于安裝等特點,廣泛用于緊湊型全絕緣環網開關柜中,并且非常適合與RTU,FTU等遠程終端設備組成采樣單元為整個系統提供數據支持。安裝時直接卡在連接好的進出線電纜上,簡便快捷。已在緊湊型全絕緣環網開關柜中廣泛應用,亦用于組合式變電站和電纜分接箱中。LMZK型電流互感器選用了磁導率較高的優質進口硅鋼片作為導磁材料,具有鐵芯可分割、磁路損耗小的特點,其半圓環型鐵芯和二次繞組采用優質環氧樹脂真空澆注在可阻燃的塑料合金殼體內,防潮濕,性能穩定,無需維護。安裝時將兩個半圓環卡在分相電纜上,用抱箍抱緊,與電纜于一體,和諧美觀,35mm2-400mm2的10kV電纜均能適用,其抱箍采用優質不銹鋼材料,堅固可靠,無渦流。依據電流變化,準確級和額定負載的不同該系列電流互感器分為以下幾種類型,具體參數詳見各型號對應的參數表。該系列電流互感器根據用戶需求,二次繞組可分出抽頭,即為多電流比互感器。
?

二、LMZK-10PU開啟式電流互感器變比參數


四、LMZK-10PU開啟式電流互感器注意事項:
1.?開口電流互感器安裝前必須將其二次與電表(或其他測量裝置)接好,確保互感器二次沒有開路;
2.?將所有接好二次線的開口電流互感器放置現場,等待安裝;
3.?若現場一次母線為電纜,可進行帶電安裝;若一次母線為銅排,則帶電操作對操作者要求熟練程度比較高,且要求做好絕緣防護措施;
4.?安裝互感器時,鐵芯切面處不得有雜質、灰塵等異物落入,以免影響互感器性能。
五、LMZK-10PU開啟式電流互感器技術參數
額定頻率:50Hz?or?60Hz;,????????????????????????????
額定二次電流:5A?or?1A;? ? ? ? ? ? ? ? ? ? ??????????
工頻耐壓3kV?,?1min;?????????????????????????????????
額定擴大電流:120%In;? ? ? ? ? ? ? ? ? ? ? ?
執行標準:?GB1208-2006《電流互感器》;WNCB001-2008(企業標準)。
P2表示一次極性端,S1、S2表示二次極性端;P2和S2為同名端(減極性)。
六、LMZK-10PU開啟式電流互感器使用條件
環境溫度:-350C-+550C???????????
日平均溫度:≤400C。??????????
海拔高度:≤3000m??????????
大氣條件:大氣中無嚴重污穢
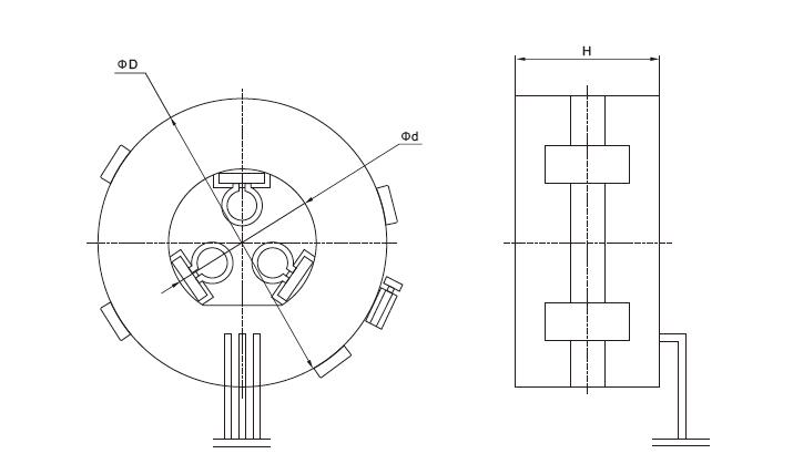
七、開啟式電流互感器原理圖和安裝圖

八、開啟式電流互感器選型推薦
LMZK-10PU ?LZCT-10C? LMZC-10PU LMZK5-10 LMZK1-10
LMZK2-10 LMZK3-10 LMZK4-10 LMZK5-10 LMZK6-10 LMZK10-10
九、開啟式電流互感器生產廠家-浙江中拓高壓電器有限公司
浙江中拓高壓電器有限公司是一家主要從事研發、生產銷售110kV及以下戶內外高低壓互感器,鐵芯、絕緣件的專業廠家。公司的10-35kV戶內外互感器,銷遍全國各地,遠銷海外多個國家和地區,深受廣大用戶信賴和好評,10kV真空斷路器用互感器已成為國內柱上開關生產企業最優選擇合作單位。2007年自主研發的主推產品LZW32-10(12)型戶外保護用電流互感器,是目前國內同類型配套互感器主要生產商。
聯系電話:13868715829,商務QQ:40378900,歡迎來電咨詢定制。
?
?
?