LZCT-10C套管式流互感器 環網柜/充氣柜用電流互感器
一、LZCT-10C套管式電流互感器簡介
LZCT-10C套管式電流互感器選用了磁導率較高的優質硅鋼片作為導磁材料,具有較高的測量精度和較低的儀表保安系數。適用于電力系統配電線路、變壓器以及用電設備的電流測量、計量和保護。用于微機保護(RTU、FTU)時,微機保護系統電流回路的輸入阻抗小于50毫歐。
二、LZCT-10C套管式電流互感器結構形式
結構形式 :該電流互感器的鐵芯和二次繞組采用優質環氧樹脂澆注在PVC環形外殼內,性能穩定,體積小,重量輕,無需維護。適合安裝在環網開關柜內的進出線套管上,與開關箱體于一體,和諧美觀。互感器分單變比和雙變比兩種結構形式。

三、LZCT-10C套管式電流互感器變比參數

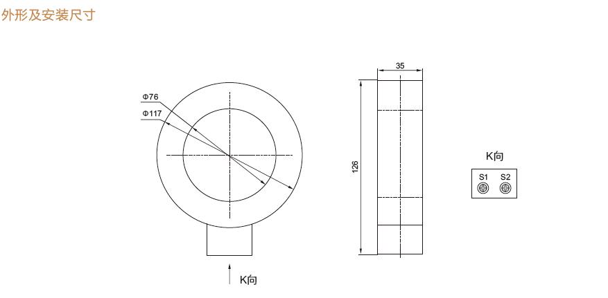
四、LZCT-10C套管式電流互感器尺寸

五、LZCT-10C套管式電流互感器技術參數
額定頻率:50Hz或60Hz
負荷的功率因數:cosФ?=0.8(1ag);
額定二次電流:5A或1A
儀表保安系數:FS≤10
符合標準:IEC185:1987,GBI208-2006,
DL/T:725-2000
允許在1.2倍額定電流下長期運行;
P2表示一次級性瑞,S1、S2?表示二次級性瑞;
P2和S2在同一瞬間具有同一級性(減級性)
六、LZCT-10C套管式電流互感器使用條件
壞境溫度:-35℃?~+55℃
海撥高度:≤3500m
大氣條件:大氣中無嚴重污穢
七、套管式電流互感器和母線式電流互感器區別
兩者都是穿芯結構,構造上很相似。主要區別在于套管式不考慮絕緣問題,絕緣需要測量過程中處理。母線式本身就考慮了絕緣問題。例如:采用套管式互感器測量時,不能直接將裸露的載流導體直接穿過互感器,而是應該采用必要的絕緣材料包住載流導體。而母線式可以直接將裸露的載流導體如銅排等直接穿過互感器。對于有足夠絕緣強度的電纜而言,兩者都可以使用。
八、套管式電流互感器廠家——浙江中拓高壓電器有限公司
浙江中拓高壓電器有限公司是一家主要從事研發、生產銷售110kV及以下戶內外高低壓互感器,鐵芯、絕緣件的專業廠家。公司的10-35kV戶內外互感器,銷遍全國各地,遠銷海外多個國家和地區,深受廣大用戶信賴和好評,10kV真空斷路器用互感器已成為國內柱上開關生產企業最優選擇合作單位。2007年自主研發的主推產品LZW32-10(12)型戶外保護用電流互感器,是目前國內同類型配套互感器主要生產商。
聯系電話:13868715829,商務QQ:40378900,歡迎來電咨詢定制。
?